电脑桌面
添加小米粒文库到电脑桌面
安装后可以在桌面快捷访问

每日安全巡查记录VIP免费

每日安全巡查记录_第1页
1/8
每日安全巡查记录_第2页
2/8
每日安全巡查记录_第3页
3/8
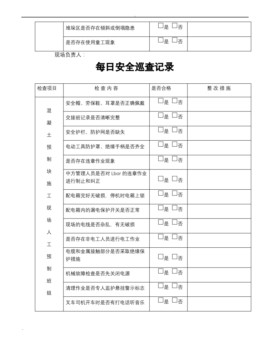
.每日安全巡查记录检查地日期检查范围检查项目检查内容安全帽、劳保鞋、耳罩是否正确佩戴料斗提升钢丝绳是否磨损或断股混凝土是否存在违章作业现象预中方管理人员是否对Lbor的违章作业制块施工现场成型机配电箱内的漏电保护开关是否正常现场的电线是否杂乱,有破损是否存在非电工人员进行电工作业电缆和金属接触部分是否采取绝缘保护措施机械故障检查是否先关闭电源清理作业是否专人监护悬挂警示标志叉车司机开车时是否有打电话听音乐叉车后视镜是否齐全、喇叭是否正常进行制止和纠正配电箱完好无破损,停机时电箱上锁安全护栏、防护网是否缺失电动工具防护罩、绝缘手柄是否齐全是否合格整改措施点检查人□是□否□是□否□是□否□是□否□是□否□是□否□是□否□是□否□是□否□是□否□是□否□是□否□是□否□是□否□是□否..堆垛区是否存在倾斜或倒塌隐患是否存在使用童工现象□是□否□是□否现场负责人:每日安全巡查记录检查项目检查内容安全帽、劳保鞋、耳罩是否正确佩戴混交接班记录是否清晰完整凝土预制块施工现场人是否存在非电工人员进行电工作业工预制班组清理作业是否专人监护悬挂警示标志叉车司机开车时是否有打电话听音乐电缆和金属接触部分是否采取绝缘保护措施机械故障检查是否先关闭电源安全护栏、防护网是否缺失电动工具防护罩、绝缘手柄是否齐全是否存在违章作业现象中方管理人员是否对Lbor的违章作业进行制止和纠正配电箱完好无破损,停机时电箱上锁配电箱内的漏电保护开关是否正常现场的电线是否杂乱,有无破损是否合格整改措施□是□否□是□否□是□否□是□否□是□否□是□否□是□否□是□否□是□否□是□否□是□否□是□否□是□否□是□否..叉车后视镜是否齐全、喇叭是否正常堆垛区是否存在倾斜或倒塌隐患是否存在使用童工现象□是□否□是□否□是□否现场负责人:检查人:每日安全巡查记录检查项目检查内容安全帽、劳保鞋是否正确佩戴电焊作业是否使用电焊手套和电焊面罩安全护栏、防护网是否缺失电动工具防护罩、绝缘手柄是否齐全混凝土拌和站现场的电线是否杂乱,有无破损是否存在非电工人员进行电工作业电缆和金属接触部分是否采取绝缘保护措施机械故障检查是否先关闭电源是否存在违章作业现象中方管理人员是否对Lbor的违章作业进行制止和纠正配电箱完好无破损,停机时电箱上锁配电箱内的漏电保护开关是否正常是否合格整改措施□是□否□是□否□是□否□是□否□是□否□是□否□是□否□是□否□是□否□是□否□是□否□是□否..清理作业是否专人监护悬挂警示标志装载机司机开车时是否有打电话听音乐装载机后视镜是否齐全、喇叭是否正常提升料斗钢丝绳是否有断股现象电气焊安全距离内是否有易燃物存在是否存在使用童工现象□是□否□是□否□是□否□是□否□是□否□是□否现场负责人:检查人:每日安全巡查记录检查项目检查内容安全帽、劳保鞋等劳保用品是否佩戴电动工具防护罩和绝缘手柄是否齐全电焊作业是否佩戴电焊面罩和手套电、气焊作业周边二十米是否存在易燃易爆和危化品修理队气割作业煤气瓶和氧气瓶间距是否在5米以上,气瓶是否树立放置电器外壳是否接地油料库内是否有易燃品车辆修理时是否采取保护措施配电箱是否上锁,是否完整无破损配电箱内的漏电保护开关是否正常是否合格整改措施□是□否□是□否□是□否□是□否□是□否□是□否□是□否□是□否□是□否□是□否..现场的电线是否杂乱,有无破损是否存在非电工人员进行电工作业电缆和金属接触部分是否采取绝缘保护措施是否存在违章作业现象中方管理人员是否对Lbor的违章作业进行制止和纠正是否对废旧物品和废油就行回收仓库高处过道是否有护栏,无破损是否有使用童工现象□是□否□是□否□是□否□是□否□是□否□是□否□是□否□是□否现场负责人:检查人:每日安全巡查记录检查项目检查内容水上作业是否穿戴救生衣消防救生设施是否齐全水上油舱是否设立禁止电气焊作业标志作业上班时间船员是否有穿拖鞋现象高处作业是否使用安全带是否存在酒后作业现象电缆有无破损现象油舱附近是否存在电气焊作业现象是否合格整改措施□是□否□是□否□是□否□是□否□是□否...

1、当您付费下载文档后,您只拥有了使用权限,并不意味着购买了版权,文档只能用于自身使用,不得用于其他商业用途(如 [转卖]进行直接盈利或[编辑后售卖]进行间接盈利)。
2、本站所有内容均由合作方或网友上传,本站不对文档的完整性、权威性及其观点立场正确性做任何保证或承诺!文档内容仅供研究参考,付费前请自行鉴别。
3、如文档内容存在违规,或者侵犯商业秘密、侵犯著作权等,请点击“违规举报”。

碎片内容

每日安全巡查记录

您可能关注的文档

确认删除?
VIP
微信客服
  • 扫码咨询
会员Q群
  • 会员专属群点击这里加入QQ群
客服邮箱
回到顶部