电脑桌面
添加小米粒文库到电脑桌面
安装后可以在桌面快捷访问

地下室计算书VIP免费

地下室计算书_第1页
1/41
地下室计算书_第2页
2/41
地下室计算书_第3页
3/41
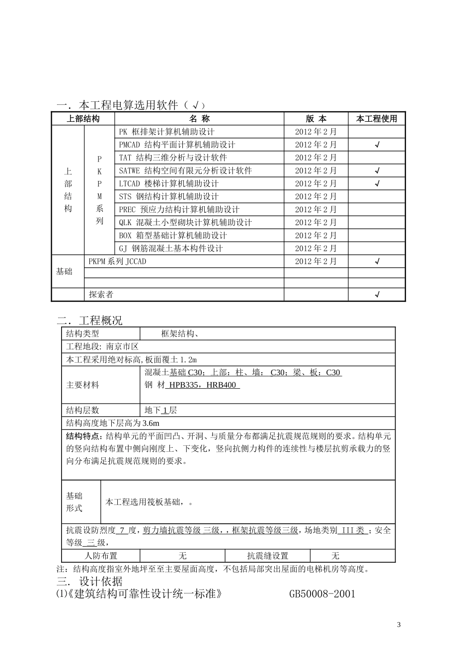
结构计算书工程项目:楚雄海弘房地产开发有限公司楚雄金色花园住宅小区-人防地下车库结构形式:框架结构建筑面积:计算:校核:完成日期:2012.2目录一.本工程电算选用软件…………………………………………1二.工程概况………………………………………………………1三.设计依据………………………………………………………1四.可变荷载标准值选用……………………………………………2五.上部永久荷载标准值及构件计算………………………………2六.抗浮计算…………………………………………………………5七.挡墙计算…………………………………………………………5八坡道计算…………………………………………………………临空墙、内墙计算九.结构计算结果……………………………………………………(1)建筑结构总信息(2)周期、地震力与振型(3)结构位移计算结果附图(1)地板梁板配筋图、筏板基础计算图(2)顶板梁、板配筋图(3)无梁楼盖计算2一.本工程电算选用软件(√)上部结构名称版本本工程使用上部结构PKPM系列PK框排架计算机辅助设计2012年2月PMCAD结构平面计算机辅助设计2012年2月√TAT结构三维分析与设计软件2012年2月SATWE结构空间有限元分析设计软件2012年2月√LTCAD楼梯计算机辅助设计2012年2月√STS钢结构计算机辅助设计2012年2月PREC预应力结构计算机辅助设计2012年2月QLK混凝土小型砌块计算机辅助设计2012年2月BOX箱型基础计算机辅助设计2012年2月GJ钢筋混凝土基本构件设计2012年2月基础PKPM系列JCCAD2012年2月√探索者√二.工程概况结构类型框架结构、工程地段:南京市区本工程采用绝对标高,板面覆土1.2m主要材料混凝土基础C30;上部:柱、墙:C30;梁、板:C30钢材HPB335,HRB400结构层数地下1层结构高度地下层高为3.6m结构特点:结构单元的平面凹凸、开洞、与质量分布都满足抗震规范规则的要求。结构单元的竖向结构布置中侧向刚度上、下变化,竖向抗侧力构件的连续性与楼层抗剪承载力的竖向分布满足抗震规范规则的要求。基础形式本工程选用筏板基础,。抗震设防烈度7度,剪力墙抗震等级三级,,框架抗震等级三级,场地类别III类;安全等级三级,人防布置无抗震缝设置无注:结构高度指室外地坪至至主要屋面高度,不包括局部突出屋面的电梯机房等高度。三.设计依据⑴《建筑结构可靠性设计统一标准》GB50008-20013⑵《建筑结构荷载规范》2006年版GB50009-2001⑶《混凝土结构设计规范》GB50010-2010⑷《高层建筑混凝土结构技术规程》JGJ3-2010⑸《建筑抗震设计规范》GB50011-2010⑹《建筑地基基础设计规范》GB50007-2002⑺《建筑桩基技术规范》JGJ94-2008⑻《砌体结构设计规范》GB50003-2001⑼《多孔砖砌体结构技术规范》JGJ137-2001⑽《地下工程防水技术规范》GB50108-2001⑾《高层民用建筑设计防火规范》GB50045-95⑿《建筑桩基检测技术规范》GB50108-2001四.可变荷载标准值选用(kN/㎡)名称荷载一般地面消防车520本工程选用√√五.上部永久荷载标准值及构件计算(一)楼面荷载覆土厚1.2m一、地下室底板抗浮计算抗浮水位为室外地坪-0.5001,水深1+3.35+0.5-0.5=4.35m2、水浮力4.4X10=43.5kn3、抗浮压力(1)覆土1.0m=1.0X18=18kn(2)500楼板,(考虑托板+0.05)=0.5X25=12.5kn(3)100厚的找平层=0.1X20=2kn(4)500厚的底板找平层(考虑地梁+0.05)0.5X25=12.5kn小计45自重45KN/m2>43.5KN/m2满足抗浮计算要求二、配电房的抗浮设计41中柱10轴E轴相的柱面积18+15=33平方单位水浮力(5.15+0.5-0.5)X10=51.5kn/m2水浮力51.5X33=1699.5KN抗浮力左侧面积6.8X3.35=22.78m2左侧抗浮力(1)覆土1.0m=1.0X18=18kn(2)500楼板,(考虑托板+0.05)=0.5X25=12.5kn(3)100厚的找平层=0.1X20=2kn(4)1250厚的底板1.25X25=31.25kn小计63.763.7X16=1020kn右侧抗浮力(1)覆土1.0m=1.0X18=18kn(2)500楼板,(考虑托板+0.05)=0.5X25=12.5kn(3)100厚的找平层=0.1X20=2kn(4)45厚的底板0.45X25=11.25kn小计43.7543.7X18=787.5kn抗浮力=1020+787.5=1807.5kn>水浮力满足抗浮计算要求三、配电房外墙处的抗浮设计单位水浮力51.5kn/m2水浮力51.5X(0.8+3)=195.7kn/m抗浮力左侧(5.15X18+0.45X25)X0.8=83kn/m右侧为4...

1、当您付费下载文档后,您只拥有了使用权限,并不意味着购买了版权,文档只能用于自身使用,不得用于其他商业用途(如 [转卖]进行直接盈利或[编辑后售卖]进行间接盈利)。
2、本站所有内容均由合作方或网友上传,本站不对文档的完整性、权威性及其观点立场正确性做任何保证或承诺!文档内容仅供研究参考,付费前请自行鉴别。
3、如文档内容存在违规,或者侵犯商业秘密、侵犯著作权等,请点击“违规举报”。

碎片内容

地下室计算书

您可能关注的文档

确认删除?
VIP
微信客服
  • 扫码咨询
会员Q群
  • 会员专属群点击这里加入QQ群
客服邮箱
回到顶部