电脑桌面
添加小米粒文库到电脑桌面
安装后可以在桌面快捷访问

10万级净化车间标准VIP免费

10万级净化车间标准_第1页
1/11
10万级净化车间标准_第2页
2/11
10万级净化车间标准_第3页
3/11
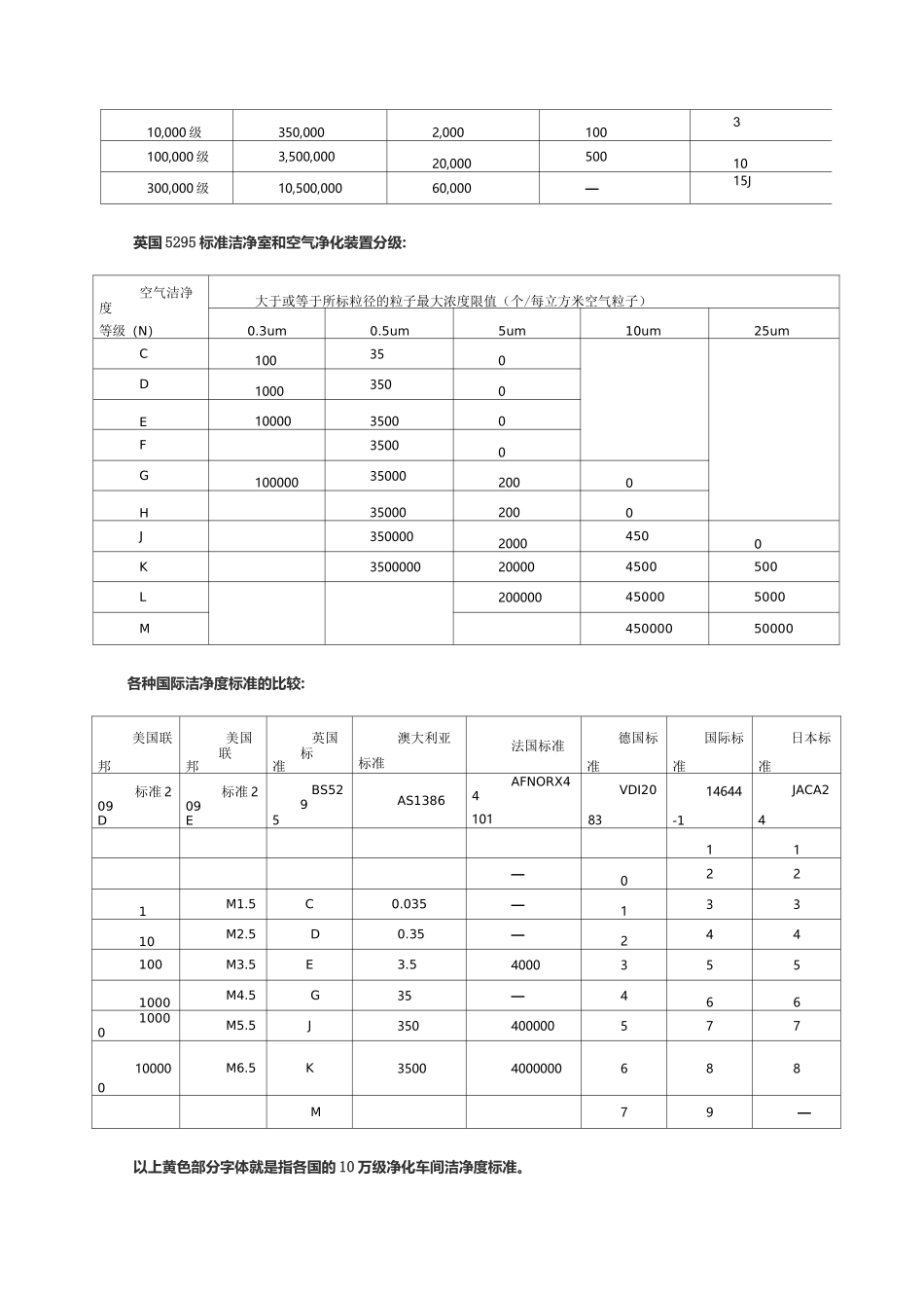
10万级净化车间标准(2015版)发布日期:2015-07-06来源:10万级净化车间标准(2015版)作者:10万级净化车间标准(2015版)浏览次数:1189核心提示:10万级净化车间标准(2015版)10万级净化车间我们在很多地方都有见到过,而且很多洁净室等级的要求也基本上在这个围,那么很多人10万级净化车间标准(2015版)10万级净化车间我们在很多地方都有见到过,而且很多洁净室等级的要求也基本上在这个围,那么很多人就想了解到底10万级净化车间标准是什么呢?通俗意义上来讲10万级净化车间是指工作车间里面每立方米的微粒控制在10W以,食品行业如果有10万级的生产车间就是相当不错的!10万级净化车间标准就是从行业标准上来说可以理解为洁净度方面的标准,一般的洁净度等级划分通常有10级,100级,1000级,10000级,100000级,300000级!从换气次数角度上来说:100000(10万)级要求每小时换气18-25次,完全换气后空气净化时间不超过40分钟。10000(1万)级别要求每小时换气25-30次,完全换气后空气净化时间不超过30分钟1000(1千)级别要求每小时换气40-60次,完全换气后空气净化时间不超过20分钟。各种等级包括10万级净化车间洁净度标准参考如下:ISO14644根据悬浮粒子浓度这个唯一指标来划分洁净室(区)及相关受控环境中空气洁净度的等级,并且仅考虑粒径限值(低限)在0.1um~5.0um围呈累积分布的粒子群。根据粒子径,可以划分为常规粒子(0.1um~5.0um)、超微粒子(<0.1um)和宏粒子(>5.0um)。空气洁净度分级标准:ISO14644-1(国际标准)等级空气洁净度(N)大于或等于所标粒径的粒子最大浓度限值(个/每立方米空气粒子)0.1um0.2um0.3um0.5um1um5ums1ISOClas102s2ISOClas10024104s3ISOClas1000237102358s4ISOClas100002370102035283s5ISOClas1000002370010200352083229s6ISOClas1000000237000102000352008320293s7ISOClas352000832002930s8ISOClas352000083200029300ISOClas352000083200029300s9000注:由于涉及测量过程的不确定性,故要求用不超过三个有效的浓度数字来确定等级水平。空气洁净度分级标准:GB/T16292-1996(中国标准)粒径、数值洁净度级别尘埃最大允许数/立方米微生物最大允许数>0.5um>5um浮游菌/立方米沉降菌/皿100级3,50005110,000级350,0002,0001003100,000级3,500,00020,00050010300,000级10,500,00060,000—15J英国5295标准洁净室和空气净化装置分级:空气洁净度等级(N)大于或等于所标粒径的粒子最大浓度限值(个/每立方米空气粒子)0.3um0.5um5um10um25umC100350D10003500E1000035000F35000G100000350002000H350002000J35000020004500K3500000200004500500L200000450005000M45000050000各种国际洁净度标准的比较:邦美国联邦美国联准英国标澳大利亚标准法国标准准德国标准国际标准日本标09D标准209E标准25BS529AS1386AFNORX4410183VDI20-1146444JACA211—0221M1.5C0.035—13310M2.5D0.35—244100M3.5E3.540003551000M4.5G35—46610000M5.5J350400000577010000M6.5K35004000000688M79—以上黄色部分字体就是指各国的10万级净化车间洁净度标准。综上以上标准,可以得出10万级净化车间对应的参数如下:洁净度等级尘粒最大允许数/pc.m3换气次数/h气流流型>0.5pm>5pm10000035000002000010~15非单向流10万级净化车间标准是:1•尘粒最大允许数(每立方米);2•大或等于0.5微米的粒子数不得超过3500000个,大或等于5微米的粒子数不得超过20000个;3•微生物最大允许数;4•浮游菌数不得超过500个每立方米;5•沉隆菌数不得超过10个每培养皿。压差:相同洁净度等级的净化车间压差保持一致,对于不同洁净等级的相邻净化车间之间压差要>5Pa,净化车间与非净化车间之间要>10Pa。10万级净化车间验证标准案例参考1净化车间概述我公司净化车间级别为十万级,局部百级,位于公司生产区域一层,建筑面积为160平米,主要用途是生产III类医疗器械产品硅胶眼科植入物、软组织扩器。根据我公司产品生产工艺与流程,净化车间分为平板硫化间,挤出硫化间,烘箱间,浸渍硫化间、检验包装间等。2验证目的检查并确认净化车间是否符合医疗器械GMP要求及相关国家标准,空调净化系...

1、当您付费下载文档后,您只拥有了使用权限,并不意味着购买了版权,文档只能用于自身使用,不得用于其他商业用途(如 [转卖]进行直接盈利或[编辑后售卖]进行间接盈利)。
2、本站所有内容均由合作方或网友上传,本站不对文档的完整性、权威性及其观点立场正确性做任何保证或承诺!文档内容仅供研究参考,付费前请自行鉴别。
3、如文档内容存在违规,或者侵犯商业秘密、侵犯著作权等,请点击“违规举报”。

碎片内容

10万级净化车间标准

确认删除?
VIP
微信客服
  • 扫码咨询
会员Q群
  • 会员专属群点击这里加入QQ群
客服邮箱
回到顶部