电脑桌面
添加小米粒文库到电脑桌面
安装后可以在桌面快捷访问

土力学实验室建设项目书正式VIP免费

土力学实验室建设项目书正式_第1页
1/6
土力学实验室建设项目书正式_第2页
2/6
土力学实验室建设项目书正式_第3页
3/6
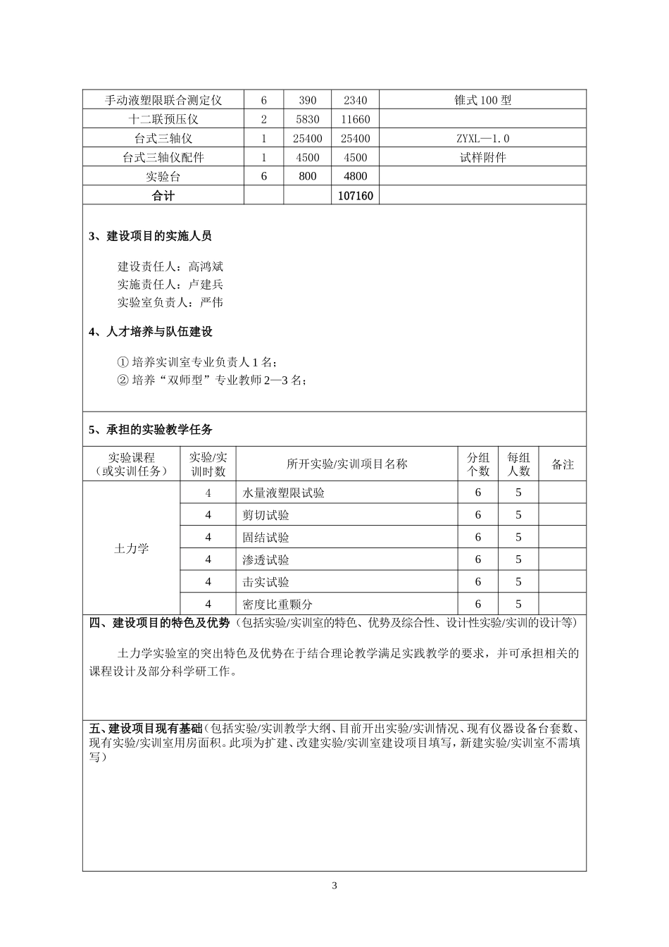
实验室编号实验室性质□公共基础□专业技术基础□专业技术实验/实训建设项目计划书系(中心)名称机电工程系项目名称土力学实验室项目类型□新建□扩建□改建所属实训中心水工实验实训中心实验室负责人严伟系负责人高鸿斌申报日期2007年12月21日兰州资源环境职业技术学院教务处制√√系(中心)机电工程系系(中心)部门责任人高鸿斌实验室名称土力学实验室实验室建设责任人卢建兵实验室地点2号教学楼实验室面积80M2建设起止时间2005年9月至2015年9月一、建设目的与意义土力学实验室的建设主要为满足《土力学》课程的实践教学、课程设计的需求,提高学生的实践能力,以便更好地为水利工程施工技术、水利工程及开设土力学课程的相关专业服务。二、建设目标和水平(在对同类实验/实训室比较的基础上,提出2005-2010年建设的目标与水平,注意突出创新和特色。)本实验室的建设以“培养高技能人才、增强社会服务能力”为主旨,遵从“追踪技术发展、创设真实环境、营造工程氛围、培养职业能力”的建设理念,以“技术的前瞻性、功能的应用性、环境的职业性、管理的开放性”为建设原则。经过“十一五”、“十二五”的分期建设,达到以下目标和水平:1、土力学实验室面积达80平方米;2、在“十一五”期间,使实验室拥有土力学实验设备6套,分组分项满足基本实践教学要求;3、在“十二五”期间,进一步扩展规模,为实验室再添置设备6套,基本满足学生实验实习要求;4、主要培养学生土力学基本实验的动手操作能力。三、建设内容1、项目名称、性质与面向专业名称性质面向专业土力学实验室新建水利工程施工技术、水利工程及开设土力学课程的相关专业2、项目内容及所需经费(实验/实训仪器设备明细表)仪器设备名称数量单价小计备注固结仪6190011400WG-4烘箱180008000TLK-3直剪仪6300018000渗透仪67804680TST-70土壤分析筛610806480FB-2电子天平311003300SL2000比重计68004800标准手提击实仪630018002手动液塑限联合测定仪63902340锥式100型十二联预压仪2583011660台式三轴仪12540025400ZYXL—1.0台式三轴仪配件145004500试样附件实验台68004800合计1071603、建设项目的实施人员建设责任人:高鸿斌实施责任人:卢建兵实验室负责人:严伟4、人才培养与队伍建设①培养实训室专业负责人1名;②培养“双师型”专业教师2—3名;5、承担的实验教学任务实验课程(或实训任务)实验/实训时数所开实验/实训项目名称分组个数每组人数备注土力学4水量液塑限试验654剪切试验654固结试验654渗透试验654击实试验654密度比重颗分65四、建设项目的特色及优势(包括实验/实训室的特色、优势及综合性、设计性实验/实训的设计等)土力学实验室的突出特色及优势在于结合理论教学满足实践教学的要求,并可承担相关的课程设计及部分科学研工作。五、建设项目现有基础(包括实验/实训教学大纲、目前开出实验/实训情况、现有仪器设备台套数、现有实验/实训室用房面积。此项为扩建、改建实验/实训室建设项目填写,新建实验/实训室不需填写)3六、项目的正常运行方式及管理(包括管理制度、安全管理与环境保护、对外开放及文化建设等)土力学实验室是在教务处的领导下,由机电工程系全面负责建设和管理,需一名专门实验员进行管理,保障实训室的正常运行。为保证实验室的安全、高效运转,已制定的管理制度有《实验实训室安全管理制度》、《学生实验实习守则》、《实验实训室仪器设备管理办法》、《实验实训仪器设备损坏丢失赔偿办法》、《实验实训室低值耐用品管理办法》。实验室建设完成后,主要保证土力学课程的实验实习,还可开展科学性试验。七、项目建设进度安排(按年度分列建设内容、所需设备、经费概算等)土力学实验室建设项目进度安排表:设备名称参考总价(元)建设时间固结仪114002008.1—2008.4烘箱8000直剪仪18000渗透仪4680土壤分析筛6480电子天平3300比重计4800标准手提击实仪1800手动液塑限联合测定仪2340十二联预压仪11660台式三轴仪25400台式三轴仪配件4500实验台4800合计107160八、其它要求(主要包括实验/实训室房屋装修、水电安装、实验/实训桌椅配置等)1、供电要求:20Kw动力供电;3、要求配备实验台6...

1、当您付费下载文档后,您只拥有了使用权限,并不意味着购买了版权,文档只能用于自身使用,不得用于其他商业用途(如 [转卖]进行直接盈利或[编辑后售卖]进行间接盈利)。
2、本站所有内容均由合作方或网友上传,本站不对文档的完整性、权威性及其观点立场正确性做任何保证或承诺!文档内容仅供研究参考,付费前请自行鉴别。
3、如文档内容存在违规,或者侵犯商业秘密、侵犯著作权等,请点击“违规举报”。

碎片内容

土力学实验室建设项目书正式

您可能关注的文档

确认删除?
VIP
微信客服
  • 扫码咨询
会员Q群
  • 会员专属群点击这里加入QQ群
客服邮箱
回到顶部