电脑桌面
添加小米粒文库到电脑桌面
安装后可以在桌面快捷访问

工程主体结构质量策划VIP免费

工程主体结构质量策划_第1页
1/17
工程主体结构质量策划_第2页
2/17
工程主体结构质量策划_第3页
3/17
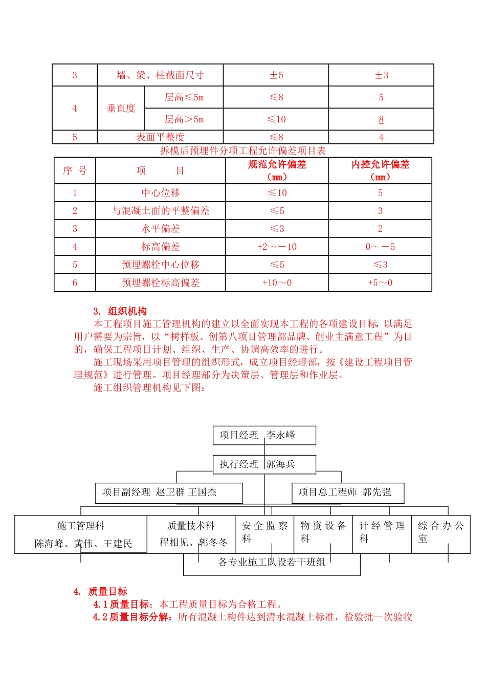
工程主体结构质量策划1.工程概况长山热电厂4×330MW机组工程,建设单位为山东魏桥铝电有限公司,设计单位为华东电力设计院,监理单位为河北兴源工程建设监理有限公司。我单位负责5#、6#机组主厂房、输煤系统、循环水加药系统的土建、水、电、暖、通、消防、电气等工作内容。主厂房分为汽机房、除氧煤仓间和锅炉房,以及集控楼四部分。汽机房、除氧间、煤仓间纵向柱距为9.000m。汽机房设三层,除0.000m层及运转层12.600m外,还设有6.300m层夹层;除氧间跨度为9.000m,高33.230m,共设四层;煤仓间跨度为12.000m,皮带层标高35.300m,皮带层转运站标高43.000m。5#、6#机组区域建筑工程主要包括主厂房(汽机房、除氧间、煤仓间、锅炉基础)、渣仓基础、凝结水箱、主变高厂变基础、启备变基础、储油箱、事故油池、A排外其他构筑物、炉后风机基础及支架、除尘器基础及支架、引风机基础及支架、烟道支架及基础、电梯井基础及机房建筑等。输煤系统建筑工程,主要包括取样机基础、地磅房、转运站、取样间、碎煤机房、输煤综合楼、推煤机库、煤泥沉淀池、采样间及厕所、输煤廊道、栈桥、汽车卸煤沟、应急煤斗、输煤配电室、干煤棚、煤场、拉紧小室、斗轮堆取料机基础及轨道等。水塔拦污栅至循泵房间的所有循环水系统及循环水加药系统土建,主要包括循环水管建筑工程、循环水泵房、循环水加药间。厂区综合管道及基础建筑。机组排水槽、空压机房、采暖站、渣浆泵房等建筑工程。2.执行标准及清水混凝土的质量验收标准2.1执行标准2.1.1电力建设施工质量验收及评定规程第1部分土建工程(DL/T5210.1-2012);2.1.2混凝土结构施工及验收规范(2011年版)GB50204-2002;2.1.3建筑工程施工质量验收统一标准GB50300-2001;2.1.4工程测量规范GB50026-2007;2.1.5钢筋焊接及验收规程JGJ18-2012;2.1.6钢筋机械连接技术规程JGJ107-2010;2.1.7建筑施工手册(第四版);2.1.8工程建设标准强制性条文(电力工程部分2006版);2.1.8建设工程项目管理规范GB/T50326-2006;2.1.10工程图纸。2.2清水砼的质量验收标准2.2.1观感标准2.2.1色泽一致、光滑美观;2.2.2柱梁的棱角倒圆,线条顺直;2.2.3轴线通直、几何尺寸准确;2.2.4表面无明显的气泡;2.2.5表面无蜂窝、麻面、裂纹和露筋现象;2.2.6模板拼缝、施工缝留设规律、美观;且模板拼缝和施工缝处无挂浆、露浆现象。2.2.2质量标准模板分项工程允许偏差项目表序号项目规范允许偏差(mm)内控允许偏差(mm)1墙、梁、柱轴线位移532标高±5±33相邻板面高低差214模板垂直度模板高度≤5m≤63模板高度>5m≤855侧向弯曲基础不大于L2/750,且不大于20mm12梁、墙不大于L2/1000,且不大于10mm5柱不大于L2/1000,且不大于15mm76截面尺寸偏差基础±10±5柱墙梁+4~-5±37表面平整度≤538预留洞口中心位移≤105截面尺寸偏差0~+100~+59预埋件、管、螺栓中心位移32混凝土分项工程允许偏差项目表序号项目规范允许偏差(mm)内控允许偏差(mm)1轴线位移独立基础≤105其他基础≤157墙、梁、柱≤842剪力墙≤53标高±10±63墙、梁、柱截面尺寸±5±34垂直度层高≤5m≤85层高>5m≤1085表面平整度≤84拆模后预埋件分项工程允许偏差项目表序号项目规范允许偏差(mm)内控允许偏差(mm)1中心位移≤1052与混凝土面的平整偏差≤533水平偏差≤324标高偏差+2~-100~-55预埋螺栓中心位移≤5≤36预埋螺栓标高偏差+10~0+5~03.组织机构本工程项目施工管理机构的建立以全面实现本工程的各项建设目标,以满足用户需要为宗旨,以“树样板、创第八项目管理部品牌、创业主满意工程”为目的,确保工程项目计划、组织、生产、协调高效率的进行。施工现场采用项目管理的组织形式,成立项目经理部,按《建设工程项目管理规范》进行管理。项目经理部分为决策层、管理层和作业层。施工组织管理机构见下图:4.质量目标4.1质量目标:本工程质量目标为合格工程。4.2质量目标分解:所有混凝土构件达到清水混凝土标准,检验批一次验收项目经理李永峰项目副经理赵卫群王国杰项目总工程师郭先强施工管理科陈海峰、黄伟、王建民各专业施工队设若干班组质量技术科程相见、郭冬冬综合办公室李万保安全监察...

1、当您付费下载文档后,您只拥有了使用权限,并不意味着购买了版权,文档只能用于自身使用,不得用于其他商业用途(如 [转卖]进行直接盈利或[编辑后售卖]进行间接盈利)。
2、本站所有内容均由合作方或网友上传,本站不对文档的完整性、权威性及其观点立场正确性做任何保证或承诺!文档内容仅供研究参考,付费前请自行鉴别。
3、如文档内容存在违规,或者侵犯商业秘密、侵犯著作权等,请点击“违规举报”。

碎片内容

工程主体结构质量策划

您可能关注的文档

文泉书屋+ 关注
实名认证
内容提供者

热爱教学事业,对互联网知识分享很感兴趣

确认删除?
VIP
微信客服
  • 扫码咨询
会员Q群
  • 会员专属群点击这里加入QQ群
客服邮箱
回到顶部