电脑桌面
添加小米粒文库到电脑桌面
安装后可以在桌面快捷访问

空间规划设计系统用户手册第四章VIP免费

空间规划设计系统用户手册第四章_第1页
1/15
空间规划设计系统用户手册第四章_第2页
2/15
空间规划设计系统用户手册第四章_第3页
3/15
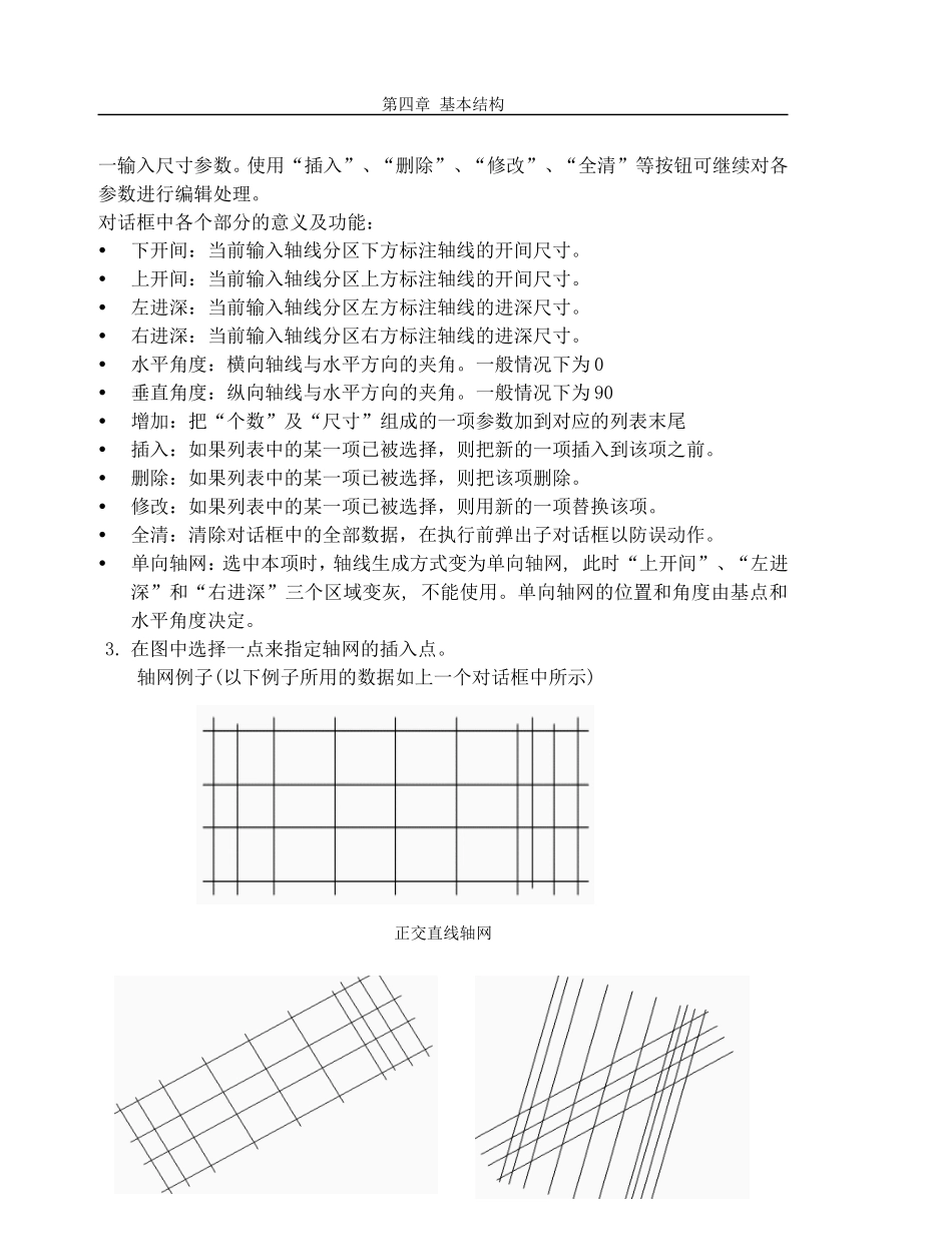
第四章基本结构第四章基本结构本章介绍了圆方办公家具投标设计系统中一些主要的基本结构,包括轴网、墙体、墙线、描图功能,对墙体的修改也作了详尽的讲述。轴网能够给墙提供定位的基准。利用轴网,可以快速的构造出一批规则排列的墙。§4.1直线轴网直线轴网包括正交轴网、斜交轴网。正交轴网的纵、横两个方向的轴线相互垂直,而斜交轴网的两个方向的轴线相交成一个不等于90度的角。建立直线轴网的操作:1.从菜单“结构”下选择“直线轴网”命令。2.进入“直线轴网”对话框,输入轴网的各项定义数据。然后单击“确定”。用户可在各个区域输入各种轴线参数,从“个数”和“尺寸”两个编辑框中输入尺寸参数,输入完后点取“增加”按钮将此项参数加到对应的列表末尾。可以逐33第四章基本结构一输入尺寸参数。使用“插入”、“删除”、“修改”、“全清”等按钮可继续对各参数进行编辑处理。对话框中各个部分的意义及功能:下开间:当前输入轴线分区下方标注轴线的开间尺寸。上开间:当前输入轴线分区上方标注轴线的开间尺寸。左进深:当前输入轴线分区左方标注轴线的进深尺寸。右进深:当前输入轴线分区右方标注轴线的进深尺寸。水平角度:横向轴线与水平方向的夹角。一般情况下为0垂直角度:纵向轴线与水平方向的夹角。一般情况下为90增加:把“个数”及“尺寸”组成的一项参数加到对应的列表末尾插入:如果列表中的某一项已被选择,则把新的一项插入到该项之前。删除:如果列表中的某一项已被选择,则把该项删除。修改:如果列表中的某一项已被选择,则用新的一项替换该项。全清:清除对话框中的全部数据,在执行前弹出子对话框以防误动作。单向轴网:选中本项时,轴线生成方式变为单向轴网,此时“上开间”、“左进深”和“右进深”三个区域变灰,不能使用。单向轴网的位置和角度由基点和水平角度决定。3.在图中选择一点来指定轴网的插入点。轴网例子(以下例子所用的数据如上一个对话框中所示)正交直线轴网34第四章基本结构带旋转角的正交轴网斜交轴网§4.2弧线轴网弧线轴网由一些同心圆弧及通过它们圆心的直线段组成。建立弧线轴网的操作:从菜单“结构”下选择“弧线轴网”命令。进入“弧线轴网”对话框输入各项参数。单击“确定”。用户可在各个区域输入各种轴线参数,从“个数”和“尺寸”两个编辑框中输入尺寸参数,输入完后点取“增加”按钮将此项参数加到对应的列表末尾。可以逐一输入尺寸参数。使用“插入”、“删除”、“修改”、“全清”等按钮可继续对各参数进行编辑处理。对话框中各个部分的意义及功能开间:以当前旋转方向决定的开间划分序列,用角度表示,以度为单位。进深:半径从小而大排列的进深尺寸序列,以毫米为单位。角度:开间的角度参数(均分时表示总包角)。35第四章基本结构个数:开间角度的重复次数(均分时表示等分数)。尺寸:进深的长度参数。个数:进深尺寸的重复次数。半径:弧形轴网最内侧轴网的半径。角度:弧形轴网起始边与X轴的正方向夹角。共用轴线:表示与其它轴网结合处的轴线是否绘制,共有四种形式。定位点:弧形轴网的插入点,共有三个位置。均分:选择本项时,开间角度表示总包角。顺时针:选择本项时,弧形轴网按顺时针方向生成。增加:把「个数」及「尺寸」组成的一项参数加到对应的列表末尾。插入:如果列表中的某一项已被选择,则把新的一项插入到该项之前。删除:如果列表中的某一项已被选择,则把该项删除。修改:如果列表中的某一项已被选择,则用新的一项替换该项。全清:清除对话框中的全部数据,在执行前弹出子对话框以防误动作。确定轴网的定位点。下例所示的图形是用上述对话框中数据建立的弧线轴网。36第四章基本结构§4.3轴网显示控制可以很方便的控制轴网的显示和隐藏。控制轴网显示方式的命令是“结构”菜单下的“显示轴网”和“隐藏轴网”。当执行“隐藏轴网”命令后,全部的轴网都被隐藏,相反,执行“显示轴网”命令后,全部被隐藏的轴网都重新显示出来。§4.4描图功能系统提供了快速描图功能,使用户可以快速画出场景的墙体。§4.4.1插入底图插...

1、当您付费下载文档后,您只拥有了使用权限,并不意味着购买了版权,文档只能用于自身使用,不得用于其他商业用途(如 [转卖]进行直接盈利或[编辑后售卖]进行间接盈利)。
2、本站所有内容均由合作方或网友上传,本站不对文档的完整性、权威性及其观点立场正确性做任何保证或承诺!文档内容仅供研究参考,付费前请自行鉴别。
3、如文档内容存在违规,或者侵犯商业秘密、侵犯著作权等,请点击“违规举报”。

碎片内容

空间规划设计系统用户手册第四章

您可能关注的文档

文泉书屋+ 关注
实名认证
内容提供者

热爱教学事业,对互联网知识分享很感兴趣

确认删除?
VIP
微信客服
  • 扫码咨询
会员Q群
  • 会员专属群点击这里加入QQ群
客服邮箱
回到顶部