电脑桌面
添加小米粒文库到电脑桌面
安装后可以在桌面快捷访问

外墙外保温及饰面验收标准VIP免费

外墙外保温及饰面验收标准_第1页
1/8
外墙外保温及饰面验收标准_第2页
2/8
外墙外保温及饰面验收标准_第3页
3/8
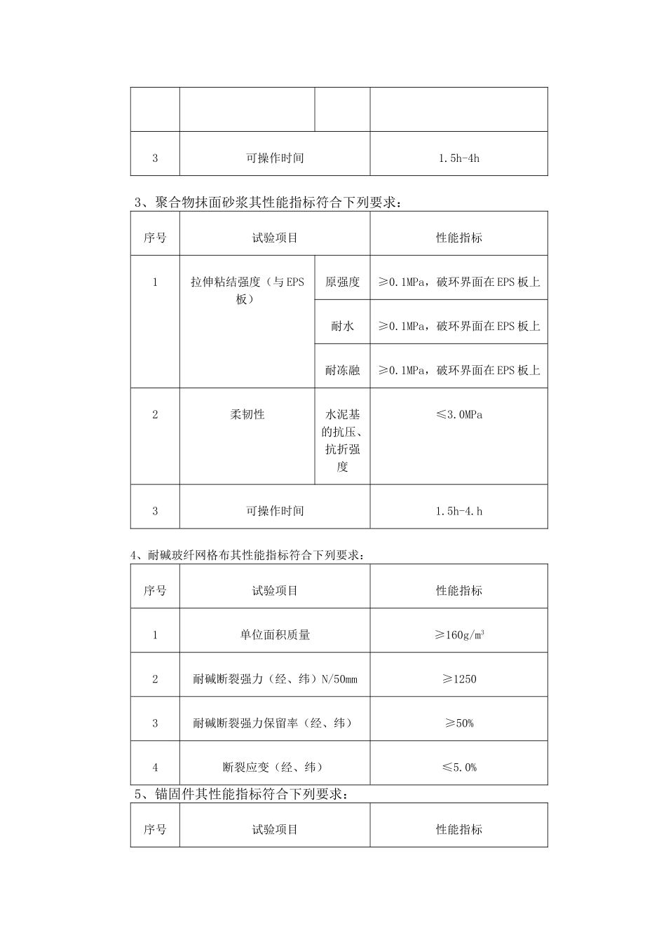
东方尚城项目外墙保温、饰面工程验收标准及细部做法一、材料:1、外墙保温材料为EPS(聚苯板)板要求:60mm厚,密度20kg/m3。出厂前在自然条件下陈化42天,60℃蒸汽中陈化5天其主要性能指标及及其允许偏差应合乎下列要求:序号试验项目性能指标1尺寸稳定性≤0.3%2垂直于板面方向的抗压强度≥0.1MPa3燃烧性能B1级4导热系数≤0.41w/(m.K)5厚度±2.0mm6对角线差±3.0mm7板面平整度±1.0mm2、聚合物粘结砂浆其性能指标符合下列要求:序号试验项目性能指标1拉伸粘结强度(与水泥砂浆)原强度≥0.6MPa耐水≥0.4MPa2拉伸粘结强度(与EPS板)原强度≥0.1MPa破环界面在EPS板上耐水≥0.1MPa破环界面在EPS板上3可操作时间1.5h-4h3、聚合物抹面砂浆其性能指标符合下列要求:序号试验项目性能指标1拉伸粘结强度(与EPS板)原强度≥0.1MPa,破环界面在EPS板上耐水≥0.1MPa,破环界面在EPS板上耐冻融≥0.1MPa,破环界面在EPS板上2柔韧性水泥基的抗压、抗折强度≤3.0MPa3可操作时间1.5h-4.h4、耐碱玻纤网格布其性能指标符合下列要求:序号试验项目性能指标1单位面积质量≥160g/m32耐碱断裂强力(经、纬)N/50mm≥12503耐碱断裂强力保留率(经、纬)≥50%4断裂应变(经、纬)≤5.0%5、锚固件其性能指标符合下列要求:序号试验项目性能指标1单个锚栓抗拉承载力标准值≥0.3KN2单个锚栓对于系统传热增加值≤0.004W/(m2.K)6、外墙涂料验收标准:涂刷或者喷涂均匀,无掉粉、漏凃、露底、流坠;表面无鼓泡,脱皮、斑纹等现象。原材料的颜色、场名、批次、生产日期、出厂证明、产品合格证、质量检验单是否合格和符合要求,要求色泽一致、无色差。7、对于辅助材料砂要严格筛选,砂的质地必须坚硬,洁净,使用前必须筛选不得含有土、杂草、树根、碱质及其有害化学杂志,施工用水必须进行有关检查,并出具相关报告水质清洁、酸类碱类等有害化学成分达到使用标准。对于进场材料和设备的外观质量和规格、型号、技术参数及质量证明文件核查并验收。并按照建筑节能材料与设备国家有关规定,对于材料和设备现场抽样复验,复验为见证取样送检。监理工程师和建设单位代表见证下抽样现场检验或送至有见证检查资质机构检测,合格后方可使用。二、外墙保温施工过程中各工序的要求、注意事项和相关规定:外保温基层处理:1、外墙面水泥砂浆找平:厚度在5-8mm。(用2m的靠尺和托线板检查,平整度和垂直度最大偏差不超过4mm。用大杠刮平、找直,再用木刷刷毛。外墙大角处的方正用直角检查尺最大偏差不超过4mm。)待表面无水时用软毛刷蘸水沿垂直于地面同一个方向,轻刷一遍,保证面层会颜色一致,避免和减少收缩裂缝。2、门窗安装工程已完成。3、安装好外墙面预埋件,如雨水管卡,空调外机埋件等。外保温施工过程:1、弹线控制、挂基准线:在外墙面门窗洞口、变形缝等处弹出水平垂直控制线。在建筑外墙大角处及必要处挂垂基准钢线,每个楼层适当位置挂水平线控制EPS板的垂直度和平整度。2、配置粘结砂浆:按照专用聚合物粘结砂浆与水5:1(或使用说明的重量比)的重量比配置,要专人负责,严格计量,机械搅拌,直到搅拌均匀,且稠度合适为止,至少搅拌5分钟以上。配好的粘结砂浆要防晒避风,以免水分过快蒸发表面结皮,且配好的砂浆要在1小时之内用完。3、粘贴保温板:保温板标准尺寸600*1200,非标准和局部不规则可在现场裁切,但必须注意切口与板面垂直。整块墙面的边角处用最小超过300的EPS板,EPS板的拼缝不得正好留在门窗的四角处,板的拼缝应与门窗洞口离开200以上。粘贴保温板采用点框条粘法,(即在EPS板四边均匀涂抹宽度大于6cm粘结框、在框内6~8个直径100的粘结饼,保证与墙面的粘结度达40%以上),排版时按水平顺序排列,上下错峰粘结、且材格只见错缝不低于20cm,外墙阴阳角处做接茬处理,粘板时自下而上,在底层板下设托板,避免下滑。用专用工具轻柔、均匀挤压EPS板,并随时用2m靠尺和托线板检查平整度和垂直度。粘板时清除溢出的砂浆,板与板缝隙拼严,当缝宽超出2mm时应用相应厚度的EPS板片填塞。拼缝高度不得大于1.5mm。如果大于1.5mm时,应再帖完24小时后,用砂纸钢丝刷或专用磨光机打磨平整,打磨时应轻...

1、当您付费下载文档后,您只拥有了使用权限,并不意味着购买了版权,文档只能用于自身使用,不得用于其他商业用途(如 [转卖]进行直接盈利或[编辑后售卖]进行间接盈利)。
2、本站所有内容均由合作方或网友上传,本站不对文档的完整性、权威性及其观点立场正确性做任何保证或承诺!文档内容仅供研究参考,付费前请自行鉴别。
3、如文档内容存在违规,或者侵犯商业秘密、侵犯著作权等,请点击“违规举报”。

碎片内容

外墙外保温及饰面验收标准

您可能关注的文档

确认删除?
VIP
微信客服
  • 扫码咨询
会员Q群
  • 会员专属群点击这里加入QQ群
客服邮箱
回到顶部