电脑桌面
添加小米粒文库到电脑桌面
安装后可以在桌面快捷访问

外墙真石漆工程施工方案VIP免费

外墙真石漆工程施工方案_第1页
1/17
外墙真石漆工程施工方案_第2页
2/17
外墙真石漆工程施工方案_第3页
3/17
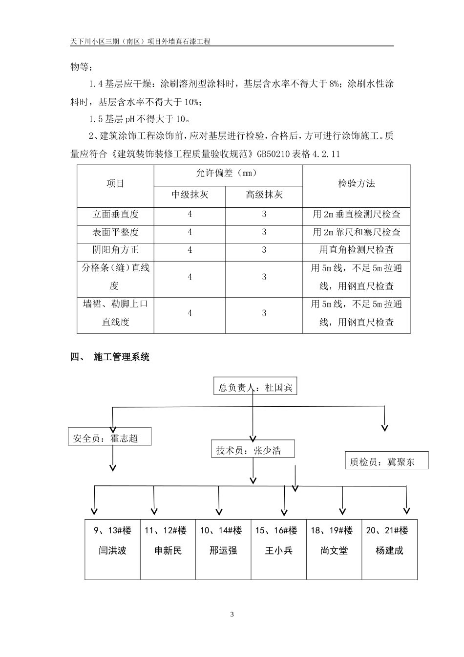
1天下川小区三期(南区)项目外墙真石漆工程天下川小区三期(南区).外墙真石漆项目施工方案编制:张少浩审核:陈体良批准:冀聚东北京房地集团有限公司2017年09月18日一、编制依据1.《建筑施工组织设计规范》GB/T50502-20092.《建筑装饰装修工程质量验收规范》GB50210-20013.《建筑涂饰工程施工及验收规程》JGJ/T29-20154.《建筑施工安全检查标准》JGJ59-20115.《施工现场临时用电安全技术规范》JGJ46—20052天下川小区三期(南区)项目外墙真石漆工程6.《建筑机械使用安全技术规程》JG33-20127.《建筑施工工具式脚手架安全技术规范》JGJ202-20108.本工程建筑施工图9.施工合同及本工程招、投标文件二、工程概况工程名称天下川小区三期(南区)项目建设单位宁夏京能房地产开发有限公司工程地点银川市兴庆区设计单位北京中筑天和建筑设计有限公司工程性质住宅小区监理单位建研凯勃建设工程咨询有限公司建筑面积建筑面积259311.83m2,其中Ⅰ标段138373.48㎡,Ⅱ标段120938.35m2总包单位Ⅰ标段:中铁十六局集团有限公司Ⅱ标段:中国新兴建设开发总公司抗震等级二级质量目标合格,确保“凤凰杯”计划工期2017年10月31号竣工分包单位北京房地集团有限公司单位工程建筑类别总建筑面积(㎡)地上建筑面积(㎡)真石漆施工面积(㎡)地上/施工层数建筑高度(m)Ⅰ标段9#楼一类高层住宅21185.3119521.00约801824F/21F70.8010#楼二类高层住宅17470.8015685.64约826718F/16F53.4013#楼一类高层住宅21185.3119521.00约801824F/21F70.8014#楼二类高层住宅17470.8015685.64约826718F/16F53.4018#楼一类高层商住楼21781.3719720.91约832624F/22F73.7019#楼二类高层商住楼15317.2913453.21约647217F/15F53.40Ⅱ标段11#楼二类高层住宅17470.8015685.64约826718F/16F53.4012#楼二类高层商住楼9540.638558.45约598217F/15F53.4015#楼二类高层住宅17470.8015685.64约826718F/16F53.4016#楼二类高层商住楼17093.6013905.98约678518F/16F53.4020#楼二类高层商住楼15550.1213453.21约647217F/15F53.4021#楼二类高层商住楼15110.0013478.20约723717F/15F53.40三、施工前对基层的要求和标准依据《建筑涂饰工程施工及验收规程》JGJ/T29-2015第4条,基层质量应符合下列规定:1、基层质量应符合下列规定:1.1基层应牢固不开裂、不掉粉、不起砂、不空鼓、无剥离、无石灰爆裂点和无附着力不良的旧涂层等;1.2基层应表面平整、立面垂直、阴阳角方正和无缺棱掉角,分割线应深浅一致且横平竖直;允许偏差应符合现行国家标准《建筑装饰装修工程质量验收规范》GB50210的规定,且表面应平儿而不光;1.3基层应清洁:表面无灰尘、无浮浆、无油迹、无锈斑、无霉点、无盐类析出3天下川小区三期(南区)项目外墙真石漆工程物等;1.4基层应干燥:涂刷溶剂型涂料时,基层含水率不得大于8%;涂刷水性涂料时,基层含水率不得大于10%;1.5基层pH不得大于10。2、建筑涂饰工程涂饰前,应对基层进行检验,合格后,方可进行涂饰施工。质量应符合《建筑装饰装修工程质量验收规范》GB50210表格4.2.11项目允许偏差(mm)检验方法中级抹灰高级抹灰立面垂直度43用2m垂直检测尺检查表面平整度43用2m靠尺和塞尺检查阴阳角方正43用直角检测尺检查分格条(缝)直线度43用5m线,不足5m拉通线,用钢直尺检查墙裙、勒脚上口直线度43用5m线,不足5m拉通线,用钢直尺检查四、施工管理系统总负责人:杜国宾安全员:霍志超技术员:张少浩质检员:冀聚东9、13#楼闫洪波11、12#楼申新民10、14#楼邢运强15、16#楼王小兵18、19#楼尚文堂20、21#楼杨建成4天下川小区三期(南区)项目外墙真石漆工程五、施工前期准备工作1、劳动力计划1.1作好劳动力的培训及技术咨询工作,对所有进场的施工人员进行施工管理教育,所有特殊工种人员必须持证上岗。1.2根据本工程的操作面积及施工进度,合理安排各分项施工人员的进出场,避免施工现场出现人员闲置现象,使整个施工有序进行,施工人员按基层清理、封闭底漆处理、外墙面涂等几部分。合理安排劳动力需用计划。劳动力到场计划如下表:日期现场施工人数2017.9.15302017.9.17502017.9.181002017.9.191502017.9.202...

1、当您付费下载文档后,您只拥有了使用权限,并不意味着购买了版权,文档只能用于自身使用,不得用于其他商业用途(如 [转卖]进行直接盈利或[编辑后售卖]进行间接盈利)。
2、本站所有内容均由合作方或网友上传,本站不对文档的完整性、权威性及其观点立场正确性做任何保证或承诺!文档内容仅供研究参考,付费前请自行鉴别。
3、如文档内容存在违规,或者侵犯商业秘密、侵犯著作权等,请点击“违规举报”。

碎片内容

外墙真石漆工程施工方案

确认删除?
VIP
微信客服
  • 扫码咨询
会员Q群
  • 会员专属群点击这里加入QQ群
客服邮箱
回到顶部