电脑桌面
添加小米粒文库到电脑桌面
安装后可以在桌面快捷访问

外墙保温施工方案(同名18768)VIP免费

外墙保温施工方案(同名18768)_第1页
1/15
外墙保温施工方案(同名18768)_第2页
2/15
外墙保温施工方案(同名18768)_第3页
3/15
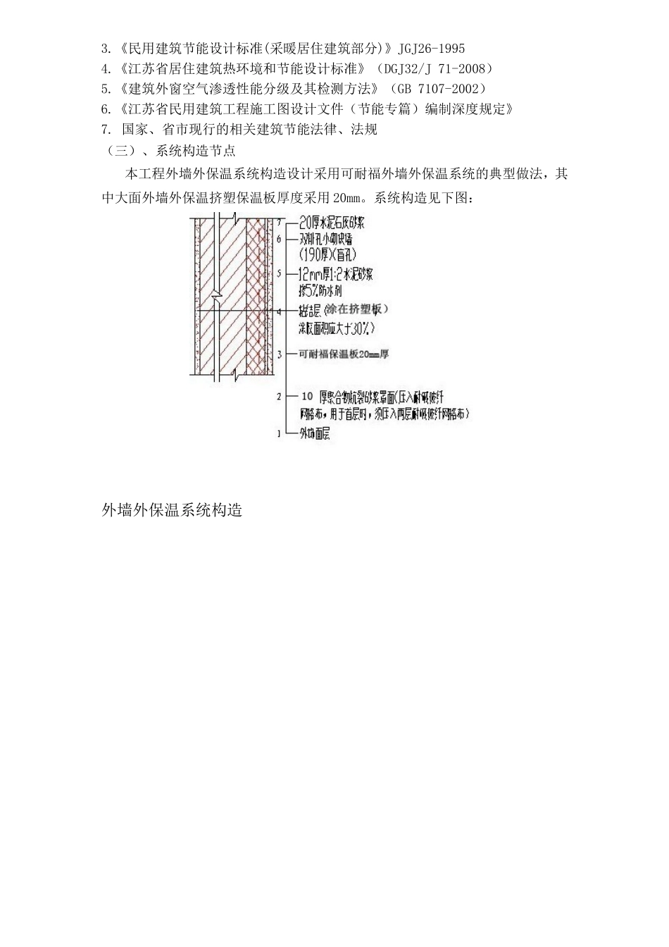
*******小区工程外墙保温专项方案编制人:审核人:审批人:施工单位:日期:年月日(一)、工程概况建筑面积约49523.44㎡。外墙系统达到以下要求:1)外墙系统具备较好的耐侯性、抗风压值、不透水性、抗冲击强度、耐冻融、水蒸气湿流密度等。2)外墙保温层具备连续性、完整性,并具备相关措施,保证保温层的稳定性、抗氧化性。(二)、相关规范1.《民用建筑热工设计规范》GB50176-19932.《夏热冬冷地区居住建筑节能设计标准》JGJ134-20013.《民用建筑节能设计标准(采暖居住建筑部分)》JGJ26-19954.《江苏省居住建筑热环境和节能设计标准》(DGJ32/J71-2008)5.《建筑外窗空气渗透性能分级及其检测方法》(GB7107-2002)6.《江苏省民用建筑工程施工图设计文件(节能专篇)编制深度规定》7.国家、省市现行的相关建筑节能法律、法规(三)、系统构造节点本工程外墙外保温系统构造设计采用可耐福外墙外保温系统的典型做法,其中大面外墙外保温挤塑保温板厚度采用20mm。系统构造见下图:外墙外保温系统构造系统结构图门窗洞口排版图阴角做法阳角做法伸缩缝做法二.劳动力安排(一)劳动力组织安排1、施工人员数量计算及计算依据:依据以往实践经验,一般每人每天完成外墙保温成品(大小工均计)工作量7平方米。2、施工人员组织划分及工位安排正式开工后,在粘贴板材,钻孔安装固定件,挂网及做面层等各道工序要能形成流水作业。这样可以最大限度的提高工作的效率和整体工程质量和进度的控制对于实际情况已现场交接为准。对于每一栋建筑物,施工人员在贴板及抹灰时一般以两人一小工组为宜,所占工位幅面为不含门窗的8—10米,含门窗的5—6米,根据具体情况,另设1—2个2人小组专门从事钻眼及固定件安装工作,另外,特用粘结剂及面层聚合物砂浆最好由专人搅拌及运送,人数根据具体情况而定。工种人数项目经理1技术负责人1现场管理2技术员1安全员2资料员1质量员1抹灰工、油漆工约45小工约8合计54(二)施工机械表施工机械表数量厂家12kg电锤14把博世BOSCH2电热丝切割台0国产3曲线锯0博世BOSCH4电动螺丝刀0博世BOSCH5搅拌机3国产6打磨机0博世BOSCH7分割缝切割机0田岛8挤塑板切割机0田岛9冲击钻头10*160100国产10米字螺旋转头No.310世达11搅拌器3国产12100米拉线盘4…13地拖插座(30米)6…14钢锯10把…15钢锯条2包…16美工刀40把…17刀片10盒…18砂纸No.31000张…19卷尺20把…20吊锤8…21靠尺20…22塞尺2…23墨斗2…24抹子30…25油灰刀20…26阴阳角抿子10套…27铁锤8…28毛刷20…29滚筒40…三、施工方法(一)施工条件:基本要求:施工面、施工环境应具备的条件必须提供符合国家安全规范的施工环境。对施工主体的要求,水泥砂浆找平层已做好,基层墙面应干燥并已验收合格。各种管线、预留孔洞、支架已安装到位。由于薄抹面层外保温系统,抹面层和饰面层尺寸偏差很大程度取决于基层。因此,基层的尺寸偏差必须经多方验收合格。1、对脚手架的要求,符合([建标]JGJ130-2001J84-2001)规范:距墙体距离不大于300㎜,满铺脚手板,安全防护网齐全。2、材料准备材料的验收、存放和运输应符合有关要求,并分类挂牌存放,挤塑板成包平放,聚合物砂浆和界面剂存放要注意防雨防潮,网格布、固定件也应防雨存放。3、水、电到位,办公、仓库、施工队吃住安排妥善。4、基层墙体参照《中华人民共和国行标标准》JGJ144-2004J408-2005的工程验收要求:“薄抹面层外保温系统抹面层和饰面层尺寸偏差取决于基层粘贴尺寸的偏差,由于薄抹面层和饰面层厚度很薄,只有当保温层的尺寸偏差符合《建筑装饰装修工程质量验收规范》GB50210-2001规定时,才能做到抹面层和饰面层尺寸偏差符合规定。保温层的尺寸偏差又与基层有,本规程第5.0.5条已规定,外保温工程的施工应在基层施工质量验收合格后进行。”经过工程验收达到国家验收质量标准的结构承重墙面或非承重墙面在找平层施工完毕后,待找平层干燥并已验收合格,进行外墙保温施工的基层墙面的尺寸偏差应符合表1的规定:GB50210-2001一般抹灰的允许偏差和检查方法项次项目允许偏差(mm)检查方法普通抹灰高级抹灰1立面垂直度43用2m垂直检测尺检查2表面平整度43用2m靠尺和塞尺检查3阴阳角方正43用直角...

1、当您付费下载文档后,您只拥有了使用权限,并不意味着购买了版权,文档只能用于自身使用,不得用于其他商业用途(如 [转卖]进行直接盈利或[编辑后售卖]进行间接盈利)。
2、本站所有内容均由合作方或网友上传,本站不对文档的完整性、权威性及其观点立场正确性做任何保证或承诺!文档内容仅供研究参考,付费前请自行鉴别。
3、如文档内容存在违规,或者侵犯商业秘密、侵犯著作权等,请点击“违规举报”。

碎片内容

外墙保温施工方案(同名18768)

您可能关注的文档

确认删除?
VIP
微信客服
  • 扫码咨询
会员Q群
  • 会员专属群点击这里加入QQ群
客服邮箱
回到顶部