电脑桌面
添加小米粒文库到电脑桌面
安装后可以在桌面快捷访问

外墙抹灰技术交底记录VIP免费

外墙抹灰技术交底记录_第1页
1/5
外墙抹灰技术交底记录_第2页
2/5
外墙抹灰技术交底记录_第3页
3/5
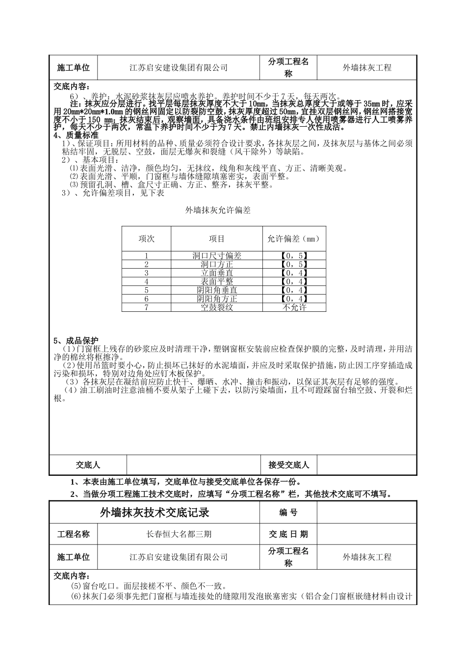
外墙抹灰技术交底记录编号工程名称长春恒大名都三期交底日期施工单位江苏启安建设集团有限公司分项工程名称外墙抹灰工程交底内容:1、施工准备主要材料本工程所有砂浆一律采用预拌干粉砂浆。(并配备相应的干粉砂浆罐,现场只允许在使用时加水搅拌干粉砂浆,不得擅自加入其它拌和料及配料,且现场不得自拌砂浆。)2、作业条件:(1)结构工程全部完成,并经有关部门验收,达到合格标准。(2)抹灰前,应检查门窗框位置是否正确,与墙连接是否牢固,检查连接处缝隙应用专业发泡嵌塞密实(此项工作由门窗厂家施工),墙体线盒及预留口施工完毕,墙体脚手架孔洞等封堵完毕。(3)砖墙、混凝土墙壁、加气砼墙基体表面的灰尘、污垢和油渍等,应清理干净,并洒水湿润。(4)结构施工时墙面上的预留孔洞应提前堵塞严实,将柱、过梁等凸出墙壁面的砼剔平,凹处提前刷净,用水洇透后,再用1:3水泥砂浆分层补衬平;砼穿墙管发泡完成。砼墙面甩浆拉毛完成(5)外墙面抹水泥砂浆,大面积施工前应先做样板,经鉴定合格,并确定施工方法后,再组织施工。(6)施工时使用的吊篮应提前准备好,离开墙面及墙角250mm~300mm,以利抹灰及后期保温操作。(7)抹灰前检查基体表面的平整,以决定其抹灰厚度。抹灰前应在大角的两面、阳台、窗台两侧弹出抹灰层的控制线,以作为打底的依据。(8)专业班组负责人每天需检查现场干粉砂浆罐的储存量情况,及时与项目部主管栋号长沟通并保证材料供应需求。重点:干粉罐每使用半罐时,及时通知项目部栋号长或其他管理人员通知供货厂家,将管内干粉砂浆重新鼓动均匀,使得干粉配比的材料均匀,以保证抹灰质量。3.操作工艺1)、工艺流程:门窗框四周发泡、穿墙眼、脚手眼等孔洞封堵→墙面清理→甩浆拉毛→浇水润湿→吊阴阳角垂直线、套方、抹灰饼、冲筋→弹灰层控制线→基层处理→抹找平层砂浆→养护2)、基层处理:将墙面上残存的砂浆、污垢、灰尘等清理干净,用水浇墙,将砖缝中的尘土冲掉,将墙面润湿。3)甩浆老毛:水泥掺108胶.注重甩浆效果,否则会形成隔离层。拉毛长度3~5mm。甩浆界面处理完成24小时以后,进行喷雾养护,喷雾程度应保持墙面完全湿润,喷雾养护不应少于3天,每天2~3次,干燥、高温及大风季节每天应增加1~2次。4)、垂直、套方找规矩:分别在门窗口角、垛、墙面等处吊垂直,套方抹灰饼,并接灰饼充筋后,在墙面上弹出抹灰灰层控制线;在外墙阴阳角从楼顶部至楼底部挂钢立线,从而在抹灰前调整楼体竖向垂直度。5)、冲筋,抹底层砂浆:采用配合比为1:3水泥砂浆,应分层与所冲筋抹平,大杠横竖刮平,木抹子搓毛,终凝后浇水养护。6)、抹面层(找平)水泥砂浆,砼面15厚,砖面20厚。先用水湿润,抹时使其与底灰粘牢,紧跟着抹罩面灰抹平,并用杠横竖刮平,抹子搓毛,压实。待其表面无明水时,用软毛刷蘸水垂直于地面的同一方向,轻刷一遍,以保证面层灰的颜色一致,避免和减少收缩裂缝。抹灰的施工程序:从上往下,将架子升上去从上往下抹面层砂浆。交底人接受交底人1、本表由施工单位填写,交底单位与接受交底单位各保存一份。2、当做分项工程施工技术交底时,应填写“分项工程名称”栏,其他技术交底可不填写。外墙抹灰技术交底记录编号工程名称长春恒大名都三期交底日期施工单位江苏启安建设集团有限公司分项工程名称外墙抹灰工程交底内容:6)、养护:水泥砂浆抹灰层应喷水养护。养护时间不少于7天,每天两次。注:抹灰应分层进行。找平层每层抹灰厚度不大于10mm,当抹灰总厚度大于或等于35mm时,应采用20mm*20mm*1.0mm的钢丝网固定以防裂防空鼓,抹灰厚度超过50mm,宜挂双层钢丝网,钢丝网搭接宽度不小于150mm;抹灰结束后,观察墙面,具备浇水条件由班组安排专人使用喷雾器进行人工喷雾养护,每天不少于两次,常温下养护时间不少于为7天。禁止内墙抹灰一次性成活。4、质量标准1)、保证项目:所用材料的品种、质量必须符合设计要求,各抹灰层之间,及抹灰层与基体之间必须粘结牢固,无脱层、空鼓,面层无爆灰和裂缝(风干除外)等缺陷。2)、基本项目:⑴表面光滑、洁净,颜色均匀,无抹纹,线角和灰线平直、方正、清晰美观。⑵表面光滑、平...

1、当您付费下载文档后,您只拥有了使用权限,并不意味着购买了版权,文档只能用于自身使用,不得用于其他商业用途(如 [转卖]进行直接盈利或[编辑后售卖]进行间接盈利)。
2、本站所有内容均由合作方或网友上传,本站不对文档的完整性、权威性及其观点立场正确性做任何保证或承诺!文档内容仅供研究参考,付费前请自行鉴别。
3、如文档内容存在违规,或者侵犯商业秘密、侵犯著作权等,请点击“违规举报”。

碎片内容

外墙抹灰技术交底记录

您可能关注的文档

确认删除?
VIP
微信客服
  • 扫码咨询
会员Q群
  • 会员专属群点击这里加入QQ群
客服邮箱
回到顶部