电脑桌面
添加小米粒文库到电脑桌面
安装后可以在桌面快捷访问

型钢对接标准VIP免费

型钢对接标准_第1页
1/13
型钢对接标准_第2页
2/13
型钢对接标准_第3页
3/13
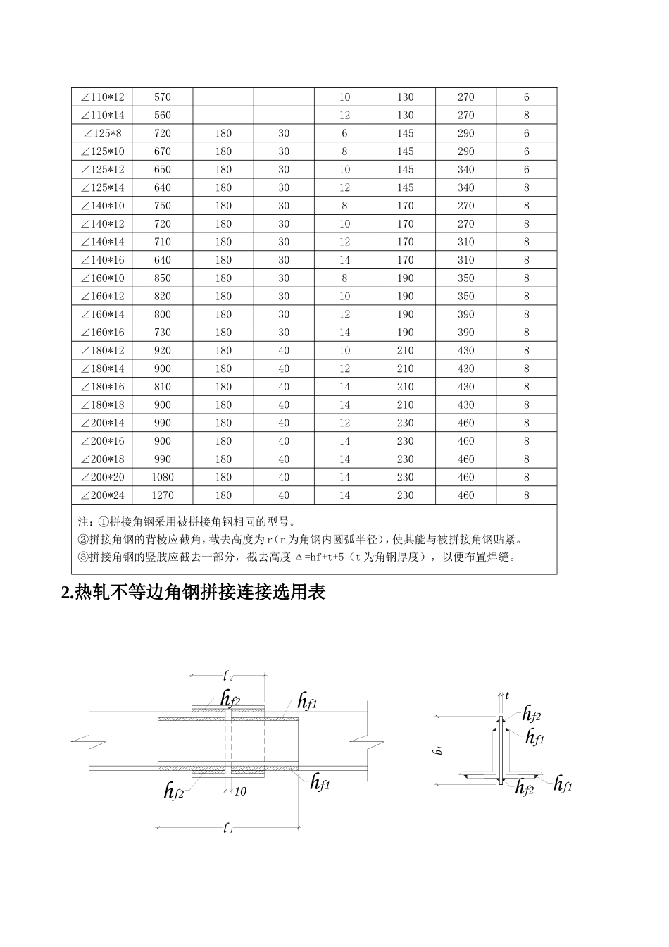
1.热轧等边角钢拼接连接选用表型号拼接角钢垫板l1abhf1b1l2hf2(mm)(mm)∠40*42004601304∠40*52304601304∠45*42204651404∠45*52205651404l210hf1hf1l210hf2hf1hf2hf1l1tb1hf2hf1hf1hf2a10hf1l210hf2hf1hf2hf1l1bb∠45*62206651404∠50*42404701504∠50*52305701504∠50*62406701504∠56*42604801604∠56*52605801604∠56*83306801604∠63*42904851704∠63*52905851704∠63*62906851704∠63*83706851805∠63*103508851805∠70*43204901804∠70*53205901804∠70*63206901804∠70*73706901905∠70*84106901905∠75*53405951605∠75*63506951605∠75*73906952005∠75*84406952005∠75*104108952005∠80*536051002105∠80*637061002105∠80*742061002105∠80*846061002206∠80*1044081002206∠90*641061102006∠90*746061102006∠90*852061102306∠90*1049081102306∠90*12480101102306∠100*645061202106∠100*751061202106∠100*858061202506∠100*1054081202506∠100*12530101202506∠100*14520121202908∠100*16470141202908∠110*756061302206∠110*863061302206∠110*1059081302206∠110*12570101302706∠110*14560121302708∠125*87201803061452906∠125*106701803081452906∠125*1265018030101453406∠125*1464018030121453408∠140*107501803081702708∠140*1272018030101702708∠140*1471018030121703108∠140*1664018030141703108∠160*108501803081903508∠160*1282018030101903508∠160*1480018030121903908∠160*1673018030141903908∠180*1292018040102104308∠180*1490018040122104308∠180*1681018040142104308∠180*1890018040142104308∠200*1499018040122304608∠200*1690018040142304608∠200*1899018040142304608∠200*20108018040142304608∠200*24127018040142304608注:①拼接角钢采用被拼接角钢相同的型号。②拼接角钢的背棱应截角,截去高度为r(r为角钢内圆弧半径),使其能与被拼接角钢贴紧。③拼接角钢的竖肢应截去一部分,截去高度Δ=hf+t+5(t为角钢厚度),以便布置焊缝。2.热轧不等边角钢拼接连接选用表tb1hf2hf1hf1hf2l2l110hf2hf1hf2hf1型号拼接角钢垫板l1abhf1b1(用于长边相连)b2(用于短边相连)l2hf2(mm)(mm)∠40*25*4170460451304∠45*28*4180465501404∠50*32*4200470551504∠56*36*4220475551504∠56*36*5260575551504∠63*40*4250485601704∠63*40*5250585601505∠63*40*6250685601505∠63*40*7280685601505∠70*45*4270490651804∠70*45*5270590651505tb2hf2hf1hf1hf2a10hf1l210hf2hf1hf2hf1l1btb1(b2)hf2hf1hf1hf2b∠70*45*6310590651505∠70*45*7310690651505∠75*50*5290595701605∠75*50*6290695701605∠75*50*8370695702005∠75*50*10350895702005∠80*50*53005100702105∠80*50*63006100702105∠80*50*73406100702105∠80*50*83806100702105∠90*56*53405110752205∠90*56*63406110752006∠90*56*73806110752006∠90*56*84306110752006∠100*63*63706120852106∠100*63*74206120852106∠100*63*84706120852506∠100*63*104508120852506∠100*80*641061201002106∠100*80*746061201002106∠100*80*852061201002506∠100*80*1049081201002506∠110*70*64106130902206∠110*70*74606130902206∠110*70*85206130902706∠110*70*104908130902706∠125*80*75201803061451002906∠125*80*85901803061451002906∠125*80*105601803081451003406∠125*80*1254018030101451003406∠140*90*86601803061701202708∠140*90*106201803081701202708∠140*90*1260018030101701203108∠140*90*1459018030121701203108∠160*100*107001803081901303508∠160*100*1266018030101901303508∠160*100*1466018030121901303908∠160*100*1660018030141901303908∠180*110*107701804082101403808∠180*110*1275018040102101403808∠180*110*1473018040122101404308∠180*110*1666018040142101404308∠200*125*1283018040102301554608∠200*125*1481018040122301554608∠200*125*1674018040142301554608∠200*125*18810180401423015546083.热轧普通...

1、当您付费下载文档后,您只拥有了使用权限,并不意味着购买了版权,文档只能用于自身使用,不得用于其他商业用途(如 [转卖]进行直接盈利或[编辑后售卖]进行间接盈利)。
2、本站所有内容均由合作方或网友上传,本站不对文档的完整性、权威性及其观点立场正确性做任何保证或承诺!文档内容仅供研究参考,付费前请自行鉴别。
3、如文档内容存在违规,或者侵犯商业秘密、侵犯著作权等,请点击“违规举报”。

碎片内容

型钢对接标准

确认删除?
VIP
微信客服
  • 扫码咨询
会员Q群
  • 会员专属群点击这里加入QQ群
客服邮箱
回到顶部