电脑桌面
添加小米粒文库到电脑桌面
安装后可以在桌面快捷访问

空气呼吸器检查保养使用记录表VIP免费

空气呼吸器检查保养使用记录表_第1页
1/7
空气呼吸器检查保养使用记录表_第2页
2/7
空气呼吸器检查保养使用记录表_第3页
3/7
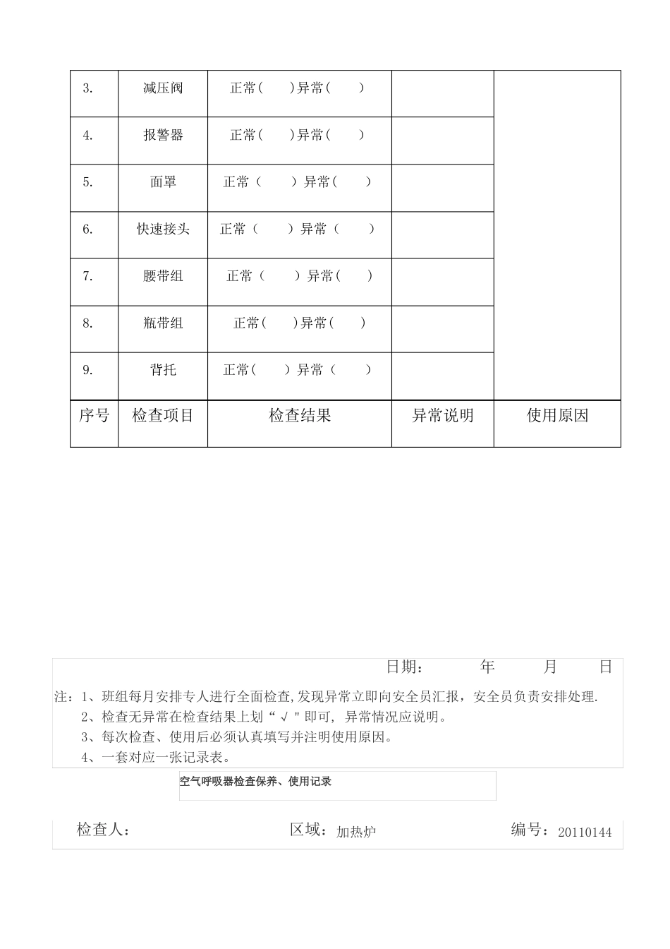
空气呼吸器检查保养、使用记录序号检查项目气瓶压力1.≧18Mpa检查结果异常说明使用原因正常()异常()正常()异常()2.气瓶阀检查人:区域:加热炉编号:201101133.4.5.6.7.8.9.减压阀报警器面罩快速接头腰带组瓶带组背托正常()异常()正常()异常()正常()异常()正常()异常()正常()异常()正常()异常()正常()异常()异常说明使用原因序号检查项目检查结果日期:年月日注:1、班组每月安排专人进行全面检查,发现异常立即向安全员汇报,安全员负责安排处理.2、检查无异常在检查结果上划“√"即可,异常情况应说明。3、每次检查、使用后必须认真填写并注明使用原因。4、一套对应一张记录表。空气呼吸器检查保养、使用记录检查人:区域:加热炉编号:20110144气瓶压力10.≧18Mpa正常()异常()异常说明使用原因11.12.13.14.15.16.17.18.气瓶阀减压阀报警器面罩快速接头腰带组瓶带组背托正常()异常()正常()异常()正常()异常()正常()异常()正常()异常()正常()异常()正常()异常()正常()异常()序号检查项目检查结果日期:年月日注:1、班组每月安排专人进行全面检查,发现异常立即向安全员汇报,安全员负责安排处理。2、检查无异常在检查结果上划“√"即可,异常情况应说明。3、每次检查、使用后必须认真填写并注明使用原因。4、一套对应一张记录表。空气呼吸器检查保养、使用记录检查人:区域:风机房编号:20110111气瓶压力19.≧18Mpa正常()异常()异常说明使用原因20.21.22.23.24.25.26.27.气瓶阀减压阀报警器面罩快速接头腰带组瓶带组背托正常()异常()正常()异常()正常()异常()正常()异常()正常()异常()正常()异常()正常()异常()正常()异常()序号检查项目检查结果日期:年月日注:1、班组每月安排专人进行全面检查,发现异常立即向安全员汇报,安全员负责安排处理。2、检查无异常在检查结果上划“√"即可,异常情况应说明。3、每次检查、使用后必须认真填写并注明使用原因。4、一套对应一张记录表。空气呼吸器检查保养、使用记录检查人:区域:风机房编号:20110104气瓶压力28.≧18Mpa正常()异常()异常说明使用原因29.30.31.32.33.34.35.36.气瓶阀减压阀报警器面罩快速接头腰带组瓶带组背托正常()异常()正常()异常()正常()异常()正常()异常()正常()异常()正常()异常()正常()异常()正常()异常()序号检查项目检查结果日期:年月日注:1、班组每月安排专人进行全面检查,发现异常立即向安全员汇报,安全员负责安排处理.2、检查无异常在检查结果上划“√"即可,异常情况应说明。3、每次检查、使用后必须认真填写并注明使用原因。4、一套对应一张记录表。空气呼吸器检查保养、使用记录检查人:区域:调度室编号:KL170128气瓶压力37.≧18Mpa正常()异常()异常说明使用原因38.39.40.41.42.43.44.45.气瓶阀减压阀报警器面罩快速接头腰带组瓶带组背托正常()异常()正常()异常()正常()异常()正常()异常()正常()异常()正常()异常()正常()异常()正常()异常()序号检查项目检查结果日期:年月日注:1、班组每月安排专人进行全面检查,发现异常立即向安全员汇报,安全员负责安排处理。2、检查无异常在检查结果上划“√"即可,异常情况应说明。3、每次检查、使用后必须认真填写并注明使用原因。4、一套对应一张记录表。空气呼吸器检查保养、使用记录检查人:区域:调度室编号:KL170129气瓶压力46.≧18Mpa正常()异常()47.48.49.50.51.52.53.54.气瓶阀减压阀报警器面罩快速接头腰带组瓶带组背托正常()异常()正常()异常()正常()异常()正常()异常()正常()异常()正常()异常()正常()异常()正常()异常()日期:年月日注:1、班组每月安排专人进行全面检查,发现异常立即向安全员汇报,安全员负责安排处理.2、检查无异常在检查结果上划“√"即可,异常情况应说明。3、每次检查、使用后必须认真填写并注明使用原因.4、一套对应一张记录表。

1、当您付费下载文档后,您只拥有了使用权限,并不意味着购买了版权,文档只能用于自身使用,不得用于其他商业用途(如 [转卖]进行直接盈利或[编辑后售卖]进行间接盈利)。
2、本站所有内容均由合作方或网友上传,本站不对文档的完整性、权威性及其观点立场正确性做任何保证或承诺!文档内容仅供研究参考,付费前请自行鉴别。
3、如文档内容存在违规,或者侵犯商业秘密、侵犯著作权等,请点击“违规举报”。

碎片内容

空气呼吸器检查保养使用记录表

确认删除?
VIP
微信客服
  • 扫码咨询
会员Q群
  • 会员专属群点击这里加入QQ群
客服邮箱
回到顶部