电脑桌面
添加小米粒文库到电脑桌面
安装后可以在桌面快捷访问

洪都中学麻丘中学等高一化学上学期期末联考试题-人教版高一化学试题VIP免费

洪都中学麻丘中学等高一化学上学期期末联考试题-人教版高一化学试题_第1页
1/8
洪都中学麻丘中学等高一化学上学期期末联考试题-人教版高一化学试题_第2页
2/8
洪都中学麻丘中学等高一化学上学期期末联考试题-人教版高一化学试题_第3页
3/8
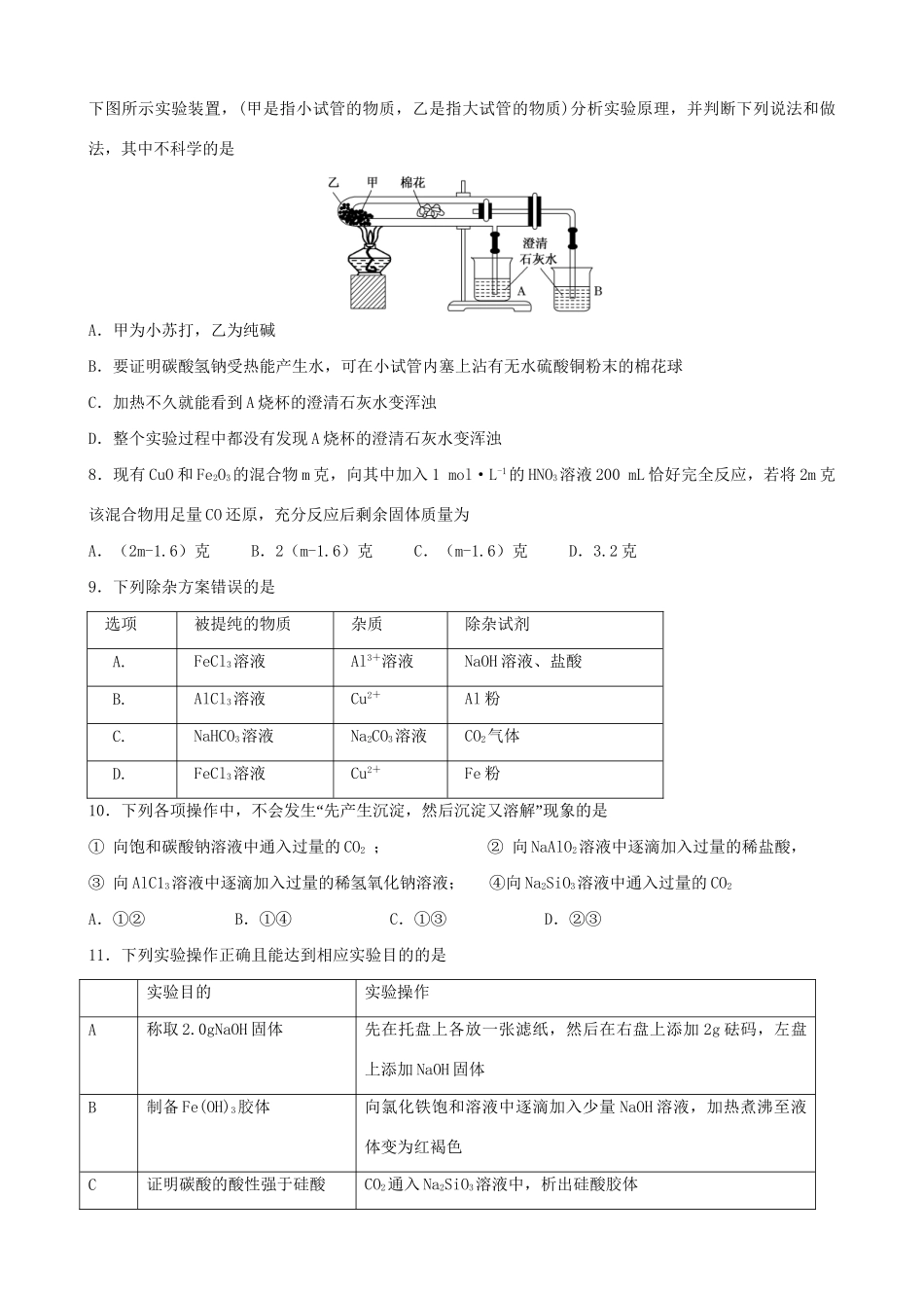
-学年度第一学期期末联考高一化学测试卷相对原子质量H-1O-16Na-23Al-27Fe-56Cu-64S-32Cl-35.5一、选择题(每题只有一个选项,共48分)1.在生产和生活中应用的化学知识正确的是A.碳酸钠在医疗上是治疗胃酸过多的一种药剂B.盐酸、漂白粉属于混合物,而液氯、水玻璃均属于纯净物C.玻璃、水泥、水晶项链都是硅酸盐制品D.发酵粉中主要含有碳酸氢钠,能使焙制出的糕点疏松多孔2.设NA为阿伏加德罗常数的值。下列说法正确的是A.0.1mol·L-1NaOH溶液中Na+的数目为0.1NAB.标准状况下,2.24LCCl4中的分子数目为0.1NAC.0.1molNa2O2与足量CO2反应转移的电子数目为0.1NAD.3.2gO2和O3的混合物含有的分子数目为0.1NA3.表示下列反应的离子方程式正确的是A.金属钠加入到CuSO4溶液中:2Na+Cu2+===Cu+2Na+B.金属铝加入到NaOH溶液中:Al+2OH-+H2O===AlO+2H2↑C.铁粉加入到FeCl3溶液中:Fe+2Fe3+===3Fe2+D.铜片插入到AgNO3溶液中:Cu+Ag+===Cu2++Ag4.赤铜矿的主要成分是Cu2O,辉铜矿的主要成分是Cu2S,将赤铜矿与辉铜矿混合加热发生以下反应:Cu2S+2Cu2O==6Cu+SO2↑,关于该反应的说法中,正确的是A.Cu2S在反应中既是氧化剂,又是还原剂B.该反应的氧化剂只有Cu2OC.Cu既是氧化产物又是还原产物D.每生成19.2gCu,反应中转移1.8mol电子5.下列单质或化合物性质的描述正确的是A.食品包装中常放入有硅胶和铁粉的小袋,防止食物受潮和氧化变质B.Na2O、Na2O2组成元素相同,与CO2反应产物也相同C.SiO2与酸、碱均能反应,属于两性氧化物D.新制氯水显酸性,向其中滴加少量紫色石蕊试液,充分振荡后溶液呈红色6.下列物质中不能用化合反应的方法制得的是①SiO2;②H2SiO3;③Na2O2;④Al(OH)3;⑤FeCl3;⑥CaSiO3A.②⑤B.②④C.①③⑤D.②④⑥7.下列是某兴趣小组根据教材实验设计的一个能说明碳酸钠与碳酸氢钠热稳定性的套管实验。请观察如下图所示实验装置,(甲是指小试管的物质,乙是指大试管的物质)分析实验原理,并判断下列说法和做法,其中不科学的是A.甲为小苏打,乙为纯碱B.要证明碳酸氢钠受热能产生水,可在小试管内塞上沾有无水硫酸铜粉末的棉花球C.加热不久就能看到A烧杯的澄清石灰水变浑浊D.整个实验过程中都没有发现A烧杯的澄清石灰水变浑浊8.现有CuO和Fe2O3的混合物m克,向其中加入1mol·L-1的HNO3溶液200mL恰好完全反应,若将2m克该混合物用足量CO还原,充分反应后剩余固体质量为A.(2m-1.6)克B.2(m-1.6)克C.(m-1.6)克D.3.2克9.下列除杂方案错误的是选项被提纯的物质杂质除杂试剂A.FeCl3溶液Al3+溶液NaOH溶液、盐酸B.AlCl3溶液Cu2+Al粉C.NaHCO3溶液Na2CO3溶液CO2气体D.FeCl3溶液Cu2+Fe粉10“”.下列各项操作中,不会发生先产生沉淀,然后沉淀又溶解现象的是①向饱和碳酸钠溶液中通入过量的CO2;②向NaAlO2溶液中逐滴加入过量的稀盐酸,③向AlC13溶液中逐滴加入过量的稀氢氧化钠溶液;④向Na2SiO3溶液中通入过量的CO2A.①②B.①④C.①③D.②③11.下列实验操作正确且能达到相应实验目的的是实验目的实验操作A称取2.0gNaOH固体先在托盘上各放一张滤纸,然后在右盘上添加2g砝码,左盘上添加NaOH固体B制备Fe(OH)3胶体向氯化铁饱和溶液中逐滴加入少量NaOH溶液,加热煮沸至液体变为红褐色C证明碳酸的酸性强于硅酸CO2通入Na2SiO3溶液中,析出硅酸胶体D萃取碘水中的碘将碘水倒入分液漏斗,然后再注入酒精,振荡,静置分层后,下层液体从下口放出,上层液体从上口倒出12.把4.6g钠放入100mL、0.1mol·L-1AlCl3溶液中,待其充分反应后(水蒸发不计),下列叙述中错误的是A.溶液仍有浑浊B.Cl-浓度不变C.溶液中几乎不存在Al3+D.溶液中存在最多的离子是Na+13.下表各选项中,不能利用置换反应通过Y得到W的一组化合物是选项化合物ABCDYCuOH2OSiO2FeCl3WH2OFe3O4COCuCl214.下列有关离子的检验方法一定正确的是A.向某溶液中滴加BaCl2溶液,若有白色沉淀,再滴加足量稀HNO3,若沉淀不溶解,则说明原溶液中一定含Ag+B.向某溶液中滴加KSCN溶液,若溶液出现血红色则说明原溶液中含Fe3+C.向某溶液中滴加足量稀HCl,产生的气体能使澄清石灰水变...

1、当您付费下载文档后,您只拥有了使用权限,并不意味着购买了版权,文档只能用于自身使用,不得用于其他商业用途(如 [转卖]进行直接盈利或[编辑后售卖]进行间接盈利)。
2、本站所有内容均由合作方或网友上传,本站不对文档的完整性、权威性及其观点立场正确性做任何保证或承诺!文档内容仅供研究参考,付费前请自行鉴别。
3、如文档内容存在违规,或者侵犯商业秘密、侵犯著作权等,请点击“违规举报”。

碎片内容

洪都中学麻丘中学等高一化学上学期期末联考试题-人教版高一化学试题

文章天下+ 关注
实名认证
内容提供者

各种文档应有尽有

确认删除?
VIP
微信客服
  • 扫码咨询
会员Q群
  • 会员专属群点击这里加入QQ群
客服邮箱
回到顶部