电脑桌面
添加小米粒文库到电脑桌面
安装后可以在桌面快捷访问

第1讲 化学实验基础知识和技能VIP免费

第1讲 化学实验基础知识和技能_第1页
1/27
第1讲 化学实验基础知识和技能_第2页
2/27
第1讲 化学实验基础知识和技能_第3页
3/27
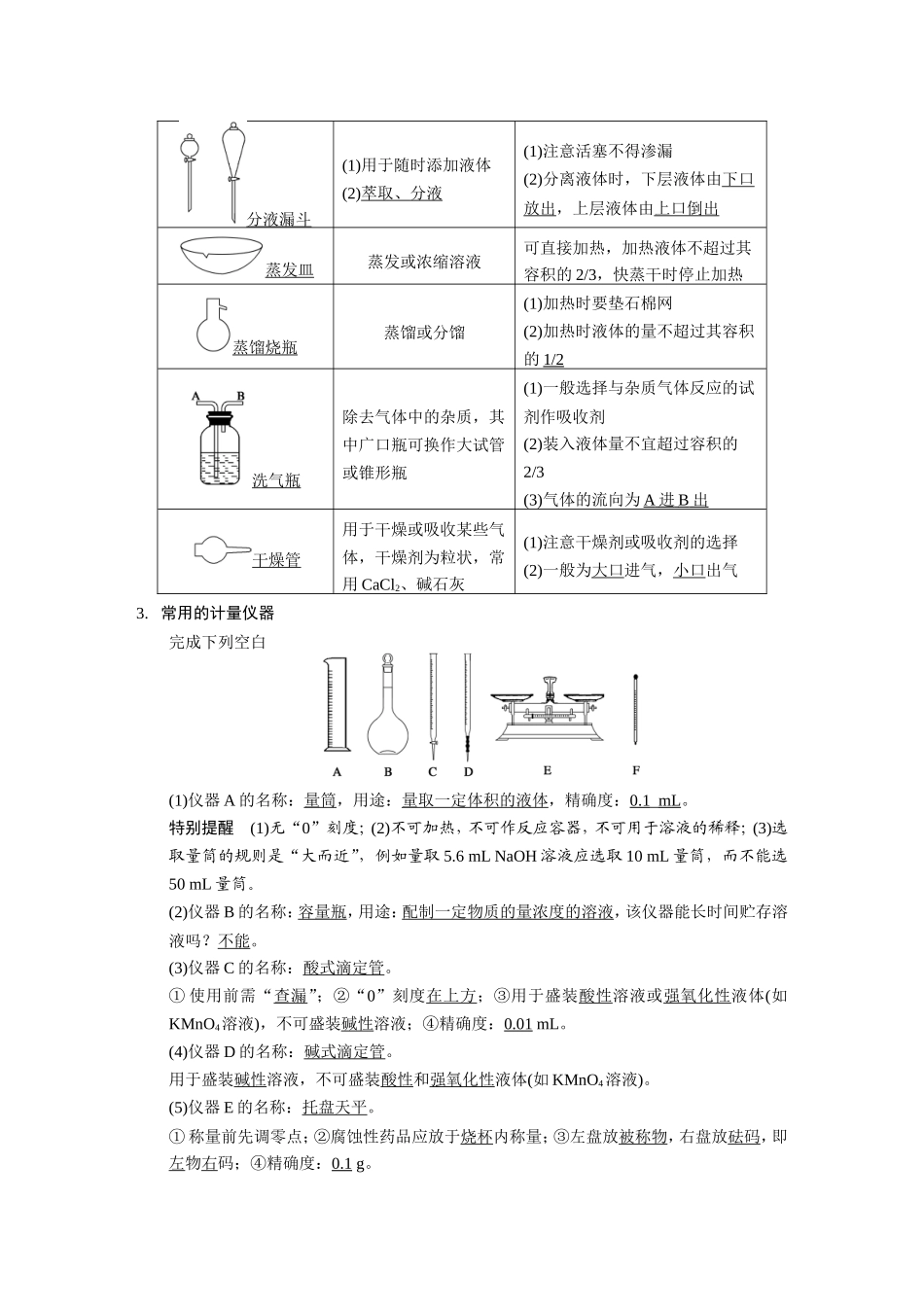
第1讲化学实验基础知识和技能[考纲要求]1.知道化学实验常用仪器的主要用途和使用方法。2.掌握化学实验的基本操作,能识别药品安全使用标识。3.了解实验室一般事故的预防和处理方法。考点一常用化学仪器的识别与使用1.可加热的仪器(1)直接加热的仪器①试管a.给液体加热时液体的体积不超过试管容积的。b.加热固体时试管口应略向下倾斜。②蒸发皿:蒸发浓缩溶液时要用玻璃棒搅拌,液体体积不超过容积的。③坩埚:用于灼烧固体,移动、使用时要用坩埚钳夹取。(2)间接(垫石棉网)加热的仪器①烧杯:溶解固体时需用玻璃棒搅拌,加热液体时,液体体积不超过容积的。②圆底烧瓶:使用时液体的体积为烧瓶容积的~。③锥形瓶:滴定时液体不超过容积的。2.常用分离、提纯仪器仪器主要用途使用方法和注意事项普通漏斗(1)向小口容器中转移液体(2)加滤纸后,可过滤液体(1)制作过滤器时,滤纸紧贴漏斗内壁,用水润湿,注意不得留有气泡(2)滤纸上缘低于漏斗边缘,液体低于滤纸边缘分液漏斗(1)用于随时添加液体(2)萃取、分液(1)注意活塞不得渗漏(2)分离液体时,下层液体由下口放出,上层液体由上口倒出蒸发皿蒸发或浓缩溶液可直接加热,加热液体不超过其容积的2/3,快蒸干时停止加热蒸馏烧瓶蒸馏或分馏(1)加热时要垫石棉网(2)加热时液体的量不超过其容积的1/2洗气瓶除去气体中的杂质,其中广口瓶可换作大试管或锥形瓶(1)一般选择与杂质气体反应的试剂作吸收剂(2)装入液体量不宜超过容积的2/3(3)气体的流向为A进B出干燥管用于干燥或吸收某些气体,干燥剂为粒状,常用CaCl2、碱石灰(1)注意干燥剂或吸收剂的选择(2)一般为大口进气,小口出气3.常用的计量仪器完成下列空白(1)仪器A的名称:量筒,用途:量取一定体积的液体,精确度:0.1_mL。特别提醒(1)无“0”刻度;(2)不可加热,不可作反应容器,不可用于溶液的稀释;(3)选取量筒的规则是“大而近”,例如量取5.6mLNaOH溶液应选取10mL量筒,而不能选50mL量筒。(2)仪器B的名称:容量瓶,用途:配制一定物质的量浓度的溶液,该仪器能长时间贮存溶液吗?不能。(3)仪器C的名称:酸式滴定管。①使用前需“查漏”;②“0”刻度在上方;③用于盛装酸性溶液或强氧化性液体(如KMnO4溶液),不可盛装碱性溶液;④精确度:0.01mL。(4)仪器D的名称:碱式滴定管。用于盛装碱性溶液,不可盛装酸性和强氧化性液体(如KMnO4溶液)。(5)仪器E的名称:托盘天平。①称量前先调零点;②腐蚀性药品应放于烧杯内称量;③左盘放被称物,右盘放砝码,即左物右码;④精确度:0.1g。(6)仪器F的名称:温度计。①测反应混合物的温度时:应将温度计插入混合物中,温度计的水银球不能接触容器内壁,如测定物质的溶解度、实验室中制乙烯及中和热的测定;②测蒸气的温度时,水银球应在液面以上;测馏分温度时,水银球应略低于蒸馏烧瓶支管口处。深度思考1.上述常用仪器中使用前必须检查是否漏水的有哪些?答案必须检查是否漏水的有分液漏斗、容量瓶、酸式滴定管和碱式滴定管。2.用干燥管作干燥器干燥H2时应选择何种干燥剂?选浓H2SO4可以吗?答案应选碱石灰、CaO或NaOH固体等。浓H2SO4也可以。3.如图所示,读数时同样是仰视,引起的读数误差相同吗?____________________。答案不同,A图读数偏大,B图读数偏小。题组一常用仪器的识别1.有如图所示A、B、C、D四种仪器:请选择下列仪器名称的序号,填入相应的横线上:①烧杯②碱式滴定管③圆底烧瓶④锥形瓶⑤分液漏斗⑥酸式滴定管A:________B:________C:________D:________。答案③⑤④⑥2.下列仪器中,在灼烧固体物质时必须用到的仪器是______________________________。(填名称)答案坩埚、泥三角题组二常用仪器使用注意事项3.下列有关仪器用途的说法中正确的是()A.试管、烧杯均可用于给液体、固体加热B.使食盐水中NaCl结晶析出时,常用到的仪器有坩埚、酒精灯、玻璃棒、泥三角C.区别NaCl、Na2SO4时常用到胶头滴管、试管D.漏斗可用于过滤及向滴定管中添加溶液答案C解析烧杯只能用于给液体加热,A错;使食盐水中NaCl晶体析出的方法通常是蒸发浓缩、冷却结晶,使用的仪器应是蒸发皿而不是坩埚,B错;由于物质鉴别所用试剂量较...

1、当您付费下载文档后,您只拥有了使用权限,并不意味着购买了版权,文档只能用于自身使用,不得用于其他商业用途(如 [转卖]进行直接盈利或[编辑后售卖]进行间接盈利)。
2、本站所有内容均由合作方或网友上传,本站不对文档的完整性、权威性及其观点立场正确性做任何保证或承诺!文档内容仅供研究参考,付费前请自行鉴别。
3、如文档内容存在违规,或者侵犯商业秘密、侵犯著作权等,请点击“违规举报”。

碎片内容

第1讲 化学实验基础知识和技能

黄金阁书苑+ 关注
实名认证
内容提供者

热爱教学事业,对互联网知识分享很感兴趣

相关文档

确认删除?
VIP
微信客服
  • 扫码咨询
会员Q群
  • 会员专属群点击这里加入QQ群
客服邮箱
回到顶部