电脑桌面
添加小米粒文库到电脑桌面
安装后可以在桌面快捷访问

曲周县第一中学高一物理上学期期中联考试题-人教版高一物理试题VIP免费

曲周县第一中学高一物理上学期期中联考试题-人教版高一物理试题_第1页
1/7
曲周县第一中学高一物理上学期期中联考试题-人教版高一物理试题_第2页
2/7
曲周县第一中学高一物理上学期期中联考试题-人教版高一物理试题_第3页
3/7
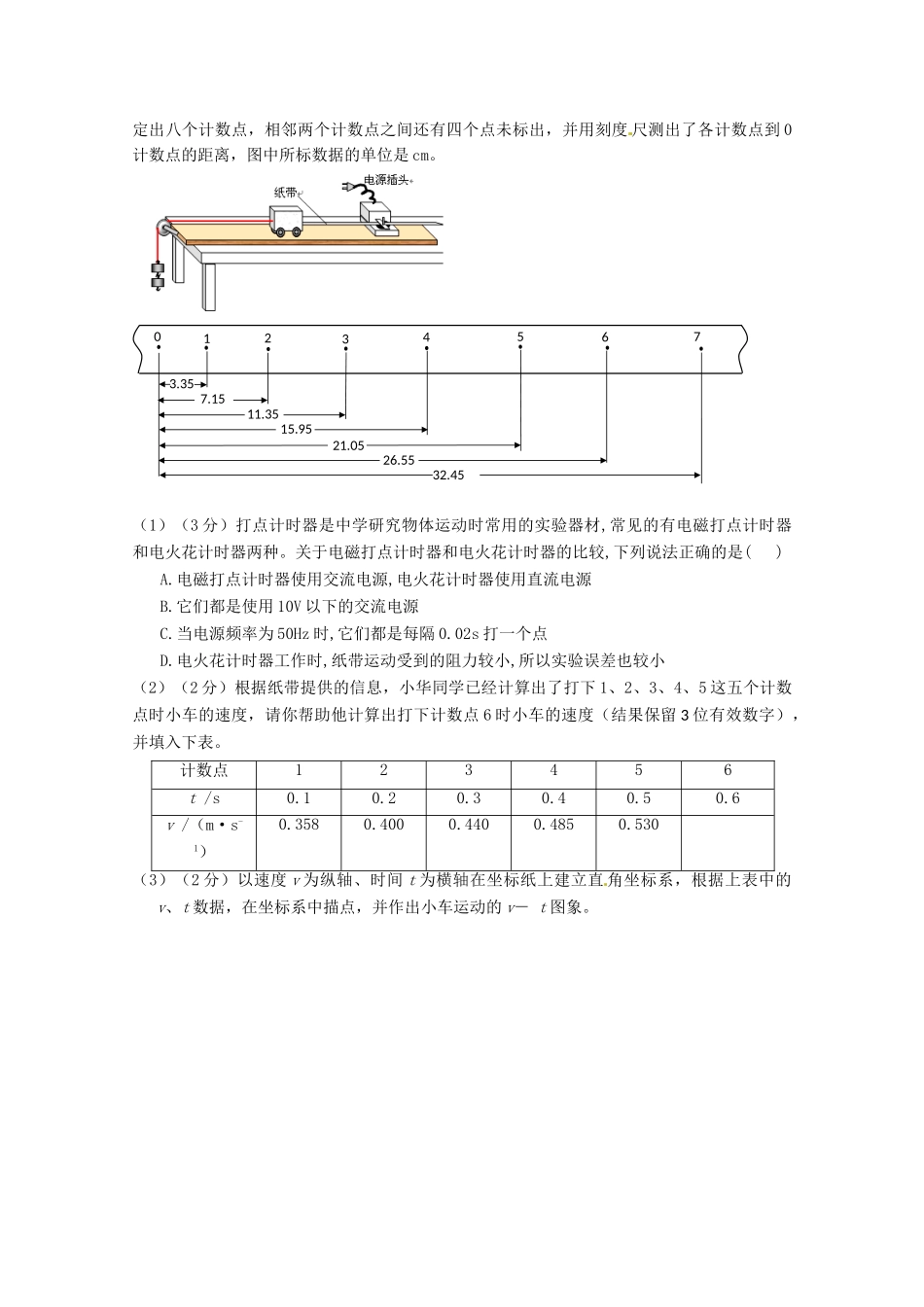
河北省邯郸市魏县第一中学、曲周县第一中学-学年高一物理上学期期中联考试题一、选择题(每题4分,共13题52分。1-9题为单选,10-13题为多选题选对选不全的2分,错选多选0分)1、最早对自由落体运动进行科学的研究,否定了亚里士多德错误论断的科学家是()A.伽利略B.牛顿C.开普勒D.胡克2.在研究下述运动时,能把物体看做质点的是()A.研究飞往火星的宇宙飞船张开太阳能电池板B.研究飞机从邯郸飞往哈尔滨的行程C.研究乒乓球运动员打出的旋球D.观赏花样游泳运动员的花样游泳3.我校进行100米比赛是时,李明在发令枪响时以6m/s的速度起跑,在50米处时的速度为7.9m/s,在6.25s时的速度为9.2m/s,在12.5s撞线时的速度为9.6m/s,则李明的平均速度为()A;7.9m/sB;9.2m/sC;7.8m/sD;8.0m/s4.如图所示,飞行员跳伞后飞机上的其他飞行员(甲)和地面上的人(乙)观察跳伞飞行员的运动后,引发了对跳伞飞行员运动状况的争论,下列说法正确的是()A.甲、乙两人的说法中必有一个是错误的B.他们的争论是由于选择的参考系不同而引起的C.研究物体运动时不一定要选择参考系D.参考系的选择只能是相对于地面静止的物体5.两物体A、B从同一位置出发,如图所示为两物体作直线运动时的图像,但纵坐标表示的物理量未标出,则以下判断不正确的是()A.若纵坐标表示位移,则A质点以2m/s的速度匀速运动B.若纵坐标表示位移,B质点先沿正方向做直线运动,后沿负方向做直线运动C.若纵坐标表示速度,则B物体加速度先减小再增加D.若纵坐标表示速度,则在t=4s时刻,两物体相遇6.一枚火箭由地面竖直向上发射,其v-t图象如右图所示,由图象可知()A.0~t1时间内火箭的加速度小于t1~t2时间内火箭的加速度B.在0~t2时间内火箭上升,t2~t3时间内火箭下落C.t2时刻火箭离地面最远D.t3时刻火箭回到地面7.一个物体放在水平地面上,下列关于物体和地面受力情况的叙述中正确的是()A.地面受到了向下的弹力是因为地面发生了形变B.地面受到了向上的弹力是因为物体发生了形变C.物体受到了向上的弹力是因为地面发生了形变D.物体受到了向下的弹力是因为物体发生了形变8.一物体以6m/s的速度沿一光滑倾斜木板从底端向上滑行,经过2s后,物体仍向上滑行,速度大小为1m/s,若增大木板倾角,仍使物体以6m/s的速度从底端向上滑行,经过2s后,物体向下滑行,其速度大小变为1m/s,以沿木板向上为正方向,用a1、a2分别表示物体在前后两种情况下的加速度,则以下选项正确的是()A.a1=-2.5m/s2,a2=-2.5m/s2B.a1=-3.5m/s2,a2=-3.5m/s2C.a1=-2.5m/s2,a2=-3.5m/s2D.a1=3.5m/s2,a2=-3.5m/s29.在真空中,将苹果和羽毛同时从同一高度由静止释放,下列频闪照片中符合事实的是()10、某物体的运动规律如图所示,下列说法中正确的是()A.物体在第2s末运动方向发生变化B.第2s内、第3s内的加速度方向是相同的C.物体在第2s内返回出发点D.在这7s内物体的加速度不变,向正方向运动1m11、做匀变速直线运动的物体的速度v随位移x的变化规律为,v与x的单位分别为m/s和m,据此可知()A.初速度B.初速度V0=2m/sC.加速度D.加速度12空降兵某部官兵使用新装备进行超低空跳伞训练。若跳伞空降兵在离地面224m—高处由静止开始在竖直方向做自由落体运动。段时间后立即打开降落伞,以12.5m/s2的平均加速度匀减速下降。为了空降兵的安全,要求空降兵落地速度最大不得超过5m/s(g取10m/s2)。则()A.空降兵展开伞时离地面高度至少为125mB.空降兵展开伞时离地面高度至少为99mC.空降兵落地落地相当于从1.25m高处自由落下D.空降兵落地落地相当于从2.5m高处自由落下13.如图所示,物体自O点由静止开始做匀加速直线运动,A、B、C、D为其运动轨迹上的四点,测得AB=2m,BC=3m。且物体通过AB、BC、CD所用的时间相等,则下列说法正确的是()A.可以求出物体加速度的大小B.可以求得CD=4mC.可以求得OA之间的距离为1.125mD.可以求得OB之间的距离为12.5m二、实验题(共两题19分)14.(13分)小华“”同学在做研究匀变速直线运动实验中,将打点计时器固定在某处,在绳子拉力的作用下小车拖着穿过打点计时器的纸带在水平木板上运动,如图所示。由打点计时器得到表示小车运...

1、当您付费下载文档后,您只拥有了使用权限,并不意味着购买了版权,文档只能用于自身使用,不得用于其他商业用途(如 [转卖]进行直接盈利或[编辑后售卖]进行间接盈利)。
2、本站所有内容均由合作方或网友上传,本站不对文档的完整性、权威性及其观点立场正确性做任何保证或承诺!文档内容仅供研究参考,付费前请自行鉴别。
3、如文档内容存在违规,或者侵犯商业秘密、侵犯著作权等,请点击“违规举报”。

碎片内容

曲周县第一中学高一物理上学期期中联考试题-人教版高一物理试题

您可能关注的文档

确认删除?
VIP
微信客服
  • 扫码咨询
会员Q群
  • 会员专属群点击这里加入QQ群
客服邮箱
回到顶部