电脑桌面
添加小米粒文库到电脑桌面
安装后可以在桌面快捷访问

建筑行业玉溪施工组织设计定稿(5章) VIP免费

建筑行业玉溪施工组织设计定稿(5章) _第1页
1/8
建筑行业玉溪施工组织设计定稿(5章) _第2页
2/8
建筑行业玉溪施工组织设计定稿(5章) _第3页
3/8
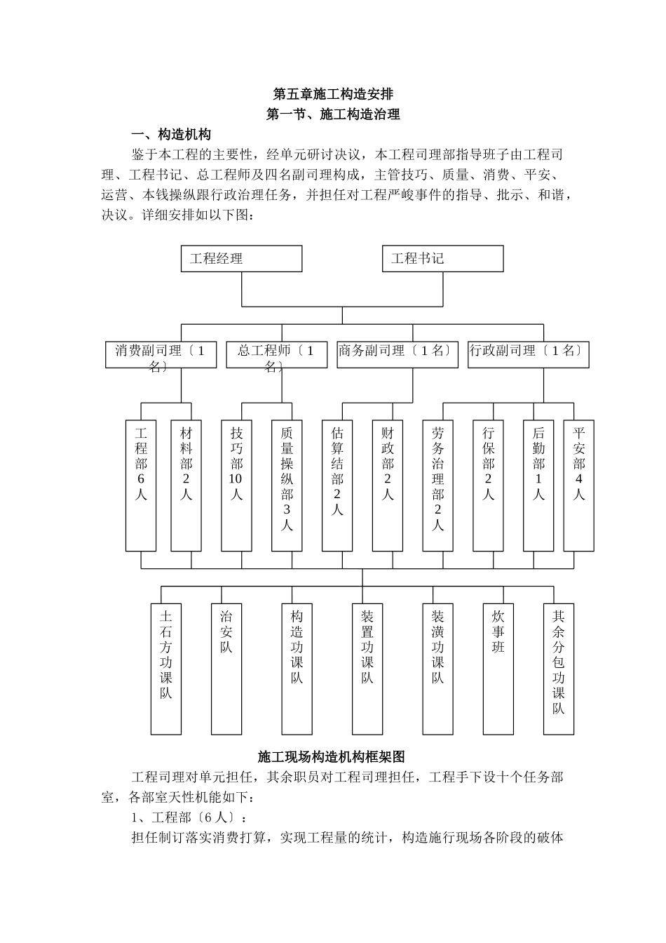
第五章施工构造安排第一节、施工构造治理一、构造机构鉴于本工程的主要性,经单元研讨决议,本工程司理部指导班子由工程司理、工程书记、总工程师及四名副司理构成,主管技巧、质量、消费、平安、运营、本钱操纵跟行政治理任务,并担任对工程严峻事件的指导、批示、和谐,决议。详细安排如以下图:施工现场构造机构框架图工程司理对单元担任,其余职员对工程司理担任,工程手下设十个任务部室,各部室天性机能如下:1、工程部〔6人〕:担任制订落实消费打算,实现工程量的统计,构造施行现场各阶段的破体工程经理商务副司理〔1名〕总工程师〔1名〕消费副司理〔1名〕工程书记行政副司理〔1名〕财政部2人材料部2人技巧部10人质量操纵部3人劳务治理部2人行保部2人土石方功课队构造功课队装置功课队装潢功课队其余分包功课队后勤部1人估算结部2人工程部6人炊事班治安队平安部4人安排、消费打算、平安文化施工及休息力、工程质量等种种施工要素的一样平常治理。由部长、调理员、统计员及电工、机器职员构成,对消费副司理担任。2、材料部〔2人〕:担任工程物质跟施工机具的置办、搬运、储存,体例并施行物质运用打算,监视操纵现场种种物质运用情况,维修颐养施工机具等。由部长、打算员、推销员、保存员构成对工程司理担任。3、平安部〔4人〕:担任平安防护、消防保卫、环保环卫等任务。由部长、治理员、平安员、保卫做事构成,对行政副司理担任。4、技巧部〔10人〕:担任体例跟贯彻施工构造打算、施工打算,进展技巧交底,构造技巧培训,操持工程变卦卡颈项、聚拢拾掇工程技巧材料,构造物质测验跟施工实验,反省监视工程质量,调剂工序抵触,并实时处理施工中呈现的所有技巧征询题,由部长、技巧员、材料员、实验员、丈量员、计量员构成,对总工程师担任。5、质量操纵部〔3人〕:担任施工质量次序的治理任务,监视反省工程施工质量,体例、搜集、拾掇工程施工质量验收记载等施人为料,由部长、质检员构成,对总工程师担任。6、预结算部〔2人〕:担任体例跟签订种种劳务分包条约、专业分包条约及工程其余合约,由商务司理对工程司理担任。7、财政部〔2人〕:担任体例工程报价、决算、工程款接纳、一样平常财政治理、工程本钱核算、资金治理、分包条约治理等任务,由部长、管帐员、出纳员构成,对运营副司理担任。8、劳务治理部〔2人〕:担任协助工程司理制订月消费打算跟周消费打算进度安排,以及估算定额工日跟人为含量支出,断定工人休息效益,担任在工程施工进程平分部、分项休息什物量计件承包任务;担任功课班组的结算、人为、奖金发放任务;担任在工程施工进程中的休息力调出、调入跟与工长、施工职员构造任务,由部长跟劳资职员构成,对工程司理担任。9、后勤部〔1人〕:担任全部工程的后勤任务,包含职工生涯区、办公区、食堂的治理等后勤任务,由部长、治理员构成,对工程司理担任。10、行保部〔2人〕:担任工程行政跟保卫任务,和谐表里关联、保障工程各任务顺遂进展,对行政副司理担任。二、质量治理系统及分工1、质量治理系统构造构造框架图见以下图:2、质量治理指导小组:为了确保工程质量目的的实现,现场成破了质量治理指导小组,其组长跟成员如下:组长:工程司理副组长:消费副司理、总工程师成员:质检员、技巧员、工长、材料员等3、质量治理零碎〔见以下图〕XXX建破工程质量监视站业主监理工程经理部施工单位质量消费技术现场治理工长专业技巧测量实验施工队伍施工质量治理零碎框架图第二节、质量及治理目的一、质量目的确保云南省“省优〞工程。二、施工现场治理目的确保玉溪市文化平安工地。三、总包、分包和谐工程部按照施工条约制订年度、月度、及周进度打算,上报甲方、打算、监理并转发给其余分包单元,逐日下战书构造各分包单元召开见面会,总结当日跟前一段时代的进度、质量等各方面的情况,并提出越日及下一步进度、质量恳求。第三节、施工总破体安排一、生涯办公区设置施工现场围挡按单元CI抽象设置,临时路途硬化,办公、生涯、消费临工程经理总工程师消费副经理工程部技巧部质量部材料部钢筋工长模板工长砼工长技巧员丈量员材料员质检员平安救火员机...

1、当您付费下载文档后,您只拥有了使用权限,并不意味着购买了版权,文档只能用于自身使用,不得用于其他商业用途(如 [转卖]进行直接盈利或[编辑后售卖]进行间接盈利)。
2、本站所有内容均由合作方或网友上传,本站不对文档的完整性、权威性及其观点立场正确性做任何保证或承诺!文档内容仅供研究参考,付费前请自行鉴别。
3、如文档内容存在违规,或者侵犯商业秘密、侵犯著作权等,请点击“违规举报”。

碎片内容

建筑行业玉溪施工组织设计定稿(5章)

您可能关注的文档

确认删除?
VIP
微信客服
  • 扫码咨询
会员Q群
  • 会员专属群点击这里加入QQ群
客服邮箱
回到顶部