电脑桌面
添加小米粒文库到电脑桌面
安装后可以在桌面快捷访问

建筑行业屋面防水施工方案 VIP免费

建筑行业屋面防水施工方案 _第1页
1/6
建筑行业屋面防水施工方案 _第2页
2/6
建筑行业屋面防水施工方案 _第3页
3/6
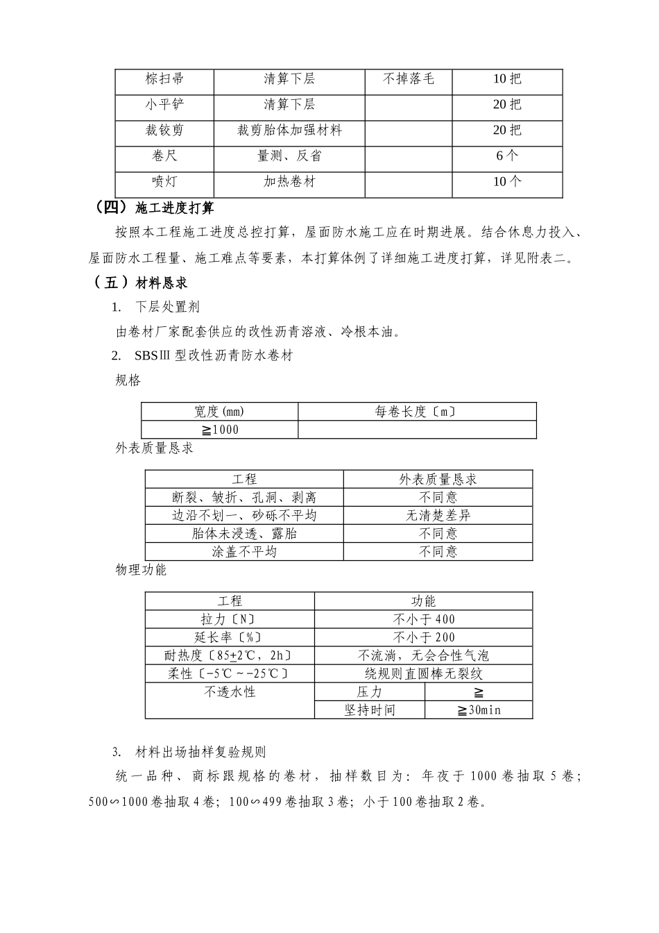
目录附表一~~二附图一~~九一、工程概略本工程按修建打算分为I、II两段,I段为四层配楼,屋面面积约330m2;II段为十层主楼,屋面面积约1230m2。II段屋面呈参差散布,有标准层屋面〔标高41.800〕、水箱间屋面〔标高44.000〕、电梯机屋宇面〔标高46.000〕、5#楼梯间屋面〔标高44.400〕四个标高。屋面女儿墙有1800mm、1400mm、700mm三种高度。详见后附屋面破体图。I段为不上人屋面,做法为100厚憎水珍珠岩保温层,1:6水泥焦渣寻坡,20厚1:水泥砂浆寻平;防水层;20厚水泥砂浆结合层,铺8mm厚装潢防滑地砖。女儿墙抹1:水泥砂浆压光,并抹出泛水。II段为上人屋面,做法为100厚憎水珍珠岩保温层,1:6水泥焦渣寻坡,20厚1:水泥砂浆寻平;防水层;20厚水泥砂浆结合层,铺25厚地缸砖。女儿墙抹1:水泥砂浆压光,并抹出泛水。本工程屋面防水品级打算为二级,防水材料为SBS改性沥青聚氨酯胎防水卷材,打算恳求铺设3mm+3mm两层卷材,采纳热熔法施工。本工程屋面装备根底较多,是防水施工的要紧难点二、施工安排(一)构造机构工程司理部各部分、主管及劳务步队在屋面防水施工中的要紧义务详见附表一《屋面防水施工治理构造系统及天性机能图》(二)休息力布置序号岗位人数1施工班长12平安员13施工工人25(三)施工东西名称用处备注数量棕扫帚清算下层不掉落毛10把小平铲清算下层20把裁铰剪裁剪胎体加强材料20把卷尺量测、反省6个喷灯加热卷材10个(四)施工进度打算按照本工程施工进度总控打算,屋面防水施工应在时期进展。结合休息力投入、屋面防水工程量、施工难点等要素,本打算体例了详细施工进度打算,详见附表二。(五)材料恳求1.下层处置剂由卷材厂家配套供应的改性沥青溶液、冷根本油。2.SBSⅢ型改性沥青防水卷材规格宽度(mm)每卷长度〔m〕≧1000外表质量恳求工程外表质量恳求断裂、皱折、孔洞、剥离不同意边沿不划一、砂砾不平均无清楚差异胎体未浸透、露胎不同意涂盖不平均不同意物理功能工程功能拉力〔N〕不小于400延长率〔%〕不小于200耐热度〔85+2℃,2h〕不流淌,无会合性气泡柔性〔-5℃~-25℃〕绕规则直圆棒无裂纹不透水性压力≧坚持时间≧30min3.材料出场抽样复验规则统一品种、商标跟规格的卷材,抽样数目为:年夜于1000卷抽取5卷;500∽1000卷抽取4卷;100∽499卷抽取3卷;小于100卷抽取2卷。三、要紧的施工方法跟技巧方法1、材料预备防水材料出场后,其存放情况要契合单调透风的恳求。防水涂料包装容器必需密封,容器外表应有明白标记说明涂料各组份称号,消费日期及无效期。防水材料防备日晒雨淋,阔别火源,防止碰撞,库房外要装备消防装备及防水标识。关于进入现场防水材料必需有出厂及格证,有北京市修建材料质量监视测验站的测验讲演跟运用认证书方可出场。2、技巧预备施工由技巧部对工程各有关部分进展施工打算交底,由工程部担任对操纵班组、职员进展技巧交底或下达功课指点书。工程部设专人操纵、记载好气象情况,在如今时节不得在雨天、风力5级以上时施工。3、下层恳求下层〔水泥砂浆寻平层〕须外表压实平坦,抹平收水后应二次压光,充分养护,不得有酥松、起砂、起皮景象,平坦度恳求以2米靠尺跟楔形塞尺反省不得超越5mm。如下层外表有崛起物〔如砂浆疙瘩等〕应铲除,并将灰尘杂物清扫干净,关于下层孔洞、砂眼凹面用水泥聚氨酯搅分解腻子,采纳刮板或铁板抹子刮补填平。下层应单调,一般以含水率小于9%为宜,其复杂测定方法是将1m×1m的卷材平坦地干铺在寻平层的外表掩盖在下层的外表上,掩盖3—4小时,假设卷材掩盖处无水印,紧贴下层一侧卷材也无水印即可施工。下层与凸起构造的衔接处以及下层的转角处均应做成钝角带有圆弧,R=50MM。凡穿出屋面的管根、预埋件变形缝等薄弱部位以及排气帽根部都必需在四周留槽填嵌聚氨酯涂料或密封材料前方可施工防水层。屋面防水层必需待屋面上预留管线、预埋件、排气帽等施工终了前方可进展施工不得毁坏施工终了后的防水层。为防止寻平层砂浆膨胀开裂,恳求设置分格缝,间距不年夜于6m,缝宽度20mm。4、工艺流程清算下层满涂下层处置剂特别部位处置定位、弹线、试铺寻平层的分格缝处...

1、当您付费下载文档后,您只拥有了使用权限,并不意味着购买了版权,文档只能用于自身使用,不得用于其他商业用途(如 [转卖]进行直接盈利或[编辑后售卖]进行间接盈利)。
2、本站所有内容均由合作方或网友上传,本站不对文档的完整性、权威性及其观点立场正确性做任何保证或承诺!文档内容仅供研究参考,付费前请自行鉴别。
3、如文档内容存在违规,或者侵犯商业秘密、侵犯著作权等,请点击“违规举报”。

碎片内容

建筑行业屋面防水施工方案

学海无涯书城+ 关注
实名认证
内容提供者

热爱教育事业,爱好互联网行业

确认删除?
VIP
微信客服
  • 扫码咨询
会员Q群
  • 会员专属群点击这里加入QQ群
客服邮箱
回到顶部