电脑桌面
添加小米粒文库到电脑桌面
安装后可以在桌面快捷访问

建筑行业中建x局(投标书)定稿版 VIP专享VIP免费

建筑行业中建x局(投标书)定稿版 _第1页
1/44
建筑行业中建x局(投标书)定稿版 _第2页
2/44
建筑行业中建x局(投标书)定稿版 _第3页
3/44
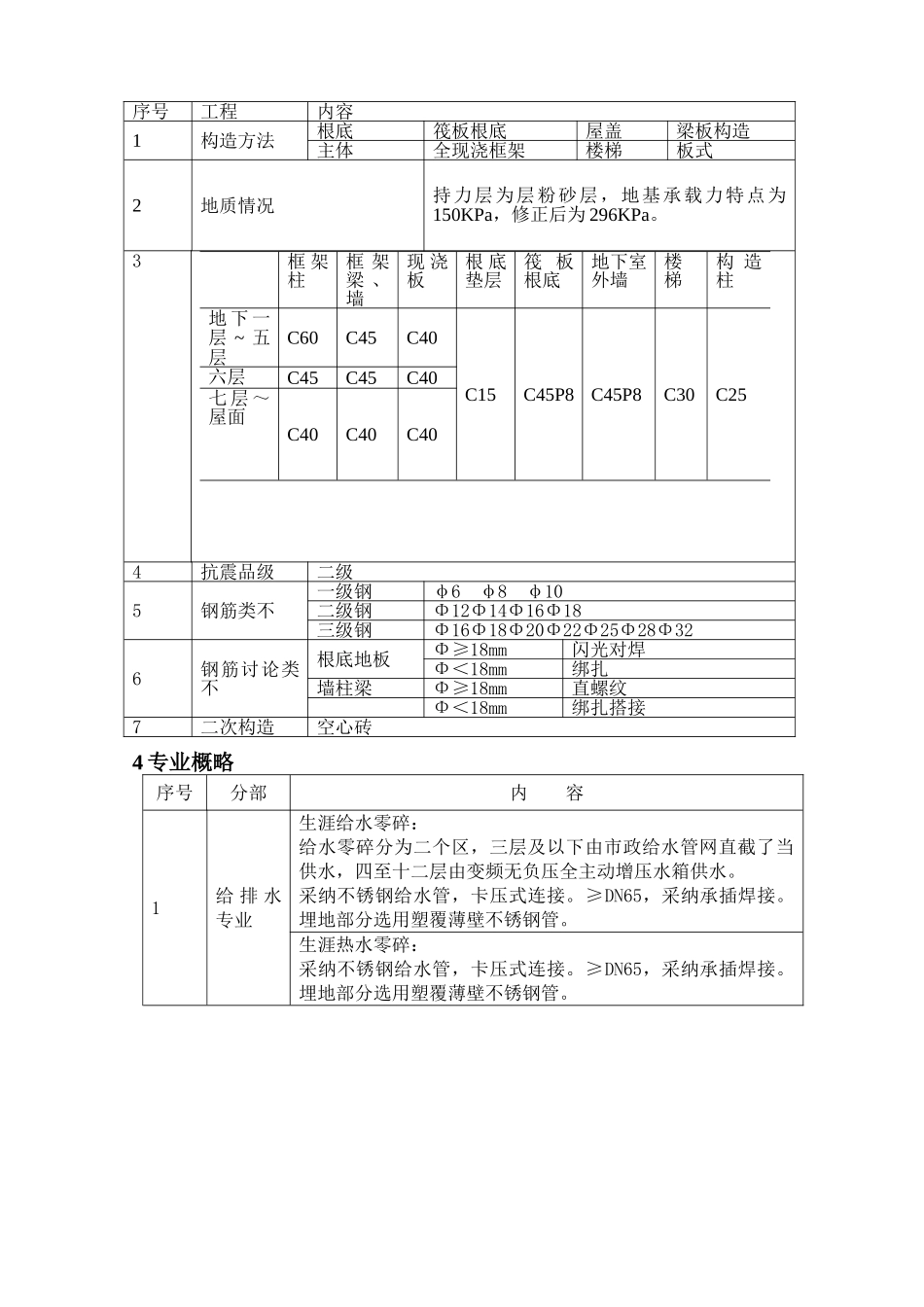
目录***年夜厦工程树破工程招标文件(盘建招备2007-12-190)***年夜厦工程施工图3.要紧施工标准、规程序号类不规程、标准编号1国度《地下防水工程施工质量验收标准》GB50208-20022国度《混凝土构造工程施工质量验收标准》GB50204-20023国度《工程测量标准》GB50206-934国度《屋面工程施工质量标准》GB50207-20025国度《修建空中工程施工质量验收标准》GB50209-20026国度《修建地基根底工程施工质量验收标准》GB50202-20027国度《砌体工程施工质量验收标准》GB50203-20028国度《钢筋混凝土用热轧带肋钢筋》GB1499-989国度《电梯工程施工质量验收标准》GB50310-200210国度《电气装置装置工程施工质量验收标准》GB50303-200211国度《给水排水及采暖工程施工质量验收标准》GB50242-200212国度《修建装潢工程施工质量验收标准》GB50210-200113国度《弹性体改性沥青防水卷材》GB18243-200014国度《透风与空调工程施工质量验收标准》GB50243-200215行业《修建机器平安运用技巧规程》JGJ33—2001序号标准称号编号1《中华国平易近共跟国修建法》2《中华国平易近共跟国情况保护法》3《修建平安法例及文件汇编》二、工程概略1.工程简介序号工程内容1工程称号云南***年夜厦工程2工程地点3树破单位45施工单位6质量目的及格序号工程内容工程性子年夜众修建12总修建面积40515㎡地下部分8157㎡地上部分32358㎡3地上12层地下2层4修建层高地下部分-1层/-2层地上部分首层标准层5修建高度±室表里高差檐高6外装修仿花岗石幕墙及铝合金装潢线条7防水工程地下SBS防水卷材屋面30厚挤塑聚苯板保温,SBS防水层,40厚C25钢筋混凝土保护层3构造打算概略4专业概略序号分部内容1给排水专业生涯给水零碎:给水零碎分为二个区,三层及以下由市政给水管网直截了当供水,四至十二层由变频无负压全主动增压水箱供水。采纳不锈钢给水管,卡压式连接。≥DN65,采纳承插焊接。埋地部分选用塑覆薄壁不锈钢管。生涯热水零碎:采纳不锈钢给水管,卡压式连接。≥DN65,采纳承插焊接。埋地部分选用塑覆薄壁不锈钢管。序号工程内容1构造方法根底筏板根底屋盖梁板构造主体全现浇框架楼梯板式2地质情况持力层为层粉砂层,地基承载力特点为150KPa,修正后为296KPa。3框架柱框架梁、墙现浇板根底垫层筏板根底地下室外墙楼梯构造柱地下一层~五层C60C45C40C15C45P8C45P8C30C25六层C45C45C40七层~屋面C40C40C404抗震品级二级5钢筋类不一级钢φ6φ8φ10二级钢Φ12Φ14Φ16Φ18三级钢Φ16Φ18Φ20Φ22Φ25Φ28Φ326钢筋讨论类不根底地板Φ≥18mm闪光对焊Φ<18mm绑扎墙柱梁Φ≥18mm直螺纹Φ<18mm绑扎搭接7二次构造空心砖生涯污水零碎:采纳污、废水合流制,室内±0.00以上污废水重力自流排入室外污水管,地下室污废水采纳潜水排污泵晋升至室外污水管。污水管道:采纳柔性接口排水铸铁管,橡胶圈密封,W型无承口,不锈钢卡箍连接。与潜水泵连接的管道,均采纳涂塑钢管,沟槽式或法兰连接,地下室外墙以外的埋地管采纳给水铸铁管,水泥接口。空调机凝聚水的废水管采纳热浸镀锌钢管,丝扣连接。溢、泄水管采纳镀锌钢管,丝扣或法兰连接,蒸汽管采纳无缝钢管,丝接或焊接。雨水零碎:屋面雨水采纳内排水零碎,屋面雨水经雨水斗跟室内雨水管排至室外散水。室外空中雨水经雨水口,由室外雨水管聚拢,排至市政雨水管。室内雨水破管跟悬吊管采纳镀锌钢管,沟槽式或法兰连接。消火栓零碎:采纳两路供水,满意室外消防用水恳求。景不雅用水跟河道,消防水池作消防备用水源。地下二层设500吨消防水池一座,加压水泵二台,屋面设稳压泵两台,屋顶水箱间设18吨消防水箱一座。消火栓给水管道采纳表里镀锌钢管,法兰或沟槽连接,主动喷水灭火零碎:主动喷水零碎为一个供水区,平常管网压力由屋顶消防水箱跟喷淋稳压泵保持,火警时,喷头举措。主动喷水管采纳热浸镀锌钢管,丝扣或沟槽式机器接口。2暖通专业透风零碎:采纳不燃烧材料制造,卫生间采纳垂直排风竖井纵贯屋面,排风软管接排风竖井装置防火阀70℃。透风管道及排风零碎管道采纳不燃型的无机玻璃钢风操纵作。人防透风零碎:平常采纳机器式排风排烟适用零碎;战时设洁净式透风、过滤式透风...

1、当您付费下载文档后,您只拥有了使用权限,并不意味着购买了版权,文档只能用于自身使用,不得用于其他商业用途(如 [转卖]进行直接盈利或[编辑后售卖]进行间接盈利)。
2、本站所有内容均由合作方或网友上传,本站不对文档的完整性、权威性及其观点立场正确性做任何保证或承诺!文档内容仅供研究参考,付费前请自行鉴别。
3、如文档内容存在违规,或者侵犯商业秘密、侵犯著作权等,请点击“违规举报”。

碎片内容

建筑行业中建x局(投标书)定稿版

确认删除?
VIP
微信客服
  • 扫码咨询
会员Q群
  • 会员专属群点击这里加入QQ群
客服邮箱
回到顶部