电脑桌面
添加小米粒文库到电脑桌面
安装后可以在桌面快捷访问

电气设计统一规定VIP专享VIP免费

电气设计统一规定_第1页
1/30
电气设计统一规定_第2页
2/30
电气设计统一规定_第3页
3/30
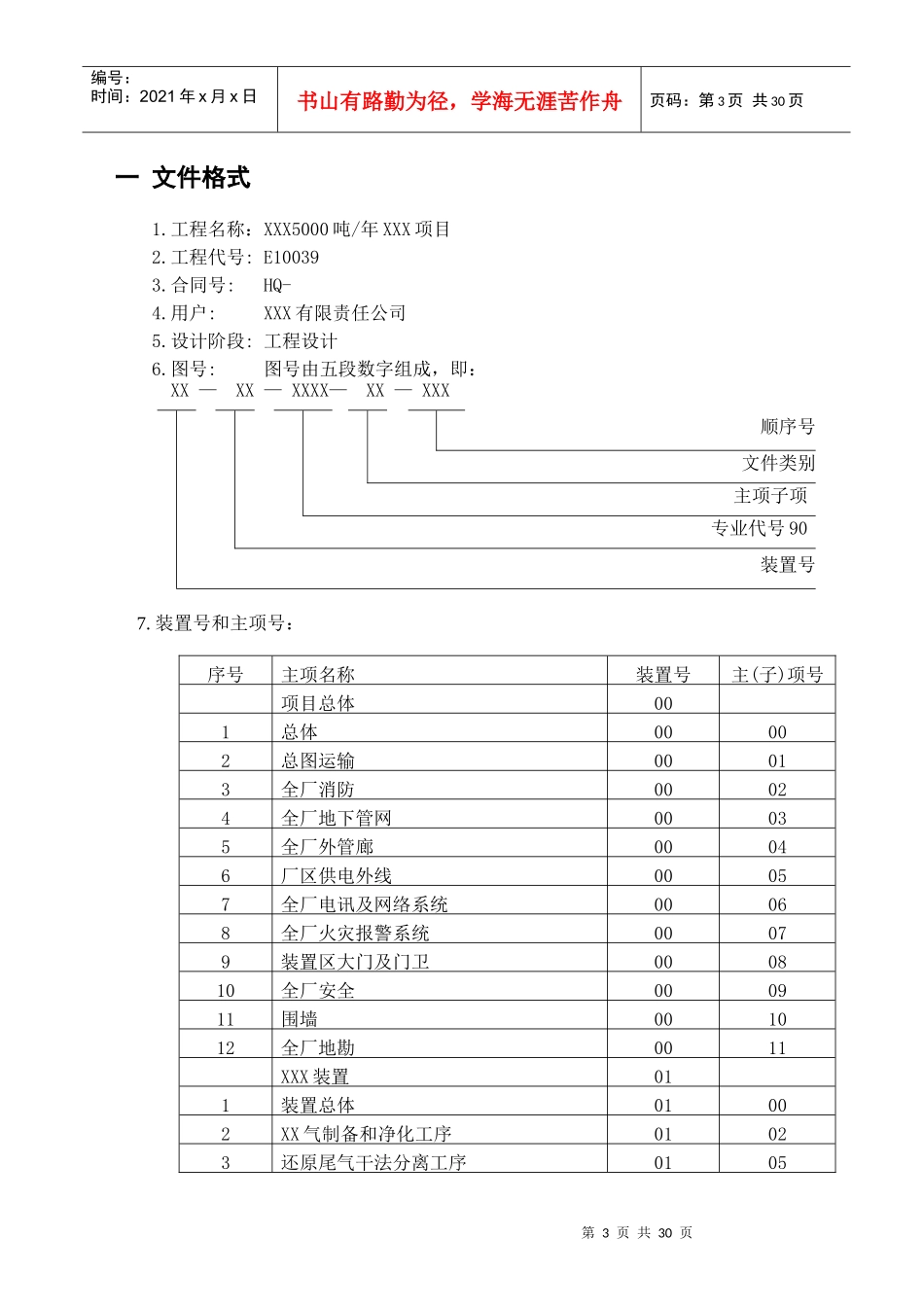
第1页共30页编号:时间:2021年x月x日书山有路勤为径,学海无涯苦作舟页码:第1页共30页5000吨/年XXX项目项目代码E10039(电气专业)电气工程设计统一设计规定(文件号:)编写:校核:审核:第2页共30页第1页共30页编号:时间:2021年x月x日书山有路勤为径,学海无涯苦作舟页码:第2页共30页目录目录.......................................................................................................................................2一文件格式...................................................................................................................................3二设计基础资料.........................................................................................................................8三电气负荷计算.......................................................................................................................10四电源状况.................................................................................................................................12五设计范围和分工...................................................................................................................12六全厂供电系统.......................................................................................................................13七功率因数补偿.......................................................................................................................15八保护与控制...........................................................................................................................15九测量仪表...............................................................................................................................18十电压选择...............................................................................................................................19十一配电设计...........................................................................................................................20十二危险区域划分...................................................................................................................20十三线路选择及敷设.............................................................................................................21十四电缆桥架...........................................................................................................................24十五照明...................................................................................................................................25十六防雷接地...........................................................................................................................27十七其它...................................................................................................................................30附件主要设备材料选择...........................................................................................................31第3页共30页第2页共30页编号:时间:2021年x月x日书山有路勤为径,学海无涯苦作舟页码:第3页共30页一文件格式1.工程名称:XXX5000吨/年XXX项目2.工程代号:E100393.合同号:HQ-4.用户:XXX有限责任公司5.设计阶段:工程设计6.图号:图号由五段数字组成,即:XX—XX—XXXX—XX—XXX顺序号文件类别主项子项专业代号90装置号7.装置号和主项号:序号主项名称装置号主(子)项号项目总体001总体00002总图运输00013全厂消防00024全厂地下管网00035全厂外管廊00046厂区供电外线00057全厂电讯及网络系统00068全厂...

1、当您付费下载文档后,您只拥有了使用权限,并不意味着购买了版权,文档只能用于自身使用,不得用于其他商业用途(如 [转卖]进行直接盈利或[编辑后售卖]进行间接盈利)。
2、本站所有内容均由合作方或网友上传,本站不对文档的完整性、权威性及其观点立场正确性做任何保证或承诺!文档内容仅供研究参考,付费前请自行鉴别。
3、如文档内容存在违规,或者侵犯商业秘密、侵犯著作权等,请点击“违规举报”。

碎片内容

电气设计统一规定

确认删除?
VIP
微信客服
  • 扫码咨询
会员Q群
  • 会员专属群点击这里加入QQ群
客服邮箱
回到顶部