电脑桌面
添加小米粒文库到电脑桌面
安装后可以在桌面快捷访问

园林绿化景观工程资料表格汇总(一)VIP免费

园林绿化景观工程资料表格汇总(一)_第1页
1/57
园林绿化景观工程资料表格汇总(一)_第2页
2/57
园林绿化景观工程资料表格汇总(一)_第3页
3/57
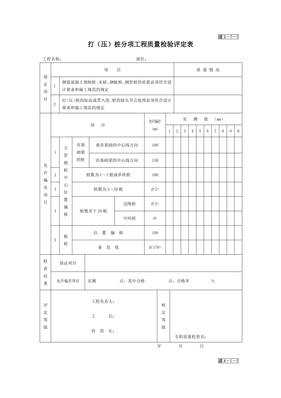
建2-1-1土方分项工程质量检验评定表工程名称:部位:保证项目项目质量情况1柱基、基坑、基槽和管沟基底的土质必须符合设计要求,并严禁扰动2填方的基底处理必须符合设计要求或施工规范的规定3填方和柱基、基坑、基槽、管沟回填的土料必须符合设计要求或施工规范的规定4填方和柱基、基坑、基槽、管沟的回填必须按规定分层夯压密实,取样测定干土重力密度,其合格率不应小于90%,不合格的最低值与设计值的差不应大于0.08g/cm3,且不应集中基本项目项目允许偏差(mm)实测值(mm)柱基、基坑、基槽、管沟挖方、填方、场地平整排水沟地(路)面基层12345678910人工施工机械施工1标高+0–50±50±100+0–50+0–502长度、宽度–0–0–0+100–0——3边坡偏陡不允许不允许不允许不允许——4表面平整度————————20检查结果保证项目允许偏差项目实测点,其中合格项,合格率%评定等级工程负责人:工长:班组长:核定等级专职质量检查员:年月日建3-1-1灰土、砂石分项工程质量检验评定表砂和三合土工程名称:部位:保证项目项目质量情况1基底的土质必须符合设计要求2灰土、砂、砂石和三合土的重力密度或贯入度必须符合设计要求和施工规范的规定基本项目项目质量情况等级123456789101灰土、砂、砂石和三合土的配料,分层虚铺厚度及夯压程度2灰土、砂、砂石和三合土的留槎和接槎允许偏差项目项目允许偏差(mm)实测值(mm)123456789101顶面标高±152表面平整度灰土15砂、砂石、三合土20检查结果保证项目基本项目检查项,其中优良项,优良率%允许偏差项目实测点,其中合格点,合格率%评定等级工程负责人:工长:班组长:核定等级专职质量检查员:年月日建3-7-1打(压)桩分项工程质量检验评定表工程名称:部位:保证项目项目质量情况1钢筋混凝土预制桩、木桩、钢板桩、钢管桩的质量必须符合设计要求和施工规范的规定2打(压)桩的标高或贯入度、桩的接头节点处理必须符合设计要求和施工规范的规定允许偏差项目项目允许偏差(mm)实测值(mm)123456789101方管圆桩中心位置偏移有基础梁的桩垂直基础的中心线方向100沿基础梁的中心线方向1502桩数为1~3根或单班桩1003桩数为3~20根D/2=4桩数多于20根边缘桩D/2=中间桩D=5板桩位置偏移100垂直度H/170=检查结果保证项目允许偏差项目实测点,其中合格点,合格率%评定等级工程负责人:工长:班组长:核定等级专职质量检查员:年月日建4-1-1防水混凝土结构分项工程质量检验评定表工程名称:部位:保证项目项目质量情况1防水混凝土的原材料、外加剂等级及预埋件必须符合设计要求和施工规范的规定2防水混凝土抗渗标号和强度必须符合设计要求和表建5-3-1规定3防水混凝土结构的施工缝、变形缝、止水片穿墙管件、支模铁件等的设置和结构均须符合设计要求和施工规范规定,严禁有渗漏。基本项目项目质量情况等级123456789101混凝土外观2沥青胶结材料防水层检查结果保证项目基本项目检查项,其中优良项,优良率%评定等级工程负责人:工长:班组长:核定等级专职质量检查员:年月日建4-2-1水泥砂浆防水层分项工程质量检验评定表工程名称:部位:保证项目项目质量情况1原材料、外加剂及其配合比必须符合设计要求和施工规范的规定2防水层必须与基层结合牢固无空鼓基本项目项目质量情况等级123456789101外观2施工缝检查结果保证项目基本项目检查项,其中优良项,优良率%评定等级工程负责人:工长:班组长:核定等级专职质量检查员:年月日建4-3-1卷材防水层分项工程质量检验评定表工程名称:部位:保证项目项目质量情况1卷材与胶结材料必须符合设计要求和施工规范的规定。2防水层及其变形缝、预埋管件等细部做法必须符合设计要求和施工规范的规定。基本项目项目质量情况等级123456789101基层(含垫层、保护层)2防水层3保护层检查结果保证项目基本项目检查项,其中优良项,优良率%评定等级工程负责人:工长:班组长:核定等级专职质量检查员:年月日建5-1-1模板分项工程质量检验评定表工程名称:部位:保证项目项目质量情况模板及其支架必须具有足够的强度、刚度和稳定性,其支架的支承部分必须有足够的支承面积。如安装在基土下,基土坚实并有...

1、当您付费下载文档后,您只拥有了使用权限,并不意味着购买了版权,文档只能用于自身使用,不得用于其他商业用途(如 [转卖]进行直接盈利或[编辑后售卖]进行间接盈利)。
2、本站所有内容均由合作方或网友上传,本站不对文档的完整性、权威性及其观点立场正确性做任何保证或承诺!文档内容仅供研究参考,付费前请自行鉴别。
3、如文档内容存在违规,或者侵犯商业秘密、侵犯著作权等,请点击“违规举报”。

碎片内容

园林绿化景观工程资料表格汇总(一)

您可能关注的文档

确认删除?
VIP
微信客服
  • 扫码咨询
会员Q群
  • 会员专属群点击这里加入QQ群
客服邮箱
回到顶部