电脑桌面
添加小米粒文库到电脑桌面
安装后可以在桌面快捷访问

圆管柱制作通用工艺VIP免费

圆管柱制作通用工艺_第1页
1/10
圆管柱制作通用工艺_第2页
2/10
圆管柱制作通用工艺_第3页
3/10
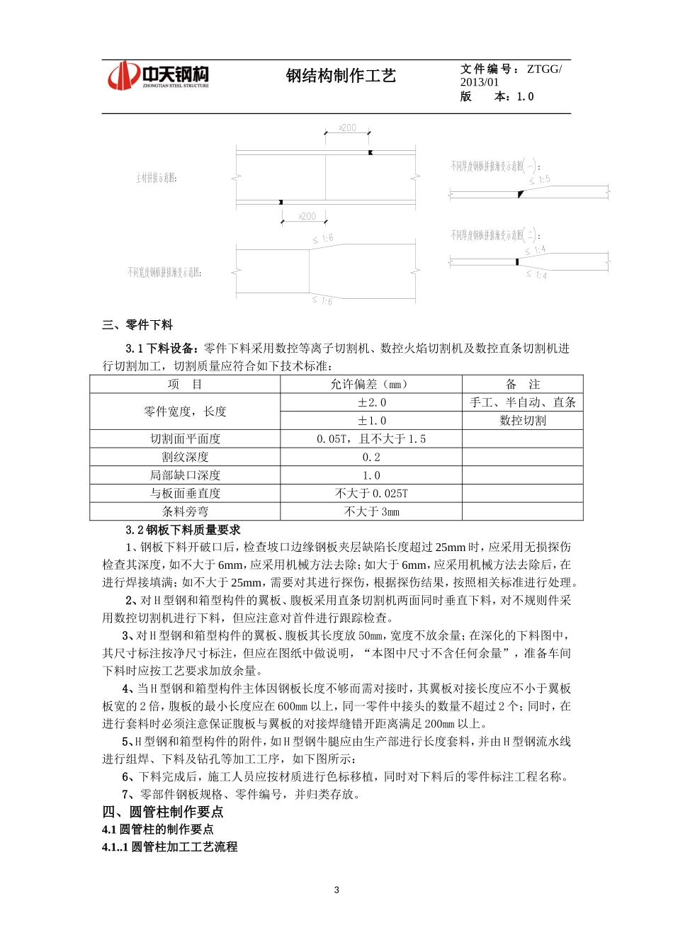
钢结构制作工艺文件编号:ZTGG/2013/01版本:1.0圆管柱制作工艺文件一、编制依据1.1技术科深化详图1.2《建筑钢结构焊接技术规程》(JGJ81-2002)1.3《低合金高强度结构钢》(GB/T1591-94)1.4《碳素结构钢》(GB700-88)1.5《熔化焊用钢丝》(GB14957-94)1.6《埋弧焊用低合金钢焊丝和焊剂》(GB/T12470-2003)1.7《气体保护电弧焊用碳钢、低合金钢焊丝》(GB/T8110-1995)1.8《碳钢焊条》(GB/T5117-95)1.9《钢结构工程施工质量验收规范》(GB50205-2001)1.10《高层民用建筑钢结构技术规程》(JGJ99-98)1.11《气焊、手工电弧焊及气体保护焊焊缝坡口的基本形式与尺寸》(GB985-88)1.12《埋弧焊焊缝坡口的基本形式与尺寸》(GB986-88)1.13《涂装前钢材表面锈蚀等级和除锈等级》(GB8923-88)二、材料的管理2.1钢材2.1.1所有焊接截面钢材均为,所有型钢截面钢材均为,详见图纸。2.1.2原材料进厂必须核对钢厂的材质保证书,质保证书检查合格后,质量部门应对材料的牌号、规格、数量、表面质量等进行检测,外观质量检测符合现行有关标准后,方可对钢材随机取样,进行原材料的物理和化学试验,只有钢材物理和化学试验合格后,材料方可办理入库手续。2.1.3材料应按规定进行标识并有序堆放,避免与其它材料相混。堆放应平整放置以防止变形。吊装驳运要规范操作,并采取措施避免母材损伤。若发现钢板不平整或型钢弯曲超差,应在下料前用火焰矫正法矫正,矫正要求可见表2.1。表2.1材料的一般形状要求及矫正公差范围钢结构制作工艺文件编号:ZTGG/2013/01版本:1.02.2焊接材料2.2.1焊接材料要求焊材包括焊条、焊丝、焊剂和焊接保护气体;所有被采用的焊接材料的生产厂,均必须具备有效的质量保证体系,焊接材料生产厂名、焊接材料出厂质量证明书以及产品使用说明书等。2.2.2CO2气体保护焊用焊丝的选用当钢材材质为Q345时,焊丝的选用ER50-6;当钢材材质为Q390时,,焊丝的选用ER50-7;其质量符合国家标准《气体保护电弧焊用碳钢、低合金钢焊丝》(GB/T8110-1995)。2.2.3埋弧焊丝和焊剂的选用当钢材材质为Q345时,焊丝的选用H08MnA,焊剂选用SJ101;当钢材材质为Q390时,,焊丝的选用H10Mn2A焊剂选用SJ101;其质量符合国家标准《埋弧焊用低合金钢焊丝和焊剂》(GB/T12470-2003),焊剂使用前应按照使用说明书中的要求对焊剂进行烘干,焊剂方可以使用表2.2定位、焊接用焊丝及焊剂的选用钢板CO2气体保护焊焊丝埋弧焊牌号牌号规格(mm)焊丝焊剂牌号规格(mm)Q345ER50-6φ1.2H08MnAφ4.0/φ5.0SJ101Q390ER50-7φ1.2H10Mn2Aφ4.0/φ5.0SJ1012.2.4焊接要求1、板材对接焊缝质量等级要求:全熔透焊缝,质量等级为一级2、对接焊缝质量等级要求:H型钢与板材需要进行拼接时,拼接节点如下图,焊缝为全熔透焊,质量等级为一级,需要100%探伤合格,拼接节点上下翼缘应错开200mm以上距离。不同厚度的板材对接时应按下图对接方式执行,焊缝为全熔透焊,质量等级为一级,需要100%探伤合格。项目名称简图允许偏差(mm)检验方法钢板扁钢的局部挠曲矢高ff1000f≤1.0(T>14)f≤1.5(T≤14)用1米直尺和塞尺检查型钢的弯曲矢高fLf≤L/10且≤5.0用1米直尺或拉线测定211000fT钢结构制作工艺文件编号:ZTGG/2013/01版本:1.0三、零件下料3.1下料设备:零件下料采用数控等离子切割机、数控火焰切割机及数控直条切割机进行切割加工,切割质量应符合如下技术标准:项目允许偏差(mm)备注零件宽度,长度±2.0手工、半自动、直条±1.0数控切割切割面平面度0.05T,且不大于1.5割纹深度0.2局部缺口深度1.0与板面垂直度不大于0.025T条料旁弯不大于3mm3.2钢板下料质量要求1、钢板下料开破口后,检查坡口边缘钢板夹层缺陷长度超过25mm时,应采用无损探伤检查其深度,如不大于6mm,应采用机械方法去除;如大于6mm,应采用机械方法去除后,在进行焊接填满;如不大于25mm,需要对其进行探伤,根据探伤结果,按照相关标准进行处理。2、对H型钢和箱型构件的翼板、腹板采用直条切割机两面同时垂直下料,对不规则件采用数控切割机进行下料,但应注意对首件进行跟踪检查。3、对H型钢和箱型构件的翼板、腹板其长度放50mm,宽度...

1、当您付费下载文档后,您只拥有了使用权限,并不意味着购买了版权,文档只能用于自身使用,不得用于其他商业用途(如 [转卖]进行直接盈利或[编辑后售卖]进行间接盈利)。
2、本站所有内容均由合作方或网友上传,本站不对文档的完整性、权威性及其观点立场正确性做任何保证或承诺!文档内容仅供研究参考,付费前请自行鉴别。
3、如文档内容存在违规,或者侵犯商业秘密、侵犯著作权等,请点击“违规举报”。

碎片内容

圆管柱制作通用工艺

您可能关注的文档

确认删除?
VIP
微信客服
  • 扫码咨询
会员Q群
  • 会员专属群点击这里加入QQ群
客服邮箱
回到顶部