电脑桌面
添加小米粒文库到电脑桌面
安装后可以在桌面快捷访问

常用金属比重表VIP免费

常用金属比重表_第1页
1/8
常用金属比重表_第2页
2/8
常用金属比重表_第3页
3/8
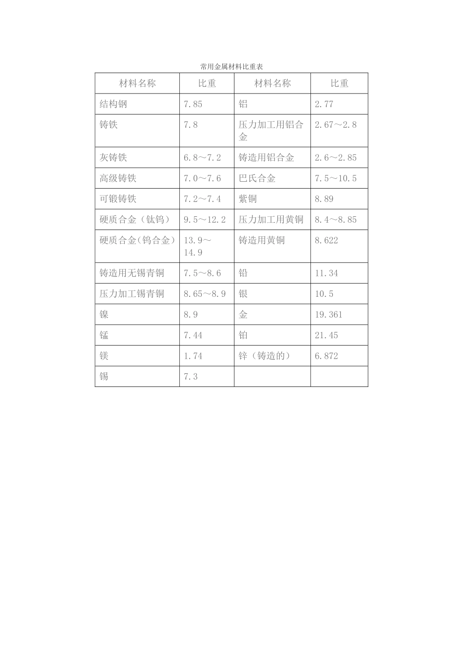
常用金属材料比重表材料名称比重材料名称比重结构钢7.85铝2.77铸铁7.8压力加工用铝合金2.67~2.8灰铸铁6.8~7.2铸造用铝合金2.6~2.85高级铸铁7.0~7.6巴氏合金7.5~10.5可锻铸铁7.2~7.4紫铜8.89硬质合金(钛钨)9.5~12.2压力加工用黄铜8.4~8.85硬质合金(钨合金)13.9~14.9铸造用黄铜8.622铸造用无锡青铜7.5~8.6铅11.34压力加工锡青铜8.65~8.9银10.5镍8.9金19.361锰7.44铂21.45镁1.74锌(铸造的)6.872锡7.3常用金属材料密度表,包括黑色、有色金属材料及其合金材料的密度。材料名称密度材料名称密度克/厘米3克/厘米3灰口铸铁6.6~7.4不锈钢1Crl8NillNb、Cr23Ni187.90白口铸铁7.4~7.72Cr13Ni4Mn98.50可锻铸铁7.2~7.43Cr13Ni7Si28.00铸钢7.80纯铜材8.90工业纯铁7.8759、62、65、68黄铜8.50普通碳素钢7.8580、85、90黄铜8.70优质碳素钢7.8596黄铜8.80碳素工具钢7.8559-1、63-3铅黄铜8.50易切钢7.8574-3铅黄铜8.70锰钢7.8190-1锡黄铜8.8015CrA铬钢7.7470-1锡黄铜8.5420Cr、30Cr、40Cr铬钢7.8260-1和62-1锡黄铜8.5038CrA铬钢7.8077-2铝黄铜8.60铬钒、铬镍、铬镍钼、铬锰、硅、铬锰硅镍、硅锰、硅铬钢7.8567-2.5、66-6-3-2、60-1-1铝黄铜8.50镍黄铜8.50铬镍钨钢7.80锰黄铜8.50铬钼铝钢7.65硅黄铜、镍黄铜、铁黄铜8.50含钨9高速工具钢8.305-5-5铸锡青铜8.80含钨18高速工具钢8.703-12-5铸锡青铜8.69高强度合金钢7.826-6-3铸锡青铜8.82轴承钢7.817-0.2、6.5-0.4、6.5-0.1、4-3锡青铜8.80不锈钢0Cr13、1Cr13、2Cr13、3Cr13、4Cr13、Cr17Ni2、Cr18、9Cr18、Cr25、Cr287.754-0.3、4-4-4锡青铜8.90Cr14、Cr177.704-4-2.5锡青铜8.750Cr18Ni9、1Cr18Ni9、Cr18Ni9Ti、2Cr18Ni97.855铝青铜8.201Cr18Ni11Si4A1Ti7.52锻铝LD82.777铝青铜7.80LD7、LD9、LD102.8019-2铝青铜7.60超硬铝2.859-4、10-3-1.5铝青铜7.50LT1特殊铝2.7510-4-4铝青铜7.46工业纯镁1.74铍青铜8.30变形镁MB11.763-1硅青铜8.47MB2、MB81.781-3硅青铜8.60MB31.791铍青铜8.80MB5、MB6、MB7、MB151.800.5镉青铜8.90铸镁1.800.5铬青铜8.90工业纯钛(TA1、TA2、TA3)4.501.5锰青铜8.80钛合金TA4、TA5、TC64.455锰青铜8.60TA64.40白铜B5、B19、B30、BMn40-1.58.90TA7、TC54.46BMn3-128.40TA84.56BZN15-208.60TB1、TB24.89BA16-1.58.70TC1、TC24.55BA113-38.50TC3、TC44.43纯铝2.70钛合金TC74.40防锈铝LF2、LF432.68TC84.48LF32.67TC94.52LF5、LF10、LF112.65TC104.53LF62.64纯镍、阳极镍、电真空镍8.85LF212.73镍铜、镍镁、镍硅合金8.85硬铝LY1、LY2、LY4、LY62.76镍铬合金8.72LY32.73锌锭(Zn0.1、Zn1、Zn2、Zn3)7.15LY7、LY8、LY10、LY11、LY142.80铸锌6.86LY9、LY122.784-1铸造锌铝合金6.90LY16、LY172.844-0.5铸造锌铝合金6.75锻铝LD2、LD302.70铅和铅锑合金11.37LD42.65铅阳极板11.33LD52.75常用金属材料的比重参考表名称或牌号密度g/cm3名称或牌号密度g/cm3灰口铸造6.6~7.4锰脱氧铜8.89白口铸造7.4~7.796黄铜8.85可锻铸造7.2~7.490黄铜8.73工业纯铁7.8785黄铜8.7钢材7.8580黄铜8.66铸钢7.868黄铜8.5低碳钢(含碳0.1%)7.8565黄铜8.5中碳钢(含碳0.4%)7.8263黄铜8.45高碳钢(含碳1%)7.8162黄铜8.5高速钢(含钨9%)8.359黄铜8.4高速钢(含钨18%)8.764-2铅黄铜8.5不锈钢(含铬13%)7.7563-0.1铅黄铜8.5铜材8.963-3铅黄铜8.5一号铜、二号铜8.960-3铅黄铜8.5三号铜、四号铜8.8959-1铅黄铜8.5加磷二号铜8.8959-1A铅黄铜8.5一号、二号无氧铜8.990-1锡黄铜8.8磷脱氧铜8.8970-1锡黄铜8.5462-1锡黄铜8.541.9铍青铜8.2360-1锡黄铜8.451-3硅青铜8.677-2铝黄铜8.63-1硅青铜8.477-2A铝黄铜8.63.5-3-1.5硅青铜8.877-2B铝黄铜8.63.5-3-1.5硅铁青铜8.867-2.5铝黄铜8.51.5锰青铜8.860-1-1铝黄铜8.45锰青铜8.659-3-2铝黄铜8.41.0镉青铜8.866-6-3-2铝黄铜8.50.5铬青铜8.958-2锰黄铜8.50.2锆青铜8.957-3-1锰黄铜8.50.4锆青铜8.955-3-1锰黄铜8.50.6白铜8.959-1-1铁黄铜8.55白铜8.958-1-1铁黄铜8.519白铜8.980-3硅黄铜8.630白铜8.965-5镍黄铜8.653-12锰白铜8.44-3锡青铜8.840-1.5锰白铜8.94-4-2.5锡青铜8.7540-0.5锰白铜8.94-4-4锡青铜8.930-1-1...

1、当您付费下载文档后,您只拥有了使用权限,并不意味着购买了版权,文档只能用于自身使用,不得用于其他商业用途(如 [转卖]进行直接盈利或[编辑后售卖]进行间接盈利)。
2、本站所有内容均由合作方或网友上传,本站不对文档的完整性、权威性及其观点立场正确性做任何保证或承诺!文档内容仅供研究参考,付费前请自行鉴别。
3、如文档内容存在违规,或者侵犯商业秘密、侵犯著作权等,请点击“违规举报”。

碎片内容

常用金属比重表

您可能关注的文档

海纳百川+ 关注
实名认证
内容提供者

热爱教学事业,对互联网知识分享很感兴趣

相关文档

确认删除?
VIP
微信客服
  • 扫码咨询
会员Q群
  • 会员专属群点击这里加入QQ群
客服邮箱
回到顶部