电脑桌面
添加小米粒文库到电脑桌面
安装后可以在桌面快捷访问

PE管热性能VIP免费

PE管热性能_第1页
1/7
PE管热性能_第2页
2/7
PE管热性能_第3页
3/7
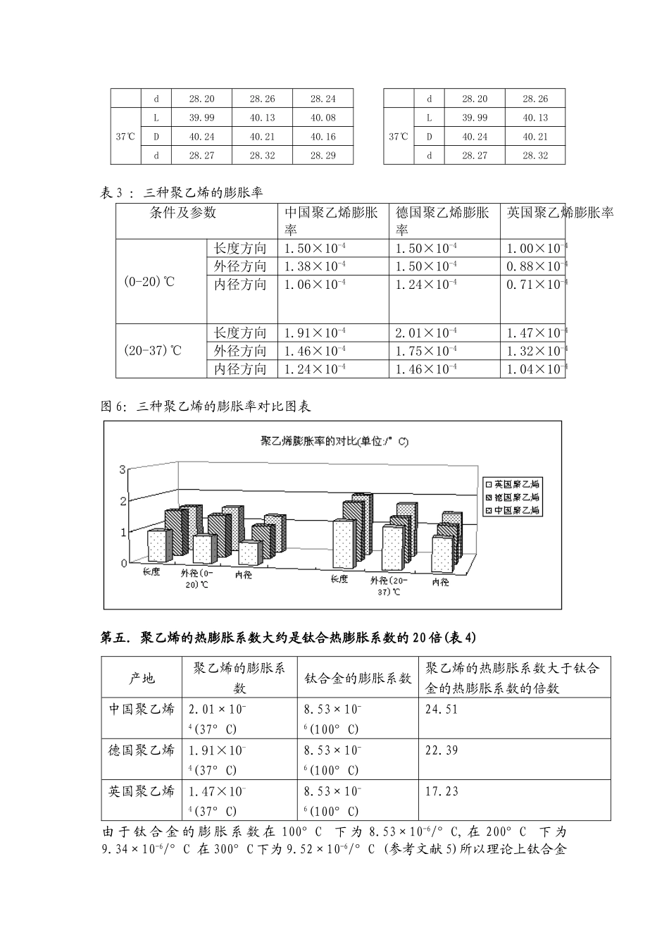
介绍在进行髋关节置换的外科手术中,最常见的临床问题是髋臼内衬从外杯脱落或无法压进外杯.这个问题与聚乙烯在不同温度下的热膨胀情况有关[2.3]。已有论文证明,聚乙烯的热膨胀会影响内衬与外杯的配合情况[1].本实验对三种不同产地的聚乙烯材料在0℃、20℃和37℃条件下的热膨胀与相同条件下的钛合金材料的热膨胀进行比较.并在干燥和水浴两种条件下进行,以模拟机加工环境和人体体液环境。因为北京蒙太因医疗器械有限公司对聚乙烯产品是使用冰水检验的,所以此实验的意义在于首先确定37度水浴中聚乙烯内衬的真实尺寸,继而推算出冰水检验时的允许公差,然后根据不同温度下聚乙烯膨胀率的曲线制定不同温度下的制造公差.材料与实验方法准备常温下内径为ф28mm,外径为ф40mm,高度为40mm的4个圆筒,材料分别为中国聚乙烯、德国聚乙烯、英国聚乙烯和钛合金.为了确定样品的长度、内径、外径的尺寸变化,用恒温箱控制温度,用卡尺进行测量[4]。(如图1)图1:实验样件干燥条件下的热膨胀:将恒温箱中温度调至0℃后,将样块放入,30分钟后取出,用卡尺对其长度、外径、内径进行测量、记录。再将恒温箱温度分别调至20℃和37℃,各保留30分钟,用同一方法测量在这两种温度下的样块的尺寸并记录。水浴中的热膨胀:将样品放入冰水混合物中,30分钟后取出,用卡尺对其长度、外径、内径进行测量、记录。再将恒温箱温度分别调至20℃和37℃,各保留30分钟,用同一方法测量在这两种温度下的样块的尺寸并记录。国产聚乙烯德国聚乙烯英国聚乙烯实验结果第一.在本实验条件下,聚乙烯由于吸水造成的膨胀视为零实验结果证明,在相同的温度条件下,超高分子量聚乙烯样块在干燥和水浴两种情况下的膨胀变化完全相同(参见表1.表2),所以在本实验条件下超高分子量聚乙烯由于吸水产生的膨胀视为零。因此在加工和检验过程中可以不考虑聚乙烯在液体中或在干燥状态下的区别.第二,在相同的温度条件下三种聚乙烯的膨胀程度以中国聚乙烯的最大,德国的次之,英国的最小.通过对表1.表2的数据分析,得出聚乙烯的热膨胀曲线,如下图3.4.5.所示:其差别率在1%左右.对产品的精确度不能说没有影响.第三,在不同的温度条件下三种聚乙烯在长度.外径.内径三个方向上各自的膨胀率也不相等,其中长度方向的膨胀率最大,内径最小.(见表3.图5).利用公式计算得出聚乙烯的热膨胀率.αl=(L1-L0)/L0(T1-T0)=△L/L0△TαD=(D1-D0)/D0(T1-T0)=△D/D0△Tαd=(d1-d0)/d0(T1-T0)=△d/d0△T第四,同一种材料在不同的温度阶段,其膨胀率也是不一样,例如在0-20℃温度阶段的膨胀率小于20-37℃的膨胀率(见表3.图6).表1:单位:mm表2:单位:mmL:长度D:外径d:内径干燥参数中国聚乙烯德国聚乙烯英国聚乙烯水浴参数中国聚乙烯德国聚乙烯L39.7339.8839.900℃L39.7339.880℃D40.0040.0040.00D40.0040.00d28.1328.2028.20d28.1328.20L39.8540.0039.9820℃L39.8540.0020℃D40.1240.1140.07D40.1240.11d28.2028.2628.24d28.2028.26L39.9940.1340.0837℃L39.9940.1337℃D40.2440.2140.16D40.2440.21d28.2728.3228.29d28.2728.32表3:三种聚乙烯的膨胀率条件及参数中国聚乙烯膨胀率德国聚乙烯膨胀率英国聚乙烯膨胀率(0-20)℃长度方向1.50×10-41.50×10-41.00×10-4外径方向1.38×10-41.50×10-40.88×10-4内径方向1.06×10-41.24×10-40.71×10-4(20-37)℃长度方向1.91×10-42.01×10-41.47×10-4外径方向1.46×10-41.75×10-41.32×10-4内径方向1.24×10-41.46×10-41.04×10-4图6:三种聚乙烯的膨胀率对比图表第五.聚乙烯的热膨胀系数大约是钛合热膨胀系数的20倍(表4)由于钛合金的膨胀系数在100°C下为8.53×10-6/°C,在200°C下为9.34×10-6/°C在300°C下为9.52×10-6/°C(参考文献5)所以理论上钛合金产地聚乙烯的膨胀系数钛合金的膨胀系数聚乙烯的热膨胀系数大于钛合金的热膨胀系数的倍数中国聚乙烯2.01×10-4(37°C)8.53×10-6(100°C)24.51德国聚乙烯1.91×10-4(37°C)8.53×10-6(100°C)22.39英国聚乙烯1.47×10-4(37°C)8.53×10-6(100°C)17.23样块在本实验条件下的膨胀尺寸是无法测量的,因此在本实验中对钛合金的膨胀情况可以视为无膨胀.在聚乙烯切削加工...

1、当您付费下载文档后,您只拥有了使用权限,并不意味着购买了版权,文档只能用于自身使用,不得用于其他商业用途(如 [转卖]进行直接盈利或[编辑后售卖]进行间接盈利)。
2、本站所有内容均由合作方或网友上传,本站不对文档的完整性、权威性及其观点立场正确性做任何保证或承诺!文档内容仅供研究参考,付费前请自行鉴别。
3、如文档内容存在违规,或者侵犯商业秘密、侵犯著作权等,请点击“违规举报”。

碎片内容

您可能关注的文档

确认删除?
VIP
微信客服
  • 扫码咨询
会员Q群
  • 会员专属群点击这里加入QQ群
客服邮箱
回到顶部