电脑桌面
添加小米粒文库到电脑桌面
安装后可以在桌面快捷访问

三级技术交底(模板安装)VIP免费

三级技术交底(模板安装)_第1页
1/9
三级技术交底(模板安装)_第2页
2/9
三级技术交底(模板安装)_第3页
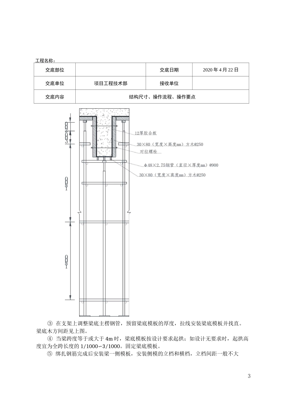
3/9
1工程名称:交底部位交底日期2020年4月22日交底单位项目工程技术部接收单位交底内容结构尺寸、操作流程、操作要点一、适用范围本技术交底适用于***大楼模板安装。二、施工流程1•墙模板安装工艺流程:组装前检查f安装第一步模板(两侧)f安装内楞f调整模板平直f安装第二步至顶部两侧模板f安装内楞调平直f安装穿墙螺栓f安装外楞f加斜撑并调模板平直f与柱、墙、楼板模板连接。2•柱模板安装工艺流程搭设安装脚手架f沿模板边线贴密封条f立柱子片模f安装柱箍f校正柱子方正、垂直和位置f全面检查校正f群体固定f办预检。3•梁模板安装工艺流程弹出梁轴线及水平线并进行复核f搭设梁模板支架f安装梁底楞f安装梁底模板f梁底起拱f绑扎钢筋f安装梁侧模板f安装另一侧模板f安装上下锁品楞、斜撑楞、腰楞和对拉螺栓f复核梁模尺寸、位置f与相邻模板连接牢固f办预检。4.板模板安装工艺流程搭设支架f安装横纵大小龙骨f调整板下皮标高及起拱f铺设顶板模板f检查模板上皮标高、平整度f办预检。三、交底内容1•墙、柱模板安装①用控制轴线测放各墙、柱的边框线,沿线设置盘脚木板条,用钢钉将木板条固定,以控制模板的截面尺寸,墙柱钢筋经隐蔽验收后,将事先拼制好的木模就位,进行校正固定,确保模板的稳定性和刚度。②严格落实班组自检、互检、交接检及项目中质检“四检”制度,确保模板安装质量。③混凝土浇筑过程中应派专人2〜3名看模,严格控制模板的位移和稳定性,一旦产生移位应及时调整,加固支撑。④对变形及损坏的模板及配件,应按规范要求及时修理校正,维修质量不合格的模板和配件不得发放使用。⑤为防止模底烂根,放线后应用水泥砂浆找平并加垫海绵。⑥所有柱子模板拼缝、梁与柱、柱与梁等节点处均用海绵胶带贴缝,楼板缝用胶带纸贴缝,以确保混凝土不漏浆。⑦模板安装应严格控制轴线、平面位置、标高、断面尺寸、垂直度和平整度,模2工程名称:交底部位交底日期2020年4月22日交底单位项目工程技术部接收单位交底内容结构尺寸、操作流程、操作要点板接缝隙宽度、高度、脱模剂刷涂及预留洞口、门洞口断面尺寸等的准确性。⑧严格执行预留洞口的定位控制,预留洞口时,木工严格按照墨线留洞。⑨每层主轴线和分部轴线放线后,规定负责测量记录人员及时记录平面尺寸测量数据,并要及时记录墙、柱、成品尺寸,目的是通过数据分析梁体和柱子的垂直度误差。并根据数据分析原因,将问题及时反馈到有关生产负责人,及时进行整改和纠正。⑩所有竖向结构的阴、阳角均须加设橡胶海绵条于拼缝中,拼缝要牢固。⑪阴、阳角模必须严格按照模板设计图进行加固处理。⑫为防止梁模板安装出现梁身不平直、梁底不平下挠、梁侧模胀模等质量问题,支模时应将侧模包底模,梁模与柱模连接处,下料尺寸应略微缩短等。2.梁模板的安装①在混凝土上弹出轴线和水平线(梁底标高引测用)为保证柱子模板整体位置正确、不发生扭曲,在支模板前根据所弹出的模板线来校正钢筋的位置,使用不发生偏移。②搭设梁模支架,梁底采用的支撑钢管类型为①48X2.75mm;梁底承重立杆根数1根;立杆沿梁跨度方向间距0.9m;立杆步距1.8m;3工程名称:交底部位交底日期2020年4月22日交底单位项目工程技术部接收单位交底内容结构尺寸、操作流程、操作要点③在支架上调整梁底主楞钢管,预留梁底模板的厚度,拉线安装梁底模板并找直。梁底木方间距见上图。④当梁跨度等于或大于4m时,梁底模板按设计要求起拱;如设计无要求时,起拱高度宜为全跨长度的1/1000〜3/1000。固定梁底模板。⑤绑扎钢筋完成后安装梁一侧模板,安装侧模的立档和横档,立档间距一般不大4工程名称:交底部位交底日期2020年4月22日交底单位项目工程技术部接收单位交底内容结构尺寸、操作流程、操作要点于450mm。梁侧模包底模(即是梁侧模高度=梁净高-板底模厚度+梁底模厚度),板底模压梁侧模(板底模侧边平梁侧模内侧边)。⑥安装梁另外一侧模板,梁表面采用内撑条,间距为800mm。⑦梁应设置穿梁对拉螺栓,对拉螺栓固定应有两根并列通长的方木或双肢©48X2.75mm圆钢管作支托(横档),不得直接固定在梁侧面板上。⑧复核检查梁模尺寸。3.板模板的安装①支架的支撑应从边跨的一...

1、当您付费下载文档后,您只拥有了使用权限,并不意味着购买了版权,文档只能用于自身使用,不得用于其他商业用途(如 [转卖]进行直接盈利或[编辑后售卖]进行间接盈利)。
2、本站所有内容均由合作方或网友上传,本站不对文档的完整性、权威性及其观点立场正确性做任何保证或承诺!文档内容仅供研究参考,付费前请自行鉴别。
3、如文档内容存在违规,或者侵犯商业秘密、侵犯著作权等,请点击“违规举报”。

碎片内容

三级技术交底(模板安装)

确认删除?
VIP
微信客服
  • 扫码咨询
会员Q群
  • 会员专属群点击这里加入QQ群
客服邮箱
回到顶部