电脑桌面
添加小米粒文库到电脑桌面
安装后可以在桌面快捷访问

镀液分散能力的测定VIP免费

镀液分散能力的测定_第1页
1/3
镀液分散能力的测定_第2页
2/3
镀液分散能力的测定_第3页
3/3
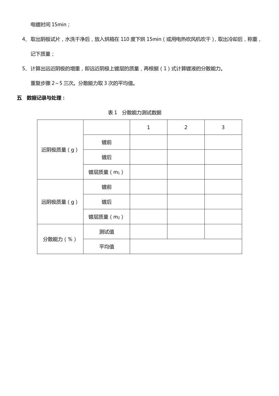
镀液分散能力(T.P)的测定一实验目的:1、掌握用远近阴极法测定镀液的分散能力。2、通过对镀镍液分散能力的测量加深理解镀液分散能力的概念及影响分散能力的因素。二实验原理:电镀液的分散能力(以T.P表示)是指在特定条件下,一定溶液使电极上(通常是阴极)镀层分布比初次电流分布所获得的结果更为均匀的能力。由此看出,分散能力是具有比较性质,其比较的基准是初次电流分布。所谓初次电流分布是仅考虑阴极不同表面至阳极几何距离不同时的阴极电流分布情况。镀层在零件上均匀分布的能力越高,该电镀溶液的分散能力就越好。电解液的分散能力越好,在阴极上不同部位所沉积出的金属镀层厚度就起均匀;反之,则镀层厚度相差越大。分散能力的测定有多种方法,测量结果的数值也不一致。这里只介绍远近阴极法。采用远近阴极法测定电解液的分散能力是比较方便的。它是在一个长方形的槽子中,平行地放置阳极和两块面积相等的阴极,如图1所示。两个阴极与阳极间的距离比为2:1或5:1,但在实验中只能选取其中的一个比例固定使用,以便于对比。分散能力好的电解液可选用较大的距离比。图1哈林槽在这种方法的测量装置中,阳极可以放置在槽子的一端,两个阴极之间用绝缘材料隔开,也可以将阳极放置在槽子中间而两个阴极分别置于槽子的两端。后一种形式较为常用。使用这种装置时,阳极应该采用网状的或带孔的,尺寸与阴极完全相同,材料与工业电镀用的相同。采用网状或带孔的阳极的目的,是为了增大阳极面积,消除阳极极化的影响,同时也有利于阳极两侧溶液的对流和扩散,以保持两侧溶液浓度相同。槽子内腔尺寸为150mm×50mm×70mm。阴极尺寸为50mm×50mm。采用厚度为0.5~1mm的黄铜板或铜板,工作表面要求平滑光亮,非工作表面用绝缘波绝缘。实验电流通常在0.5~2A之间选择,实验时间为20~30min。实验前将两个阴极清洗干净,经充分干燥后,用分析天平分别称出重量(镀前重)。槽中注入待测定的电解液,通以恒定的直流电,经过一定时间后,将阴极取出,清洗干净后置于105~115℃的烘箱中干燥15min,冷却至室温后,用分析天平称出远近阴极电镀后的重量,由此可以得出近阴极和远阴极上镀层的质量m1和m2。应用下式就可以计算出金属在阴极上的分布,即分散能力:%10022121mmKmmKPT(1)式中:T.P——镀液分散能力;K——远、近阴极到阳极的距离之比;m1、m2——阴极和远阴极上镀层的质量。按上式计算,分散能力的数值在100%~-100%的范围内变化。这时,最好的分散能力数值是100%,而最差分散能力的数值则为-100%。三设备与试剂:12V/50A直流稳压电源1台;哈林槽1个;150Ω滑线变阻器一个;5A直流电表一个;带孔镍板1块;铜片2块;镀镍液1L;稀盐酸0.5L。四实验步骤:1、在哈林槽中加入镀镍液,液面距槽口1cm;2、阴极试片经除油、酸洗、水洗后,放入烘箱在110度下烘15min(或用电热吹风机吹干),取出冷却后,称重,记下质量;3、把阳极放入哈林槽中,距离比K值选2,按图1接好线路,开通稳压电源,阴极带电入槽,电流调到0.8A,电镀时间15min;4、取出阴极试片,水洗干净后,放入烘箱在110度下烘15min(或用电热吹风机吹干),取出冷却后,称重,记下质量;5、计算出远近阴极的增重,即远近阴极上镀层的质量,再根据(1)式计算镀液的分散能力。重复步骤2~5三次。分散能力取3次的平均值。五数据记录与处理:表1分散能力测试数据近阴极质量(g)123镀前镀后镀层质量(m1)远阴极质量(g)镀前镀后镀层质量(m2)分散能力(%)测试值平均值

1、当您付费下载文档后,您只拥有了使用权限,并不意味着购买了版权,文档只能用于自身使用,不得用于其他商业用途(如 [转卖]进行直接盈利或[编辑后售卖]进行间接盈利)。
2、本站所有内容均由合作方或网友上传,本站不对文档的完整性、权威性及其观点立场正确性做任何保证或承诺!文档内容仅供研究参考,付费前请自行鉴别。
3、如文档内容存在违规,或者侵犯商业秘密、侵犯著作权等,请点击“违规举报”。

碎片内容

镀液分散能力的测定

您可能关注的文档

确认删除?
VIP
微信客服
  • 扫码咨询
会员Q群
  • 会员专属群点击这里加入QQ群
客服邮箱
回到顶部