电脑桌面
添加小米粒文库到电脑桌面
安装后可以在桌面快捷访问

市政高架路工程施工组织设计方案VIP免费

市政高架路工程施工组织设计方案_第1页
1/26
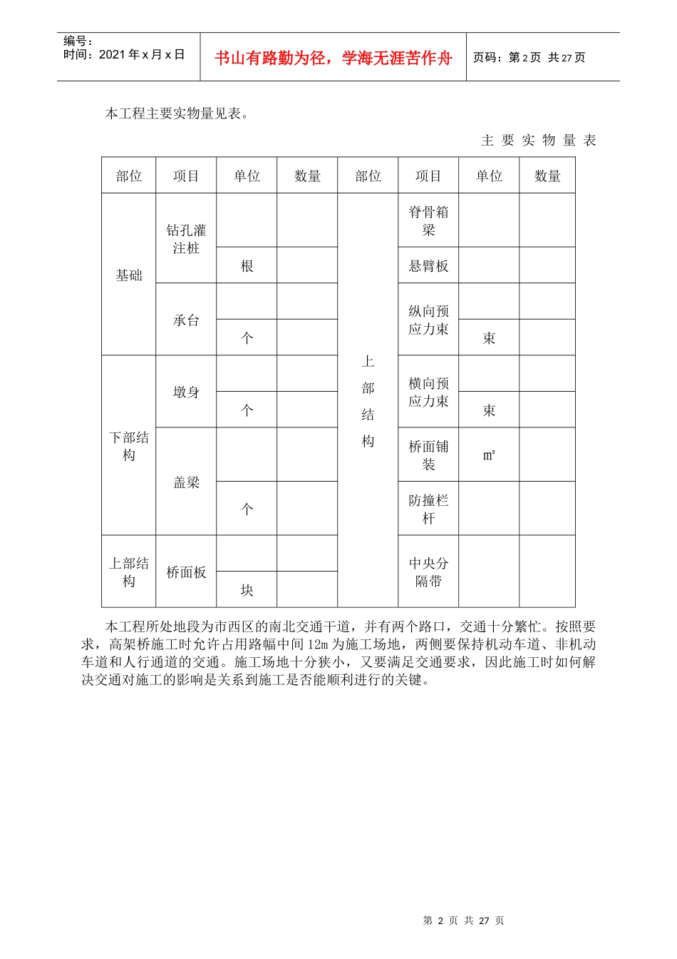
市政高架路工程施工组织设计方案_第2页
2/26
市政高架路工程施工组织设计方案_第3页
3/26
市政高架路工程施工组织设计某施工单位年月日目录第一章工程概况.......................................................................................................................................第二章施工准备.......................................................................................................................................第三章施工部署.......................................................................................................................................第四章主要材料机具劳动力安排计划...................................................................................................第五章工期目标与工期控制措施...........................................................................................................第六章主要施工方法及技术措施...........................................................................................................第七章冬雨期施工措施...........................................................................................................................第八章质量保证措施...............................................................................................................................第九章安全施工措施...............................................................................................................................第1页共27页编号:时间:2021年x月x日书山有路勤为径,学海无涯苦作舟页码:第1页共27页第一章工程概况工程概况本工程为某市市政工程之一的内环线高架二期工程的一个标段。工程位于环城西路的两铁路之间,全长1692.82m,其中271.2m为空心板梁结构,其余1421.62m为脊骨梁结构。在脊骨梁范围内,按高架桥的总体设计布局,在乙马路交叉口的南侧设置了一对上下匝道,见图工程平面图,因此分为标准段脊骨梁和匝道加减速变宽段脊骨梁两部分。脊骨梁标准段梁宽为18m,匝道加减速变宽段桥梁宽从18m,变化到36m,见图。本工程基础采用钻孔灌注桩桩基,独立式承台基础。钻孔灌注桩桩径分别为φ1000mm和φ1200mm两种,桩长为~不等。板梁结构的墩身断面为1500mm×1500mm,分为双肢墩和三肢墩,脊骨梁标准段墩身断面为4000mm×1000mm,均为单肢墩。加减速变宽段主墩断面4000mm×1000mm,辅墩断面1500mm×1500mm,分双脚墩和三肢墩,匝道均为单支墩,断面为1600mm×1200mm。板梁段盖梁为十字形断面,高2.52m,总宽2.2m。脊骨梁段的上部结构由当中的脊骨梁和两则的大挑悬臂板组成,不设盖梁,标准段脊骨箱梁为高1.8m、宽4.4m的空腹箱梁,加减速变宽段脊骨梁为不对称变宽,脊骨箱梁宽度从4.4m加宽到22.2m,从单室增加到室的空腹箱梁。大挑悬臂板根部高1m,悬臂长度6.55m脊骨梁的结构形式为五跨一联的连续预应力混凝土梁。图高架桥平面示意图图脊骨梁剖面图第1页共27页第2页共27页编号:时间:2021年x月x日书山有路勤为径,学海无涯苦作舟页码:第2页共27页本工程主要实物量见表。主要实物量表部位项目单位数量部位项目单位数量基础钻孔灌注桩上部结构脊骨箱梁根悬臂板承台纵向预应力束个束下部结构墩身横向预应力束个束盖梁桥面铺装㎡个防撞栏杆上部结构桥面板中央分隔带块本工程所处地段为市西区的南北交通干道,并有两个路口,交通十分繁忙。按照要求,高架桥施工时允许占用路幅中间12m为施工场地,两侧要保持机动车道、非机动车道和人行通道的交通。施工场地十分狭小,又要满足交通要求,因此施工时如何解决交通对施工的影响是关系到施工是否能顺利进行的关键。第3页共27页第2页共27页编号:时间:2021年x月x日书山有路勤为径,学海无涯苦作舟页码:第3页共27页第二章施工准备技术准备4.1.1图纸图集规范规程等组织有关人员熟悉图纸,确定图纸会审和设计交底时间,落实设计存在的问题和未解决的问题及解决方法,解决时间。本工程需要的图集、规范、标准、法规是否满足...

1、当您付费下载文档后,您只拥有了使用权限,并不意味着购买了版权,文档只能用于自身使用,不得用于其他商业用途(如 [转卖]进行直接盈利或[编辑后售卖]进行间接盈利)。
2、本站所有内容均由合作方或网友上传,本站不对文档的完整性、权威性及其观点立场正确性做任何保证或承诺!文档内容仅供研究参考,付费前请自行鉴别。
3、如文档内容存在违规,或者侵犯商业秘密、侵犯著作权等,请点击“违规举报”。

碎片内容

市政高架路工程施工组织设计方案

中小学教育精品资料+ 关注
实名认证
内容提供者

中小学教育资料,优质文档创作者

确认删除?
VIP
微信客服
  • 扫码咨询
会员Q群
  • 会员专属群点击这里加入QQ群
客服邮箱
回到顶部