电脑桌面
添加小米粒文库到电脑桌面
安装后可以在桌面快捷访问

综合楼装饰工程施工组织设计VIP免费

综合楼装饰工程施工组织设计_第1页
1/60
综合楼装饰工程施工组织设计_第2页
2/60
综合楼装饰工程施工组织设计_第3页
3/60
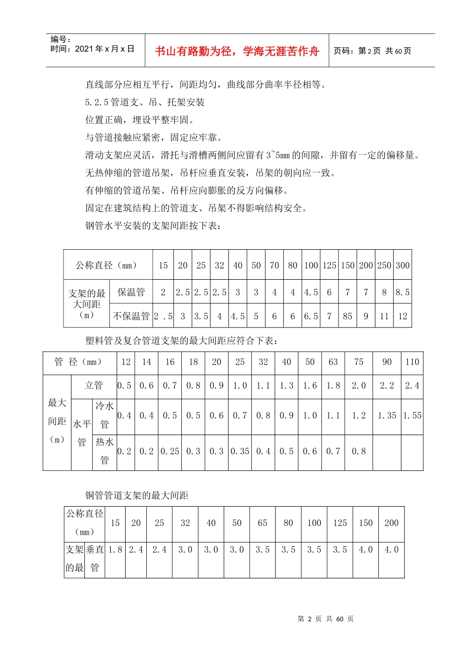
第1页共60页编号:时间:2021年x月x日书山有路勤为径,学海无涯苦作舟页码:第1页共60页5.施工部署5.1***综合楼装饰工程室内装修施工要点本工程的施工按“先湿作业、后干作业”、“先管线、后饰面”、“先墙顶、后地面”的顺序自上而下进行施工。工艺流程如下:施工准备——原旧物拆除(改水电管道)——墙面、地面基层处理——门窗框安装——墙、地面层装饰——天花吊顶——地板砖铺贴——门窗扇安装——细木制作安装——涂料、油漆——收尾竣工。在施工时,水、暖、电各专业紧密配合,进行预埋、预留及管线的改造等工作,尤其在吊顶施工时,吊顶内的电气配线及灯具位置等必须及时配置和留设,卫生洁具和灯具等应待装修基本完工后突击安装,以防损坏和丢失。5.2给排水、电气、采购等安装工程施工要点5.2.1主要控制点质量合格证,进场验收,监理确认。阀门安装前应做实验。给水排水及采暖施工时应和土建搞好配合做好洞口和预埋管件预留工作,并形成记录。隐蔽工程。管道需穿过地下室或地下构筑外墙时应采取防水措施。5.2.2管道穿变形缝保护措施在墙体两侧采取柔性连接。不小于150mm的净空。在穿墙处做成方型补偿器,水平安装。5.2.3套管设置套管管径比管道管径大2号。钢套管。高出地面50mm,其他20mm。防腐处理,断口要平整。5.2.4管道成排安装第2页共60页第1页共60页编号:时间:2021年x月x日书山有路勤为径,学海无涯苦作舟页码:第2页共60页直线部分应相互平行,间距均匀,曲线部分曲率半径相等。5.2.5管道支、吊、托架安装位置正确,埋设平整牢固。与管道接触应紧密,固定应牢靠。滑动支架应灵活,滑托与滑槽两侧间应留有3~5mm的间隙,并留有一定的偏移量。无热伸缩的管道吊架,吊杆应垂直安装,吊架的朝向应一致。有伸缩的管道吊架、吊杆应向膨胀的反方向偏移。固定在建筑结构上的管道支、吊架不得影响结构安全。钢管水平安装的支架间距按下表:塑料管及复合管道支架的最大间距应符合下表:管径(mm)121416182025324050637590110最大间距(m)立管0.50.60.70.80.91.01.11.31.61.82.02.22.4水平管冷水管0.40.40.50.50.60.70.80.91.01.11.21.351.55热水管0.20.20.250.30.30.350.40.50.60.70.8铜管管道支架的最大间距公称直径(mm)1520253240506580100125150200支架的最垂直管1.82.42.43.03.03.03.53.53.53.54.04.0公称直径(mm)1520253240507080100125150200250300支架的最大间距(m)保温管22.52.52.533444.567788.5不保温管2.533.544.55666.578591112第3页共60页第2页共60页编号:时间:2021年x月x日书山有路勤为径,学海无涯苦作舟页码:第3页共60页大间距(m)水平管1.21.81.82.42.42.43.03.03.03.03.53.5管道立管卡,应用专用管卡A、每层必须安装一个。B、高度大于5m(楼层),每层不得少于2个。C、高度距地面1.5-1.8m。5.2.6室内给水系统安装施工过程质量控制埋地管在底层土建地坪施工前安装。室内埋地管道安装至外墙应不小于1m,管口应及时封堵。钢塑复合管不得埋没于钢筋混凝土结构层中。管道安装宜先地下后地上,先大管后小管。管道穿过楼板、屋面,应予留孔洞或予埋套管,予留孔洞:外径加40mm。引入管与排出管水平净距不小于1m,室内平行敷设最小水平净距不得小于0.5m,交叉敷设时,垂直净距不得小于0.15m。坡度2‰~5‰坡向泄水装置。水表安装,螺翼式,不小于8倍水表接口直径的直线管段。5.2.7给水管道及配件安装控制重点水压试验必须符合设计要求,设计未注明时1.5倍,不小于0.6MPa,一般分两次,地下隐蔽前、系统完毕后。水压试验时,观测10min,压降不大于0.02MPa,降到工作压力检查,塑料管给水系统试验压力下稳压1h,压降不超过0.05MPa,在工作压力的1.15倍稳压2h,压降不得超过0.03MPa,不渗漏。通水试验。冲洗和消毒,取样检验。5.2.8室内排水系统安装排水立管中心与墙距d50mm-100mm;d75-110;d100-130;d150-150,立管管卡间距不得超过3m。第4页共60页第3页共60页编号:时间:2021年x月x日书山有路勤为径,学海无涯苦作舟页码:第4页共60页排水管不宜采用正三通和正四通,塑料排水管伸缩节按要求,管端插入伸缩节处预留间隙为:夏季5~10mm,冬季15~20mm。灌...

1、当您付费下载文档后,您只拥有了使用权限,并不意味着购买了版权,文档只能用于自身使用,不得用于其他商业用途(如 [转卖]进行直接盈利或[编辑后售卖]进行间接盈利)。
2、本站所有内容均由合作方或网友上传,本站不对文档的完整性、权威性及其观点立场正确性做任何保证或承诺!文档内容仅供研究参考,付费前请自行鉴别。
3、如文档内容存在违规,或者侵犯商业秘密、侵犯著作权等,请点击“违规举报”。

碎片内容

综合楼装饰工程施工组织设计

确认删除?
VIP
微信客服
  • 扫码咨询
会员Q群
  • 会员专属群点击这里加入QQ群
客服邮箱
回到顶部