电脑桌面
添加小米粒文库到电脑桌面
安装后可以在桌面快捷访问

电气检修规程(二期电动机)VIP免费

电气检修规程(二期电动机)_第1页
1/15
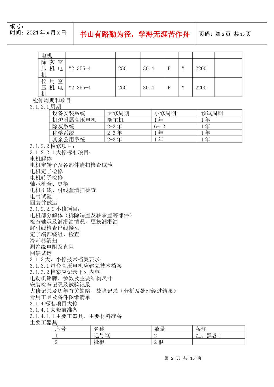
电气检修规程(二期电动机)_第2页
2/15
电气检修规程(二期电动机)_第3页
3/15
第1页共15页编号:时间:2021年x月x日书山有路勤为径,学海无涯苦作舟页码:第1页共15页第三章二期电动机检修规程第一节交流电动机检修工艺规程3.1.1设备概述:3.1.1.1我厂二期两台机及共用设备高压电动机60台,低压电动机600多台,电机主要有滚动轴承电机和卧式轴瓦电机、立式轴承电机,还有结构较特殊的立式轴瓦电机,如:“循环水泵电机”等。由于电机门类多,检修工艺各有要求,制定相应的检修规程,方便检修,便于查找依据是检修的需要,更是标准化作业的需要。3.1.1.2主要设备规范设备名称型号功率KW电流A绝缘接法重量(Kg)备注引风机电机YKK900-104200491FY27500循环水泵电机YKSL2900-16/2150-12900357.7F4Y31000磨煤机电机YMF800-121400179FY21070送风机电机YKK800-62900323FY16400凝泵电机YKSL560-41800204BY.Y8400给水前置泵电机YKK450-463071.5FY4330密封油泵电机YB2-180L-42243.2/24.9F△/Y210顶轴油泵电机M2JA200L4A3055.47FY322内冷水泵电机Y225M-24584F△309直流润滑油泵电机Z2-82L540208B430闭式循环冷却水泵电机Y315S-4110200.7B△875开式循环冷却水泵电机YKK4002-431537.8FY2780空预器电机Y180L-4TS3352242.5B△195磨油泵AиP100L4Y248.5FY31第2页共15页第1页共15页编号:时间:2021年x月x日书山有路勤为径,学海无涯苦作舟页码:第2页共15页电机除灰空压机电机Y2355-425030.4FY2200仪用空压机电机Y2355-425030.4FY2200检修周期和项目3.1.2.1周期设备安装系统大修周期小修周期预试周期机炉附属高压电机随主机1年1年除灰系统2-3年6-121年化学系统2-3年1年1年其余公用系统2-3年1年1年3.1.2.2检修项目:3.1.2.2.1大修标准项目:电机解体电机定转子及各部件清扫检查试验电机定子检修电机转子检修轴承检查、更换电机引线、引线盒清扫检查电气试验回装并试运3.1.2.2.2小修项目:电机部分解体(拆除端盖及轴承盖等部件)检查轴承及润滑油情况,更换润滑油解引线检查出线接头定子端部绕组、检查冷却器清扫测绝缘电阻及直阻回装试运3.1.3大、小修技术档案要求:3.1.3.1每台高压电机应建立技术档案3.1.3.2档案应记录下列内容电动机铭牌、参数及主要结构尺寸安装检查记录及试验记录大修记录及历年有关缺陷、故障记录(分析及处理经过结果)专用工具及备件图纸清单3.1.4标准项目大修3.1.4.1大修前准备3.1.4.1.1主要工器具、主要材料准备主要工器具序号名称数量备注1记号笔2红、黑各12撬棍2根第3页共15页第2页共15页编号:时间:2021年x月x日书山有路勤为径,学海无涯苦作舟页码:第3页共15页3拉马14套筒扳手1套32件5梅花扳手1套10件6摇表2块500V、2500V各17千斤顶2台5T、10T8水压机1台9假轴1自制10水压试验工具1套自制11铜锤112铜棒2根13大锤114塞尺1500mm15卡尺1250mm16电动吹风机117手锤18电缆轴119氧气减压表120乙炔减压表121烤把122枕木4400×400×200023钢丝刷124铜试管刷1φ3025毛刷21.5寸3寸各126地脚扳手127打槽楔用扁铁2自制28行灯1套带行灯变29导链21T、2T各130钢丝绳2主要材料(按一般高压电机大修所用数量)序号名称数量单位备注1汽油5Kg2机电设备清洗剂5Kg3塑料布2.5Kg4抹布5Kg5白布2M26胶皮3M27砂纸10张0#8密封胶1管乐泰6879黄蜡带2盘10相色带11二硫化钼2.5Kg12槽楔根据实际13垫条根据实际3.1.4.2现场安全措施及注意事项3.1.4.2.1严格履行工作票制度第4页共15页第3页共15页编号:时间:2021年x月x日书山有路勤为径,学海无涯苦作舟页码:第4页共15页3.1.4.2.2电动机断、引线应做好标记,电缆侧三相短路接地。3.1.4.2.3现场设围栏、非工作人员禁止进入检修现场3.1.4.2.4设文明施工,安全施工及危险点等事项的揭示牌。3.1.4.2.5每日开工检查安全措施、收工清点器具、材料,做好防盗措施,打扫现场卫生。3.1.4.2.6做到“三不落地”等文明施工标准、施工中注意设备及人身安全。3.1.4.3大修工序流程图:拆引线、地脚、电机移位拆冷却器、风扇罩、风扇、对轮拆端盖测间隙、拆轴瓦及瓦座抽转子定转子检修及其它部分检修及电气试验穿转子回装电气试验接引线空转试运找正、带负荷试运3.1.5检修步骤及工艺标准:说明:以下按一般卧式滚动轴承电机为例说明,其它结构电机...

1、当您付费下载文档后,您只拥有了使用权限,并不意味着购买了版权,文档只能用于自身使用,不得用于其他商业用途(如 [转卖]进行直接盈利或[编辑后售卖]进行间接盈利)。
2、本站所有内容均由合作方或网友上传,本站不对文档的完整性、权威性及其观点立场正确性做任何保证或承诺!文档内容仅供研究参考,付费前请自行鉴别。
3、如文档内容存在违规,或者侵犯商业秘密、侵犯著作权等,请点击“违规举报”。

碎片内容

电气检修规程(二期电动机)

中小学教育精品资料+ 关注
实名认证
内容提供者

中小学教育资料,优质文档创作者

确认删除?
VIP
微信客服
  • 扫码咨询
会员Q群
  • 会员专属群点击这里加入QQ群
客服邮箱
回到顶部