电脑桌面
添加小米粒文库到电脑桌面
安装后可以在桌面快捷访问

单片机-教学大纲VIP免费

单片机-教学大纲_第1页
1/13
单片机-教学大纲_第2页
2/13
单片机-教学大纲_第3页
3/13
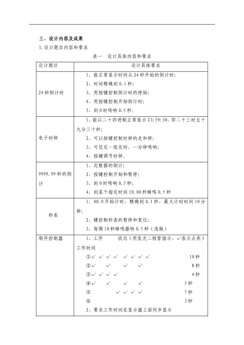
《单片机原理与应用技术》课程设计大纲实践环节名称:单片机原理与应用课程设计适用专业:电子电器应用与维修学时:2周开设学期:第二学年第二学期先修课程:电工技术基础、电子技术基础等一、本课程设计的目的和要求单片机原理及应用课程设计是电气自动化技术专业微机控制领域重要的实践环节之一,主要以小型实用性微机控制系统的软、硬件设计为主。1.课程设计的目的(1)全面熟练掌握单片机的硬件组成以及各种指令的应用。(2)使学生掌握小型单片机应用系统设计的步骤;(3)熟悉和掌握单片机开发系统的应用和软件调试过程;(4)通过设计过程中对故障的分析、判断、检修进一步锻炼和培养学生的动手能力。2.课程设计的要求(1)按时出勤,遵守实验室的各种规章制度。(2)能够根据设计任务书的要求,利用学过的基础知识,认真独立完成设计任务。(3)学会判断、分析常见问题产生的原因以及解决办法。二、设计题目为了加强理论联系实际,锻炼学生分析、解决实际问题的能力,课程设计题目尽量采用具有一定应用价值意义的小型微机控制系统的设计,然后根据学生的特点进行必要的简化,主要设计题目如下:1、24秒倒计时2、电子时钟3、9999.99秒的倒计4、秒表5、顺序控制器6、模拟交通灯7、模拟日历8、模拟小广告屏三、设计内容及成果1.设计题目内容和要求表一设计具体内容和要求设计题目设计具体要求24秒倒计时1、能正常显示时间从24秒开始的倒计时;2、时间精确到0.1秒;3、用按键控制倒计时的停始;4、用按键控制开始倒计时;5、到0时鸣响0.5秒。电子时钟1、能以二十四进制正常显示23:59:30,即二十三时五十九分三十秒;2、可以按键控制时钟的走和停;3、可设定一组定时,一分钟鸣响;4、按键调节时钟。9999.99秒的倒计1、定数据的倒计;2、按键控制开始和暂停;3、到0时鸣响0.5秒;4、到某个指定时间10.00秒蜂鸣0.5秒秒表1、00.0开始计时,精确到0.1秒,最大计时时间10分钟;2、键控制秒表的暂停和复位;3、每隔10秒蜂鸣器响0.5秒(选做)顺序控制器1、工序状态(用发光二极管指示,√表示点亮)工作时间①√√√√√√√√10秒②√√√√8秒③√√√√4秒④√√√√5秒⑤√√√√7秒⑥3秒2、要求工作时间在显示器上面同步显示3、以P3.0为故障信号,如果出现按键按下的情况,工序暂停,蜂鸣器响0.5秒,以P3.1为维修好信号,按下工序继续。模拟交通灯1、主干道绿灯12秒,支干道绿灯6秒,黄灯都是3秒2、要求用定时器实现定时时间3、要求显示器同步显示主干道时间的倒计时4、如果P3。0按键按下,表示有紧急车辆通过(救火车等),2路都亮红灯,蜂鸣器响,如果P3.1按下则恢复正常。模拟日历1、2005.05.00开始显示,走时到2005.05.31结束2、个按键按下时间能够显示改天的阴历日期,再次按下则恢复公历3、某个按键按下时间能够显示星期几(选做)模拟小广告屏1、显示出现2005.05.29,要求一个一个出现,从左向右,8秒后全部出现2、然后一个一个灭掉,从右向左,8秒全部灭掉3、同时显示2005.05.29,同时亮2秒,同时灭2秒,继续4此要求用定时器实现定时。2.设计成果要求:(1)用电路CAD绘制设计的原理图及印刷电路板图。(2)正确选择元件,完成硬件电路的焊接及调试。(3)用仿真器调试设计程序,观察设计的实际效果。(4)用计算机撰写课程设计报告。四、课程设计时间安排课程设计时间暂时定为二周,建议时间分配如下:表二课程设计时间安排时间内容第一周一1、分设计小组,自选设计题目。2、讲解单片机应用系统的设计过程。二1、设计硬件电路原理图。2、设计电路的印刷电路板图。三1、绘制硬件电路原理图。2、绘制电路的印刷电路板图。四编制几个实用小程序熟悉仿真器的应用。五针对自己的设计题目思考具体方案。第二周一绘制各自设计题目的程序框图并编制程序。二调试各自的设计程序。三讲解设计报告的书写格式,要求个人写出草稿。四用计算机打印实习报告,指导教师组织答辩或考核。五学生清理实习场地,整理归还工具,指导教师评定成绩。五、成绩考核1、成绩评定:设计完成之后,教师对学生的设计成果以及平时表现全面进行考核,进行简短的答辩,评定最终成绩。2、考核方式:口试+...

1、当您付费下载文档后,您只拥有了使用权限,并不意味着购买了版权,文档只能用于自身使用,不得用于其他商业用途(如 [转卖]进行直接盈利或[编辑后售卖]进行间接盈利)。
2、本站所有内容均由合作方或网友上传,本站不对文档的完整性、权威性及其观点立场正确性做任何保证或承诺!文档内容仅供研究参考,付费前请自行鉴别。
3、如文档内容存在违规,或者侵犯商业秘密、侵犯著作权等,请点击“违规举报”。

碎片内容

单片机-教学大纲

文章天下+ 关注
实名认证
内容提供者

各种文档应有尽有

确认删除?
VIP
微信客服
  • 扫码咨询
会员Q群
  • 会员专属群点击这里加入QQ群
客服邮箱
回到顶部