电脑桌面
添加小米粒文库到电脑桌面
安装后可以在桌面快捷访问

医院内部控制定性评价标准VIP免费

医院内部控制定性评价标准_第1页
1/6
医院内部控制定性评价标准_第2页
2/6
医院内部控制定性评价标准_第3页
3/6
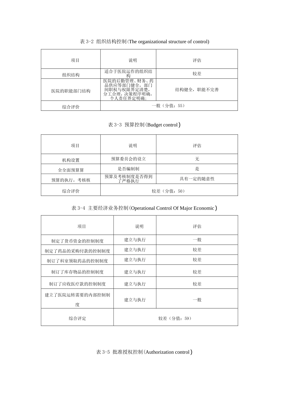
3.4五三六医院内部会计控制现状定性评价结合五三六医院的特点,内部控制定性评价指标包括一下几项①内部控制环境②组织结构控制③预算控制④授权控制⑤文件纪录控制⑥财产保全控制⑦会计人员素质控制⑧内部报告控制⑨财务稽核控制⑩经济业务控制(11)审计机构对企业内部控制制度评审制度(12)国家法律法规执行情况。【18】关于内部控制评价的标准,即是否建立了各项内部控制的依据是:如果该医院在以下方面满足了要求,就可以认为其建立了该方面的控制。将内部控制的定性评价原则如下:良好(分值:80-100分):指医院该方面的内部控制制度建立健全,并得到严格执行;一般(分值60-79分):指医院该方面的内部控制制度基本建立或健全,并得到了执行;较差(分值50-59分):指公司该方面的内部控制制度基本建立或健全,但不能得到充分执行;极差(分值50以下):指公司该方面的内部控制制度基本没有建立或健全,并得不到执行由于五三六医院的特殊性,不参照公司的作法,将各项指标按照关键性和一般性划分,只是在评估总分的基础上的计算其内部控制等级。本次所做评估是以问卷的形式,调查对象全都是五三六医院的上级主管部门的主管业务助理以及各业务处长的同意。并和医院主管领导沟通后得出结果。表3-1内部控制环境(TheEnvironmentOfInternalcontrol)项目说明评估经经营者品行、操守、价值观评价价个人素质良好员员工的诚实性和道德观观员工素质一般管管理哲学和经营方式式管理层对人为操纵的或错误的的记录的态度一般授予权利和责任的方式关键部门的经理的职责是否有规定不完善人人力资源政策和实施是否有关于培训、提升和奖励雇员员不完善综合评定一般(分值:60分)表3-2组织结构控制(Theorganizationalstructureofcontrol)表3-3预算控制(Budgetcontrol)表3-4主要经济业务控制(OperationalControlOfMajorEconomic)表3-5批准授权控制(Authorizationcontrol)项目说明评估组织结构适合于医院运作的组织结构较差医院的职能部门结构医院的后勤管理、财务、药品供应等部门健全,部门间职权与权限界定清楚,分工合理,决策程序明确,个人责任界定明确;结构健全,职能不完善综合评价一般(分值:55)项目说明评估机构设置预算委员会的设立无全全面预算算是否编制制是预算的执行,考核核预算及考核制度是否得到了严格执行具有一定的随意性综合评价较差(分值:50)项目说明评估制定了货币资金的控制制度建立与执行一般制定了药品的采购付款的控制制度建立与执行较差制订了科室领取药品的控制制度建立与执行较差制订了库存物品的控制制度建立与执行较差制订了应收医疗款的控制制度建立与执行较差建立了医院运转需要的内部控制制度建立与执行一般综合评定较差(分值:59)表3-6财产保全控制(Thepreservationofpropertycontrol)表3-7国家及部队法律法规执行情况Countryandforcetheimplementationoflawsandregulations表3-8上级财务、审计部门对医院的内部控制评审制度Higherlevelsoffinancialandauditingdepartmentsofthehospitalaccreditationsystemofinternalcontrol项目说明评估建立了授权批准制度,职责权限明确建立与执行一般授权者与执行者是否分离建立与执行较差是否存在财务收支审批的“一支笔”行为。建立与执行较差综合评定较差(分值:55)项目说明评估建立了财产清查制度建立与执行一般建立了资产处置制度建立与执行较差建立了报销管理制度建立与执行良好建立了医疗收支制度建立与执行一般综合评定一般(分值:75)项目说明评估①有无违反国家法律法规行为;良好②有无重大违反地区法规行为良好③有无违反行业制度行为。良好综合评定一般(分值:85)表3-9财务稽核控制(Financialauditcontrol)表3-10文字记录控制(Recordcontrolcharacters)(11)内部报告控制,五三六医院没有建立业务分析制度以及内部财务报告制度,只是相关事项大多采取临时性报告的方式进行沟通。表3-12会计人员素质控制(Accountingpersonnelqualitycontrol)项目说明评估建立了上级单位对医院的审计制度上级财务、审计对医院进行定期检查一般建立了内部审计制度建立与执行无综合评定一般(分值:60)项目说明...

1、当您付费下载文档后,您只拥有了使用权限,并不意味着购买了版权,文档只能用于自身使用,不得用于其他商业用途(如 [转卖]进行直接盈利或[编辑后售卖]进行间接盈利)。
2、本站所有内容均由合作方或网友上传,本站不对文档的完整性、权威性及其观点立场正确性做任何保证或承诺!文档内容仅供研究参考,付费前请自行鉴别。
3、如文档内容存在违规,或者侵犯商业秘密、侵犯著作权等,请点击“违规举报”。

碎片内容

医院内部控制定性评价标准

墨香书阁+ 关注
实名认证
内容提供者

热爱教学事业,对互联网知识分享很感兴趣

确认删除?
VIP
微信客服
  • 扫码咨询
会员Q群
  • 会员专属群点击这里加入QQ群
客服邮箱
回到顶部