电脑桌面
添加小米粒文库到电脑桌面
安装后可以在桌面快捷访问

单片机与数模及模数转换器接口VIP免费

单片机与数模及模数转换器接口_第1页
1/13
单片机与数模及模数转换器接口_第2页
2/13
单片机与数模及模数转换器接口_第3页
3/13
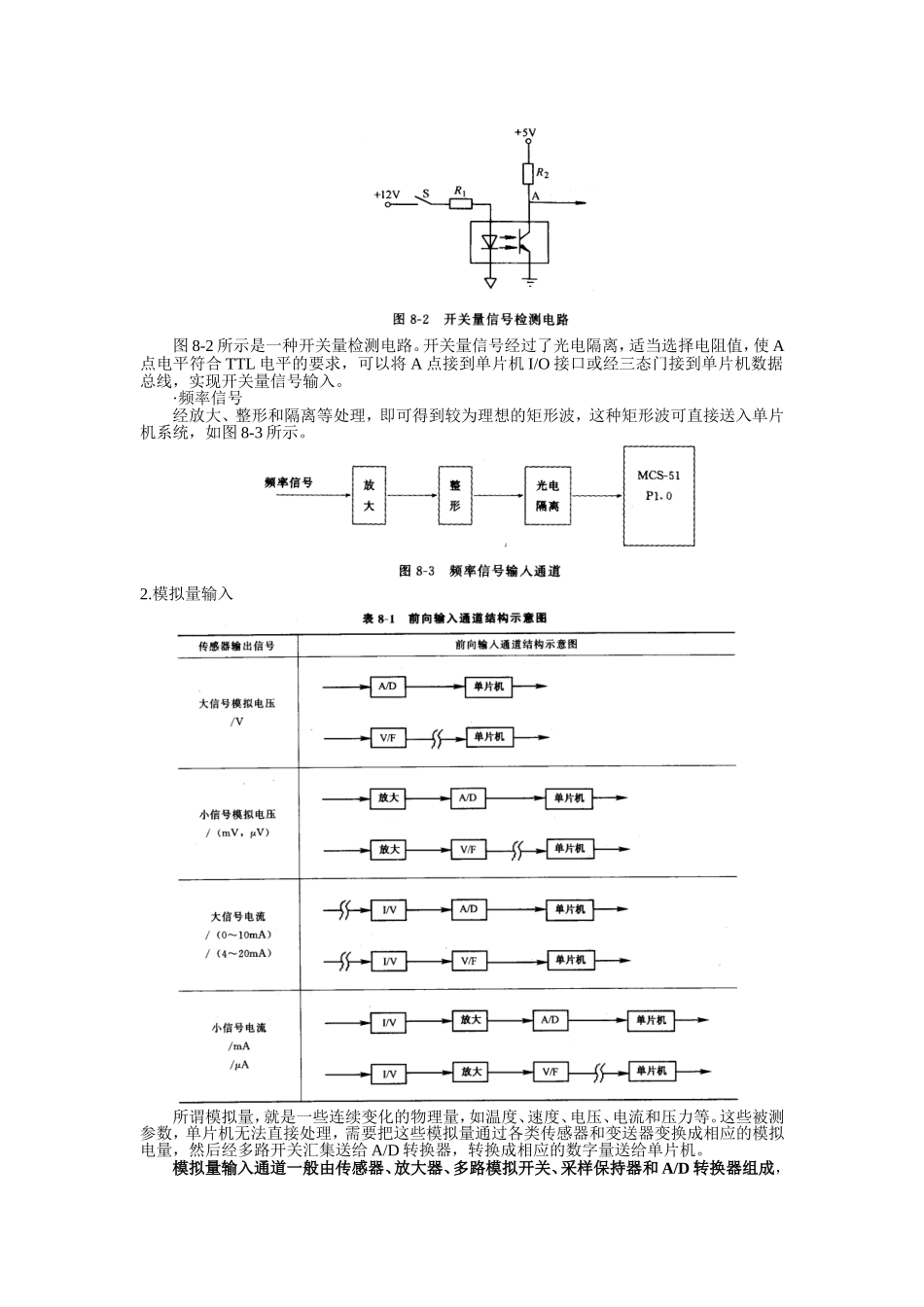
第九章单片机与数模及模数转换器接口当以单片机为核心组成实时测控系统时,通常需要对被控对象的状态进行测试和对控制条件进行监测,因此需要通过前向输入通道将被测信号输入单片机系统中。在科学研究和生产过程中,测控系统的被测参数可以是温度、压力、速度等非电量,也可以是电流、电压、功率和开关量等电量。这些参数信号需通过各类传感器和变送器变换成相应的模拟电量,然后经多路开关汇集送给A/D转换器,转换成相应的数字量送给单片机。经过单片机处理过的数字量,送给D/A转换器,变换成相应的模拟量对被控系统实施控制和调整,使之处于最佳工作状态,如图8-1所示。知识要点:输入输出通道的基本知识,数字量输入输出通道和模拟量输入输出通道的结构A/D转换器工作原理和MCS-51系列单片机的连接以及程序设计方法。D/A转换器工作原理和MCS-51系列单片机的连接以及程序设计方法。第一节MCS-51单片机与DA转换器的接口和应用一、概述被测信号分为数字量和模拟量两种。1.数字量输入数字量包括N位并行数字量、开关量和频率信号。·N位并行数字量可以直接送入单片机的I/O接口。若N位数字量并行输入,当N=8时,正好利用一个8位I/O接口输入单片机内;当N<8时,可利用一个8位I/O接口输入CPU,然后将其他位屏蔽即可得到N位数据;当N>8时,输入方式有两种:一种是利用多个8位I/O接口,另一种是利用一个I/O接口多次选通输入。·开关量开关量是输入信号为具有TTL电平的状态信号,如继电器的吸合与断开、光电门的导通与截止、限位开关、按钮、转换开关、接触器等电器的触点通断,其信号电平只有高、低两种电平。图8-2所示是一种开关量检测电路。开关量信号经过了光电隔离,适当选择电阻值,使A点电平符合TTL电平的要求,可以将A点接到单片机I/O接口或经三态门接到单片机数据总线,实现开关量信号输入。·频率信号经放大、整形和隔离等处理,即可得到较为理想的矩形波,这种矩形波可直接送入单片机系统,如图8-3所示。2.模拟量输入所谓模拟量,就是一些连续变化的物理量,如温度、速度、电压、电流和压力等。这些被测参数,单片机无法直接处理,需要把这些模拟量通过各类传感器和变送器变换成相应的模拟电量,然后经多路开关汇集送给A/D转换器,转换成相应的数字量送给单片机。模拟量输入通道一般由传感器、放大器、多路模拟开关、采样保持器和A/D转换器组成,其结构形式取决于被测对象的环境、输出信号的类型、数量和大小等,见表8-1。说明:根据传感器输出信号的大小和类型,选择前向输入通道结构。大信号模拟电压,能直接满足A/D转换输入要求,则可直接送入A/D转换器,经过A/D转换后再送入单片机。也可通过V/F转换成频率信号送入单片机。但由于频率测量响应速度慢,多用于一些非快速过程参量的测量,这种通道结构的优点是抗干扰能力强,便于远距离传输。小信号模拟电压,则首先应将该信号电压放大,放大到能满足A/D转换、V/F转换要求的输入电压。以电流为输出信号的传感器或传感仪表则首先应通过I/V转换,将电流信号转换成电压信号。最简单的I/V转换器就是一个精密电阻,当信号电流流过精密电阻时,其电压降与流过的电流大小成正比,从精密电阻两端取出的电压就是I/V变换后的电压信号。二、A/D转换接口技术A/D转换接口技术的主要内容是合理选择A/D转换器和其他外围器件,实现与单片机的正确连接以及编制转换程序。A/D转换器(Analog-DigitalConverter)是一种能把输入模拟电压或电流变成与其成正比的数字量的电路芯片,即能把被控对象的各种模拟信息变成计算机可以识别的数字信息。分类:计数器式A/D转换器、双积分式A/D转换器、逐次逼近式A/D转换器和并行A/D转换器。计数器式A/D转换器结构很简单,但转换速度也很慢,所以很少采用。双积分式A/D转换器抗干扰能力强,转换精度很高,但速度不够理想,常用于数字式测量仪表中。逐次逼近式A/D转换器结构不太复杂,转换速度也高。计算机中广泛采用其作为接口电路。并行A/D转换器的转换速度最快,但因结构复杂而造价较高,故只用于那些转换速度极高的场合。1、概述1)A/D转换器的技术指标:·量化误差(QuantizingError)与分辨率(Resolution)。A/...

1、当您付费下载文档后,您只拥有了使用权限,并不意味着购买了版权,文档只能用于自身使用,不得用于其他商业用途(如 [转卖]进行直接盈利或[编辑后售卖]进行间接盈利)。
2、本站所有内容均由合作方或网友上传,本站不对文档的完整性、权威性及其观点立场正确性做任何保证或承诺!文档内容仅供研究参考,付费前请自行鉴别。
3、如文档内容存在违规,或者侵犯商业秘密、侵犯著作权等,请点击“违规举报”。

碎片内容

单片机与数模及模数转换器接口

您可能关注的文档

文章天下+ 关注
实名认证
内容提供者

各种文档应有尽有

确认删除?
VIP
微信客服
  • 扫码咨询
会员Q群
  • 会员专属群点击这里加入QQ群
客服邮箱
回到顶部