电脑桌面
添加小米粒文库到电脑桌面
安装后可以在桌面快捷访问

北斗GPS多模卫星导航模块-VIP免费

北斗GPS多模卫星导航模块-_第1页
1/13
北斗GPS多模卫星导航模块-_第2页
2/13
北斗GPS多模卫星导航模块-_第3页
3/13
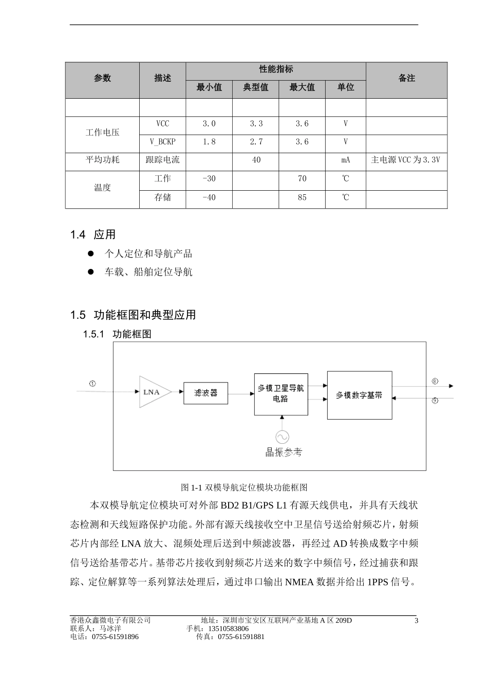
XN647-BDBD/GPS多模卫星导航通用接收机模组产品说明书香港众鑫微电子有限公司地址:深圳市宝安区互联网产业基地A区209D联系人:马冰洋手机:13510583806电话:0755-61591896传真:0755-615918811功能描述1.1概述本模块是一款支持BD2B1/GPSL1频点的双模导航定位模块。模块尺寸为16mmx12mmx2.65mm,采用24pin邮票孔封装。本模块内部具备天线状态检测和天线短路保护功能,支持休眠工作模式。1.2产品特性24pin邮票孔封装,尺寸16mmx12mmx2.5mm支持BD2B1和GPSL1频点支持以下三种工作模式1)单BD2B1工作模式2)单GPSL1工作模式3)BD2B1/GPSL1混合工作模式内置BD2B1/GPSL1的LNA(低噪声放大器)。具有天线状态检测和天线短路保护的功能。具有备份电源输入接口,支持热启动。内部自带上电复位电路,并支持用户在使用中对模块进行外部复位。1.3性能指标表1-1双模导航定位模块主要性能指标参数描述性能指标备注最小值典型值最大值单位定位精度水平≤2.5m测速精度速度≤1m/s首次定位时间TTFF冷启动≤30s热启动≤1s重捕获≤2s灵敏度捕获-148dBm跟踪-165dBm串口输出波特率48009600115200bps默认9600bps数据更新率150Hz香港众鑫微电子有限公司地址:深圳市宝安区互联网产业基地A区209D联系人:马冰洋手机:13510583806电话:0755-61591896传真:0755-615918812参数描述性能指标备注最小值典型值最大值单位工作电压VCC3.03.33.6VV_BCKP1.82.73.6V平均功耗跟踪电流40mA主电源VCC为3.3V温度工作-3070℃存储-4085℃1.4应用个人定位和导航产品车载、船舶定位导航1.5功能框图和典型应用1.5.1功能框图图1-1双模导航定位模块功能框图本双模导航定位模块可对外部BD2B1/GPSL1有源天线供电,并具有天线状态检测和天线短路保护功能。外部有源天线接收空中卫星信号送给射频芯片,射频芯片内部经LNA放大、混频处理后送到中频滤波器,再经过AD转换成数字中频信号送给基带芯片。基带芯片接收到射频芯片送来的数字中频信号,经过捕获和跟踪、定位解算等一系列算法处理后,通过串口输出NMEA数据并给出1PPS信号。香港众鑫微电子有限公司地址:深圳市宝安区互联网产业基地A区209D联系人:马冰洋手机:13510583806电话:0755-61591896传真:0755-6159188131.5.2典型应用图1-2双模导航定位模块典型应用图2模块接口说明2.1硬件接口2.1.1电源模块有两个电源输入管脚(VCC、V-BCK)与两个电源输出管脚(VCC-RF)。其中VCC为模块的工作主电源;V-BCK为模块的备份输入电源,在主电源VCC断电时给RTC电路供电,确保关键信息不丢失,以实现热启动功能,模块内部设计有对备用电源V-BCK的充电电路,推荐外接可充电的电池或大容量电容;VCC-RF输出VCC电压值,可用于天线供电。2.1.2天线接口模块的天线接口(RFIN管脚)可直接连接BD2B1/GPSL1双模有源天线。该接口内部采用50Ω阻抗匹配。2.1.31PPS信号接口模块第3脚1PPS为秒脉冲信号输出。2.1.4UART接口串口1在UTC秒边界输出NMEA数据,上位机也可以通过该串口对模块进行工作模式切换。香港众鑫微电子有限公司地址:深圳市宝安区互联网产业基地A区209D联系人:马冰洋手机:13510583806电话:0755-61591896传真:0755-6159188143机械特性3.1模块尺寸图3-1外形尺寸3.2管脚定义123456ABCD654321DCBATitleNumberRevisionSizeBDate:25-Jul-2013SheetofFile:E:\\2013\ptotel99\MyDesign.ddb项目资料DrawnBy:BOOT-SET1NC21PPS3NC4NC5NC6NC7RST8VCC-RF9GND10RFIN11GND12GND13NC14NC15NC16NC17NC18NC19TXD20RXD21V-BCK22VCC23GND24UXN647-BD1PPSRXDTXDBS3311uF3.3V有源天线BOOT-SET1NC21PPS3NC4NC5NC6NC7RST8VCC-RF9GND10RFIN11GND12GND13NC14NC15NC16NC17NC18NC19TXD20RXD21V-BCK22VCC23GND24XN647-BD图3-2双模导航定位模块管脚示意图香港众鑫微电子有限公司地址:深圳市宝安区互联网产业基地A区209D联系人:马冰洋手机:13510583806电话:0755-61591896传真:0755-615918815表格3-1双模导航定位模块管脚定义管脚信号名方向电平标准描述1BOOT_SELO0-3.6V未连接。2NCI0-3.6V未连接31PPSO0-3.6V秒脉冲输出。串口1发送:NMEA数据输出、软件版本升级、状态输出等4,5,6,7NC------...

1、当您付费下载文档后,您只拥有了使用权限,并不意味着购买了版权,文档只能用于自身使用,不得用于其他商业用途(如 [转卖]进行直接盈利或[编辑后售卖]进行间接盈利)。
2、本站所有内容均由合作方或网友上传,本站不对文档的完整性、权威性及其观点立场正确性做任何保证或承诺!文档内容仅供研究参考,付费前请自行鉴别。
3、如文档内容存在违规,或者侵犯商业秘密、侵犯著作权等,请点击“违规举报”。

碎片内容

北斗GPS多模卫星导航模块-

文章天下+ 关注
实名认证
内容提供者

各种文档应有尽有

确认删除?
VIP
微信客服
  • 扫码咨询
会员Q群
  • 会员专属群点击这里加入QQ群
客服邮箱
回到顶部