电脑桌面
添加小米粒文库到电脑桌面
安装后可以在桌面快捷访问

钢筋尺寸标准VIP免费

钢筋尺寸标准_第1页
1/7
钢筋尺寸标准_第2页
2/7
钢筋尺寸标准_第3页
3/7
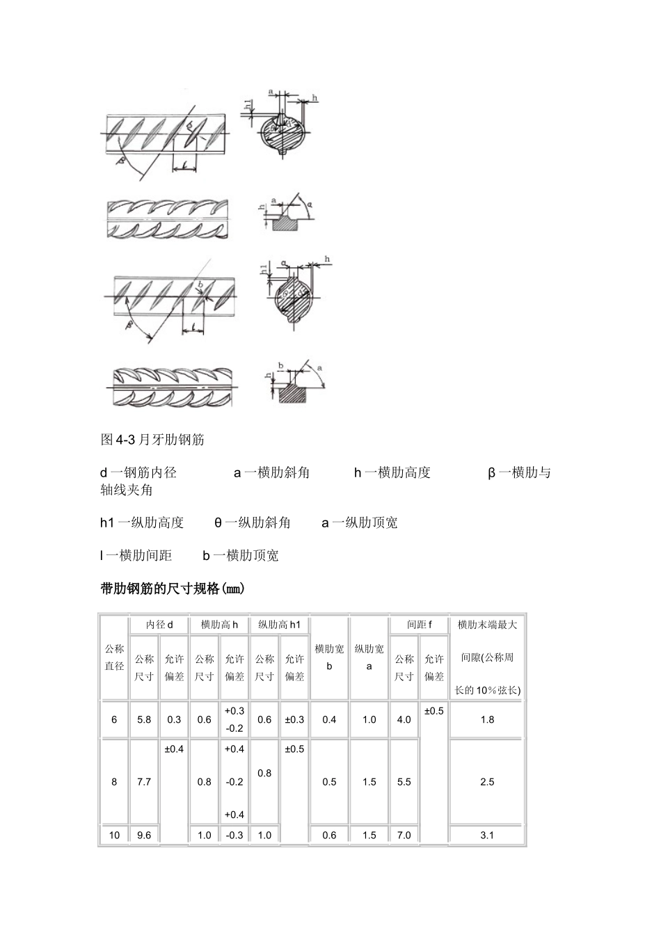
尺寸规格钢筋的尺寸规格公称直径/mm公称横截面面积/mm²理论质量/(kg/m)628.270.222850.270.3951078.540.61712113.10.88814153.91.2116201.11.5818254.52.0020314.22.4722380.12.9825490.93.8528615.84.8332804.26.313610187.994012579.8750196415.42注:表中理论质量按密度为7.85g/cm2计算。图4-3月牙肋钢筋d一钢筋内径a一横肋斜角h一横肋高度β一横肋与轴线夹角h1一纵肋高度θ一纵肋斜角a一纵肋顶宽l一横肋间距b一横肋顶宽带肋钢筋的尺寸规格(mm)公称直径内径d横肋高h纵肋高h1横肋宽b纵肋宽a间距f横肋末端最大间隙(公称周长的10%弦长)公称尺寸允许偏差公称尺寸允许偏差公称尺寸允许偏差公称尺寸允许偏差65.80.30.6+0.3-0.20.6±0.30.41.04.0±0.51.887.7±0.40.8+0.4-0.2+0.40.8±0.50.51.55.52.5109.61.0-0.31.00.61.57.03.11211.51.2±0.41.2±0.80.71.58.03.71413.41.41.40.81.89.04.31615.41.51.50.91.810.05.01817.31.6+0.5-0.41.61.02.010.05.62019.3±0.51.7±0.51.71.22.010.0±0.86.22221.31.9±0.61.9±0.91.32.510.56.82524.22.12.11.52.512.57.72827.2±0.62.22.21.73.012.5±1.08.63231.02.4+0.8-0.72.4±1.11.93.014.09.93635.02.6+1.0-0.82.62.13.515.011.14038.7±0.72.9±1.12.92.23.515.012.45048.5±0.83.2±1.23.2±1.22.54.016.015.5注:1.纵肋斜角θ为0°~30°。2.尺寸a、b为参考数据。(2)允许偏差带肋钢筋的质量允许偏差公称直径/mm实际质量与理论质量的偏差(%)6~12±714~20±522~50±4(3)牌号和化学成分带肋钢筋的牌号和化学成分牌号化学成分(质量分数)(%)≤CSiMnPSCeqHRB3350.250.801.600.0450.0450.52HRB4000.250.801.600.0450.0450.54HRB5000.250.801.600.0450.0450.55注:1.热轧带肋钢筋的牌号由HRB和牌号的屈服点最小值构成。H、R、B分别为热轧(H0tr011ed)、带肋(Ribbed)、钢筋(Bars)三个词的英文首位字母。热轧带肋钢筋分为HRB335、HRB400、HRB500三个牌号。2.碳当量Ceq(%)值可按下式计算:Ceq=Wc+WMn/6+(WCr+Wv+WM0)/5+(WCu+WNi)/15式中Wc、WMn分别为C、Mn的质量分数。(4)力学性能带筋钢筋的力学性能牌号公称直径/mmós(或óp0.2)/MPaób/MPaδ5(%)≥HRB3356~2528~5033549016HRB4006~2528~5040057014HRB5006~2528~50500630125.冷轧带肋钢筋(GBl3788-1992)(1)尺寸规格三面肋钢筋a一横肋斜角β---横肋与轴线夹角a一横肋高度b一横肋顶宽c一横肋间距两面肋钢筋a一横肋斜角β一横肋与轴线夹角a一横肋高度b一横肋顶宽c一横肋间距d一钢筋内径三面肋钢筋的尺寸规格公称直径/mm公称横截面积/mm²理论质量/(kg/m)肋中点高肋1/4处高na/mm肋顶宽b/mm肋距相对肋面积ƒr≥a允许偏差≤c/mm允许偏差(%)≤mm(4)12.60.0990.30+0.10-050.24~0.2d4.0±150.036519.60.1540.320.264.00.039628.30.2220.400.325.00.039738.50.3020.460.375.00.045850.30.3950.550.446.00.045963.60.4990.750.607.00.0521078.50.6170.750.607.00.052(12)113.10.8880.970.778.40.056注:1.括号中的公称直径不推荐采用。2.肋与钢筋轴夹角β为40°-60°。肋两侧面与钢筋表面斜角a大于等于45°。肋间隙的总和应不大于公称周长的20%。3.理论质量的允许偏差不大于±4%。两面肋钢筋的尺寸规格公称直径/mm内径d/rrnn公称横截面积/mm²理论质量/(kg/m)肋中点高肋1/4处高/mm肋顶宽b/mm肋距相对肋面积ƒr≥标准尺寸允许偏差a允许偏差≤c允许偏差≤mm54.8±0.219.60.1540.32+0.10-0.050.20-0.2d4.0±150.03965.828.30.2220.400.275.00.03976.6±0.438.50.3020.460.315.00.04587.6<,SPANstyle="FONT-FAMILY:Arial;FONT-SIZE:9pt;mso-font-kerning:0pt"lang=EN-US>50.30.3950.550.376.00.04598.663.60.4990.750.507.00.052109.578.50.6170.750.507.00.0521211.5113.10.8880.970.658.40.056注:1.理论质量的允许偏差不大于±4%。2.允许有高度不大于0.5a的纵肋。(2)牌号和化学成分冷拉带肋钢筋的牌号和化学成分级别代号牌号化学成分(质量分数)(%)CSiMnTiS≤P≤LL550Q2150.09~0.15≤0.300.25~0.550.0500.045LL650Q2350.14~0.22≤0.300.30~0.650.0500.045LL80024MnTi0.19~0.270.17~0.371.20~1.600.01~0.050.0450.045注:铬、镍、铜的残余含量(质量分数)各不大于0.30%,砷的残余含量(质量分数)不大于0.08%,氮的含量(质量分数)不大于0.08%,若供方保证,可不作检验。(3)力学和工艺性能冷拉带肋钢筋的力学和工艺性能级别代号屈服强度ó0.2抗拉强度ób伸长率(%)≥180°冷弯试验,d为弯心直径,a为钢筋直径应力松弛óc0n=0.7óbMPa≥δ10δl001000h(%)≤10h(%)≤LL5505005508d=3aLL6505206504d=4a85LL8006408004d=5a85

1、当您付费下载文档后,您只拥有了使用权限,并不意味着购买了版权,文档只能用于自身使用,不得用于其他商业用途(如 [转卖]进行直接盈利或[编辑后售卖]进行间接盈利)。
2、本站所有内容均由合作方或网友上传,本站不对文档的完整性、权威性及其观点立场正确性做任何保证或承诺!文档内容仅供研究参考,付费前请自行鉴别。
3、如文档内容存在违规,或者侵犯商业秘密、侵犯著作权等,请点击“违规举报”。

碎片内容

钢筋尺寸标准

您可能关注的文档

确认删除?
VIP
微信客服
  • 扫码咨询
会员Q群
  • 会员专属群点击这里加入QQ群
客服邮箱
回到顶部