电脑桌面
添加小米粒文库到电脑桌面
安装后可以在桌面快捷访问

室内排水技术交底记录VIP免费

室内排水技术交底记录_第1页
1/33
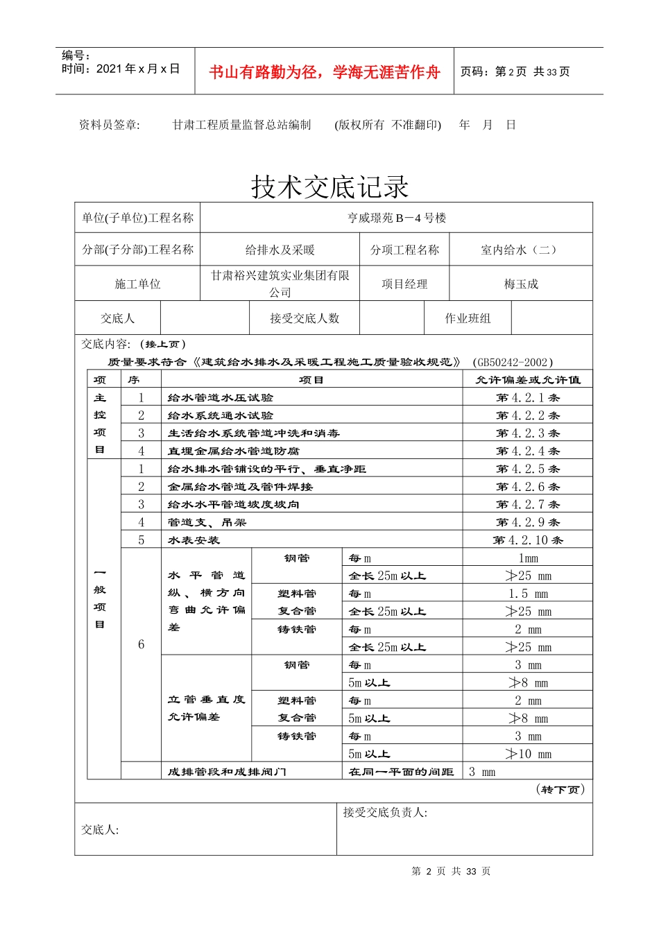
室内排水技术交底记录_第2页
2/33
室内排水技术交底记录_第3页
3/33
第1页共33页编号:时间:2021年x月x日书山有路勤为径,学海无涯苦作舟页码:第1页共33页技术交底记录单位(子单位)工程名称亨威璟苑B-4号楼分部(子分部)工程名称给排水及采暖分项工程名称室内给水(一)施工单位甘肃裕兴建筑实业集团有限公司项目经理梅玉成交底人接受交底人数作业班组交底内容:一、施工准备(一)、作业条件1、地下管道铺设必须在房心土回填夯实或挖到管底标高,沿管线铺设位置清理干净,管道穿墙处已留管洞或安装套管,其洞口尺寸和套管规格符合要求,坐标、标高正确。2、暗装管道应在地沟盖板前或吊顶封闭前进行安装。3、明装托、吊干管安装必须安装层的结构顶板完成后进行,沿管线安装位置上午模板及杂务清理干净,托吊卡件均已安装牢固,位置正确。4、立管安装宜在主体结构完成后进行。支管安装应在墙体砌筑完毕墙面未装修前进行。(二)、材料要求1、镀锌给水管及管件质量标准应执行GB/T3091。其规格种类应符合设计要求,管内外镀锌均匀,无锈浊。无毛刺。管件无偏扣、乱扣、丝扣不全或角度不准等现象,将几个相同直径的管件串起来,看是否乱扣、偏扣、角度不准,然后试压。2、消火栓系统管材按设计要求选用,一般采用碳素钢管或无缝钢管,管材不得有弯曲、锈浊、重皮及凹凸不平等现象。3、消火栓箱体的规格型号应符合设计图纸要求,箱体表面平整、光洁,无锈浊、划伤,箱体开启灵活。箱体方正,箱内配件齐全,栓阀外形规矩,无裂纹,启闭灵活,开关严密,密封填料完好。4、水平的规格应符合设计图纸要求,其中每户使用DN15水表。热水系统选用符合温度要求的热水,表壳铸造规矩,无砂眼、裂纹,表玻璃盖无损坏,铅封完整。5、阀门的规格型号应符合设计要求,热水系统阀门符合温度要求,阀体铸造规矩,表面光洁,无裂纹,开关灵活,关闭严密,填料密封完好无渗漏,手轮完整无损坏,干管上的阀门全部试压检验,一般阀门抽查10%。若有不合格的,则抽查20%,还有不合格的,则逐个检验。二、工艺流程安装准备-----预制加工----干管安装-----立管安装-----支管、消火栓安装-----管道史压-----管道防腐和保温-----管道冲洗-----通水试验三、质量要求交底人:项目技术负责人:项目经理:接受交底负责人:第2页共33页第1页共33页编号:时间:2021年x月x日书山有路勤为径,学海无涯苦作舟页码:第2页共33页资料员签章:甘肃工程质量监督总站编制(版权所有不准翻印)年月日技术交底记录单位(子单位)工程名称亨威璟苑B-4号楼分部(子分部)工程名称给排水及采暖分项工程名称室内给水(二)施工单位甘肃裕兴建筑实业集团有限公司项目经理梅玉成交底人接受交底人数作业班组交底内容:(接上页)质量要求符合《建筑给水排水及采暖工程施工质量验收规范》(GB50242-2002)项序项目允许偏差或允许值主控项目1给水管道水压试验第4.2.1条2给水系统通水试验第4.2.2条3生活给水系统管道冲洗和消毒第4.2.3条4直埋金属给水管道防腐第4.2.4条一般项目1给水排水管铺设的平行、垂直净距第4.2.5条2金属给水管道及管件焊接第4.2.6条3给水水平管道坡度坡向第4.2.7条4管道支、吊架第4.2.9条5水表安装第4.2.10条6水平管道纵、横方向弯曲允许偏差钢管每m1mm全长25m以上≯25mm塑料管复合管每m1.5mm全长25m以上≯25mm铸铁管每m2mm全长25m以上≯25mm立管垂直度允许偏差钢管每m3mm5m以上≯8mm塑料管复合管每m2mm5m以上≯8mm铸铁管每m3mm5m以上≯10mm成排管段和成排阀门在同一平面的间距3mm(转下页)交底人:接受交底负责人:第3页共33页第2页共33页编号:时间:2021年x月x日书山有路勤为径,学海无涯苦作舟页码:第3页共33页项目技术负责人:项目经理:资料员签章:甘肃工程质量监督总站编制(版权所有不准翻印)年月日技术交底记录单位(子单位)工程名称亨威璟苑B-4号楼分部(子分部)工程名称给排水及采暖分项工程名称室内给水(三)施工单位甘肃裕兴建筑实业集团有限公司项目经理梅玉成交底人接受交底人数作业班组交底内容:(接上页)四、操作工艺(一)、安装准备认真熟悉图纸,参看土建结构图、装修建筑图、有关设备专业图,核对各种管道的坐标标高是否有交叉,管道排列所占空间是否合理。有问题及时与设计和有...

1、当您付费下载文档后,您只拥有了使用权限,并不意味着购买了版权,文档只能用于自身使用,不得用于其他商业用途(如 [转卖]进行直接盈利或[编辑后售卖]进行间接盈利)。
2、本站所有内容均由合作方或网友上传,本站不对文档的完整性、权威性及其观点立场正确性做任何保证或承诺!文档内容仅供研究参考,付费前请自行鉴别。
3、如文档内容存在违规,或者侵犯商业秘密、侵犯著作权等,请点击“违规举报”。

碎片内容

室内排水技术交底记录

精品中小学文档+ 关注
实名认证
内容提供者

精品资料,值得下载

确认删除?
VIP
微信客服
  • 扫码咨询
会员Q群
  • 会员专属群点击这里加入QQ群
客服邮箱
回到顶部