电脑桌面
添加小米粒文库到电脑桌面
安装后可以在桌面快捷访问

固体废弃物污染控制工程讲义VIP免费

固体废弃物污染控制工程讲义_第1页
1/37
固体废弃物污染控制工程讲义_第2页
2/37
固体废弃物污染控制工程讲义_第3页
3/37
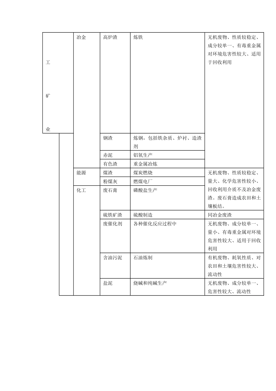
固体废弃物污染控制工程概论第一节固体废弃物类型、来源和性质如同污水和废气那样,固体废弃物主要产生于人类的生产和生活,即人类在从事工农业生产以及交通和商业等活动中,一方面生产出有用的工农业产品的同时有一部分资源未被有效利用而作为固体废物加入环境,如采矿业未被利用的尾矿、大米加工中未被利用的稻壳、肉联厂排放的动物皮毛、宾馆和饭店废弃的泔脚等;另一方面,许多物品和材料被人使用后因为破、旧或超过使用年限而被废弃,如饮料瓶罐、破旧衣以及使用一定年数后的建筑物也会变成固体垃圾。还有,污染净化和环境治理过程中也可能产生大量的固体或半固体的废弃物(通常称为二次污染物),如各种烟气干法除尘过程中产生的粉尘、湿法除尘中产生的粉尘污泥,污水处理过程中产生的大量化学污泥和生物污泥等。固体废弃物的危害性主要表现在:1)侵占土地:1991年我国单是工矿业固体废弃物累积堆放量为59.6亿T,占地50539ha。城市郊区设大面积累积处理场,侵占农田。2)污染土壤:工业固体废弃物中含有大量有害化学物质,经过风化、雨雪淋溶和地表径流的侵蚀,化学物质大量进入土壤环境,破坏了土壤固有的生物、化学和物理环境,使得土壤成为草木不生的死亡之地。在我国被工业废渣污染的农田达25万亩。20世纪中叶如美国的房产开发商曾经在工业废物填埋场上建造居民点,使得居民饱受臭气熏天、地下室渗漏污水横溢的痛苦,最后不得不将该居民点废弃。3)污染水体:固体废物随天然降水和地表径流、地下水以及刮风进入江河湖海,污染水体。如美国新泽西州的农药厂由于填埋工业有害固体废物(含砷)、缅因州因为垃圾填埋场等造成其下游的河流和湖泊饮用水源被严重污染,而不得不花很高费用对污染环境进行长时期的净化和修复。我国一家铁合金厂的铬渣堆放场由于缺少防渗漏措施使得附近饮用地下水源遭受严重污染。4)污染大气:有些有机性固体废弃物经过微生物分解后释放出大量的有害气体,另外病原微生物与灰尘随风扩散,进一步恶化了大气环境质量。固体垃圾在焚烧过程中产生大量的粉尘和有害气体,如不妥善处理处置,也会污染大气,如焚烧后废气中的二恶英等。如表1所示是主要的固体废弃物类型、来源和性质。表1固体废弃物的类型、来源和性质行业部门废弃物来源性质工矿业冶金高炉渣炼铁无机废物、性质较稳定、成分较单一、有毒重金属对环境危害性较大、适用于回收利用钢渣炼钢,包括铁杂质、炉衬、造渣剂赤泥铝氧生产有色渣重金属冶炼能源煤渣煤炭燃烧无机废物、性质较稳定、量大、化学危害性较小、回收利用介质不及冶金废渣。废石膏造成农田和土壤板结。粉煤灰燃煤电厂化工废石膏磷酸盐生产硫铁矿渣硫酸制造同冶金废渣废催化剂各种催化反应过程中无机废物、成分较单一、量小、有毒重金属对环境危害性较大、适用于回收利用含油污泥石油炼制有机废物、耗氧性质、对农田和土壤危害性较大、流动性盐泥烧碱和纯碱生产无机废物、成分较单一、危害性较大、流动性食品和水产加工动物的皮毛、骨、内脏、粪便;植物的皮、壳、根、核;微生物发酵污泥和废渣肉联厂、水产加工厂、碾米厂、油脂加工厂、酒厂、酱油厂主要为有机废物、成分复杂、典型耗氧性质、极易腐败变质带来严重的卫生学问题,较难回收利用采矿各种围岩和尾矿煤矿、铜矿、铜矿、石灰石开采无机废物、量大、成分较复杂、大量侵占土地和农田、造成局部塌陷和污染地下水、较难回收利用城建房产开发、市政建设、建材水泥粉尘、碎砖石、渣土、砖石、泥浆和污泥建筑工地、水泥厂、砖瓦厂、自来水厂无机废物、量大、大量侵占土壤和农田、较难回收利用农业农作物种植和基本加工作物的秸秆、根、茎、叶、皮、壳、核庄稼收割和粗加工过程中留下的秸秆、茬、根;粮食加工过程中排出的谷屑、下脚料有机性质、耗氧性质、热值高、量大、较适用于综合利用商业商店、超市、饭店和宾馆各种包装物、泔脚包装物种类繁多,易于回收利用;泔脚属于有机性质、强烈耗氧、易于腐败、造成严重的卫生学问题,可以综合利用居民活动城镇和农村的住宅一般生活垃圾(厨余、瓶罐、废纸)、粪便;废旧电器、家具和衣物等人们的衣食住行成分复杂、性质多样、较难收集与...

1、当您付费下载文档后,您只拥有了使用权限,并不意味着购买了版权,文档只能用于自身使用,不得用于其他商业用途(如 [转卖]进行直接盈利或[编辑后售卖]进行间接盈利)。
2、本站所有内容均由合作方或网友上传,本站不对文档的完整性、权威性及其观点立场正确性做任何保证或承诺!文档内容仅供研究参考,付费前请自行鉴别。
3、如文档内容存在违规,或者侵犯商业秘密、侵犯著作权等,请点击“违规举报”。

碎片内容

固体废弃物污染控制工程讲义

您可能关注的文档

确认删除?
VIP
微信客服
  • 扫码咨询
会员Q群
  • 会员专属群点击这里加入QQ群
客服邮箱
回到顶部