电脑桌面
添加小米粒文库到电脑桌面
安装后可以在桌面快捷访问

数据线检验标准VIP免费

数据线检验标准_第1页
1/5
数据线检验标准_第2页
2/5
数据线检验标准_第3页
3/5
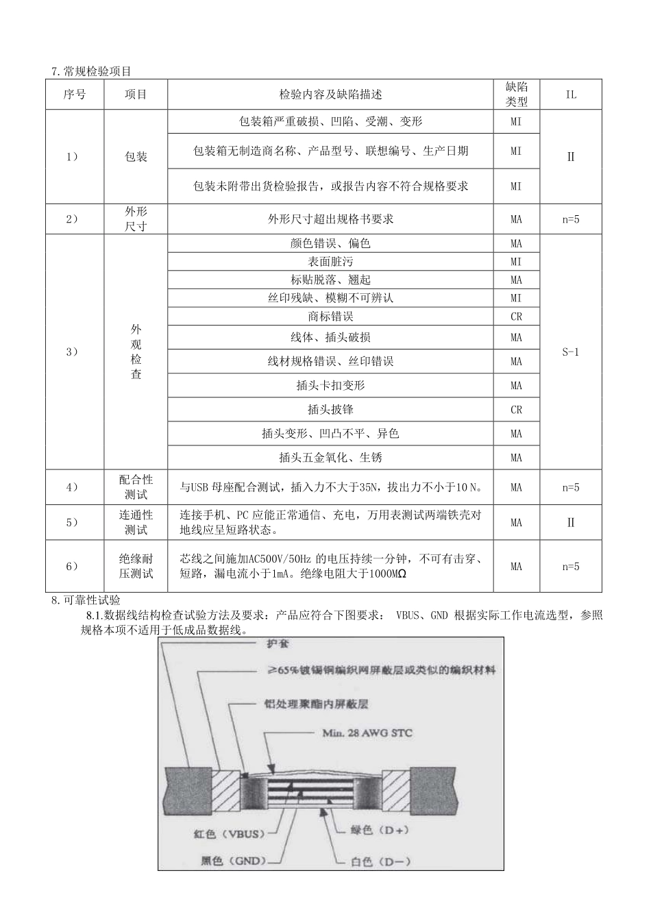
数据线质量验收标准1.目的:本章定义了数据线外观、电性能一般性检验方法和接收标准以及可靠性试验标准,用于统一和规范数据线的质量验收。2.适用范围:适用于数据线的入厂检验、部品认定、不良品判定等。3.抽样标准3.1.缺陷定义致命缺陷CR:(Ac=0Re=1):会导致用户受到伤害或可能受到伤害。严重缺陷MA:1.会导致产品功能丧失或功能不稳定;2、会导致产品功能与规格不符;3、外观不良目视明显可见。轻微缺陷MI:1、缺陷不影响产品的功能及特性;2、外观不良不明显;3、缺陷能轻易修正。3.2.物料认证新规格的物料在启动量产前应完成物料认定。认定所需样品由供应商提供,检验项目及数量参照本章第9条要求。无条件试验的项目和OEM产品,由供应商提供试验报告。3.3.逐批检验参照GB2828.1-2003,检查水平IL见本章第7条,合格质量水平要求如下重缺陷:AQL0.4轻缺陷:AQL1.0检验项目、要求、测试方法参照本章第7条要求。3.4.周期试验量产后的物料每季度执行一次周期试验,试验所需样品从库存物料中随机抽取,检验项目及数量参照本章第9条要求。试验室无条件试验的项目和OEM产品,由供应商提供试验报告。4.检验工具与环境1)光源:D65,符合ISO10526:1999(E)标准要求2)照度:垂直照度1000±200Lux3)检视角:检视面与光源光线成45±15°,眼睛视线与检视面成90±15°。4)检验工具:目检:人眼与被测物距离35±5cm,垂直于被测面。镜检:使用20-50倍可调显微镜。卡尺:数显,分辨率0.01mm。5)检验时间:整个物料外观检验时间不超过10s。6)视力要求:视力水平或矫正后的视力不低于1.2,无色盲、散光。7)环境温度:20±5℃8)环境湿度:45%-75%RH5.定义A级面:插头注塑面、数据线。B级面:五金表面5.1.模痕:塑胶表面本身的熔接痕或痕迹(转动才可看到),宽度≤0.1。5.2.浅划痕:表面的明显线条痕迹,但未产生划掉底漆现象或划掉底漆的宽度<0.1。5.3.深度划痕:表面的明显线条痕迹,产生划掉底漆现象或划掉底漆的宽度>0.1。5.4.压陷:因为撞击出现的壳体局部下陷但不掉漆现象。5.5.表面颗粒:壳体油漆表面附着细小颗粒杂物。5.6.异色点:油漆表面出现不同颜色的油漆色点。5.7.异物:壳体油漆表面的与油漆颜色相同的细毛屑。5.8.毛边:沿分型线或合模面溢出的多余材料6.外观接收标准No项目缺陷内容不允许允许缺陷数量1)A级料件:插头注塑、数据线轻微划痕明显可以看到,长度≥3较明显,长度<31不明显(必须借光转动才可见)长度≥3不明显(必须借光转动才可见)长度<32深度划痕长度≥2或宽度≥0.2长度<2且宽度<0.21压陷直径≥0.2直径<0.21表面颗粒、异色点(喷涂)直径≥0.2直径<0.21异物(喷涂)长度≥2或宽度≥0.2长度<2且宽度<0.21毛边不允许//2)B级料件:划痕长度≥5长度<52五金表面划伤长度≥3或宽度≥0.3长度<3且宽度<0.313)LOGO标识印刷字体与联想LOGO字体相符与联想LOGO字体不相符/6.1.印刷质量6.2.缺损大于字母高度的16.3.缺损小于字母高度的,不可辨别,可辨别。7.常规检验项目序号项目检验内容及缺陷描述缺陷类型IL1)包装包装箱严重破损、凹陷、受潮、变形MIⅡ包装箱无制造商名称、产品型号、联想编号、生产日期MI包装未附带出货检验报告,或报告内容不符合规格要求MI2)外形尺寸外形尺寸超出规格书要求MAn=53)外观检查颜色错误、偏色MAS-1表面脏污MI标贴脱落、翘起MA丝印残缺、模糊不可辨认MI商标错误CR线体、插头破损MA线材规格错误、丝印错误MA插头卡扣变形MA插头披锋CR插头变形、凹凸不平、异色MA插头五金氧化、生锈MA4)配合性测试与USB母座配合测试,插入力不大于35N,拔出力不小于10N。MAn=55)连通性测试连接手机、PC应能正常通信、充电,万用表测试两端铁壳对地线应呈短路状态。MAⅡ6)绝缘耐压测试芯线之间施加AC500V/50Hz的电压持续一分钟,不可有击穿、短路,漏电流小于1mA。绝缘电阻大于1000MΩMAn=58.可靠性试验8.1.数据线结构检查试验方法及要求:产品应符合下图要求:VBUS、GND根据实际工作电流选型,参照规格本项不适用于低成品数据线。8.2.导线电阻8.3.试验方法:将各数据导线逐根直接接入直流电源,直流电源工作于CC模式,输出电流设定为500mA,测...

1、当您付费下载文档后,您只拥有了使用权限,并不意味着购买了版权,文档只能用于自身使用,不得用于其他商业用途(如 [转卖]进行直接盈利或[编辑后售卖]进行间接盈利)。
2、本站所有内容均由合作方或网友上传,本站不对文档的完整性、权威性及其观点立场正确性做任何保证或承诺!文档内容仅供研究参考,付费前请自行鉴别。
3、如文档内容存在违规,或者侵犯商业秘密、侵犯著作权等,请点击“违规举报”。

碎片内容

数据线检验标准

文泉书屋+ 关注
实名认证
内容提供者

热爱教学事业,对互联网知识分享很感兴趣

确认删除?
VIP
微信客服
  • 扫码咨询
会员Q群
  • 会员专属群点击这里加入QQ群
客服邮箱
回到顶部