电脑桌面
添加小米粒文库到电脑桌面
安装后可以在桌面快捷访问

SDH光接口参数测试总结VIP专享VIP免费

SDH光接口参数测试总结_第1页
1/8
SDH光接口参数测试总结_第2页
2/8
SDH光接口参数测试总结_第3页
3/8
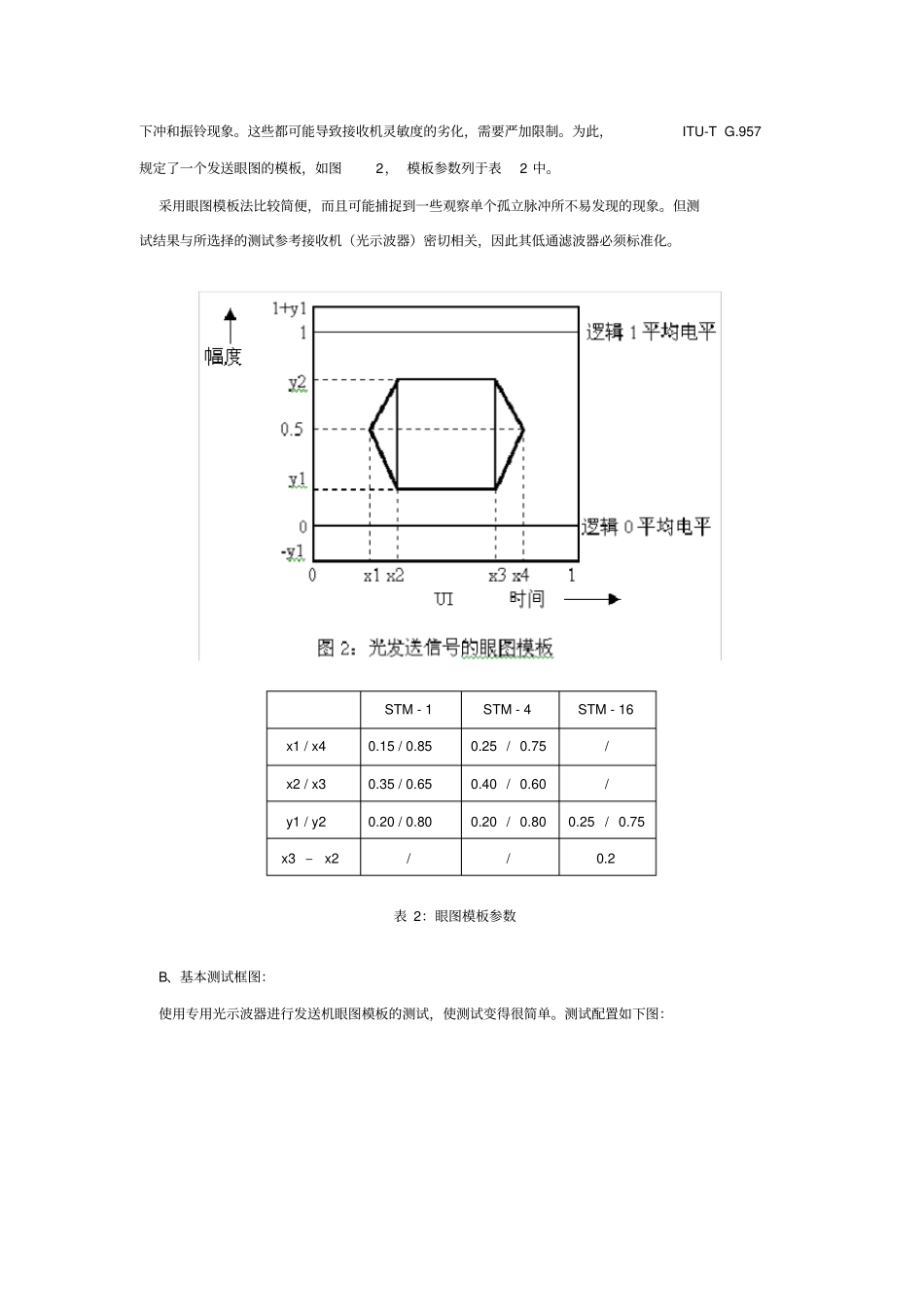
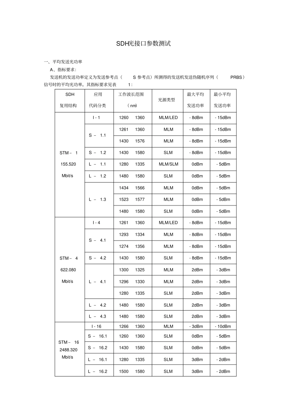
SDH光接口参数测试一、平均发送光功率A、指标要求:发送机的发送功率定义为发送参考点(S参考点)所测得的发送机发送伪随机序列(PRBS)信号时的平均光功率。其指标要求见表1:SDH复用结构应用代码分类工作波长范围(nm)光源类型最大平均发送功率最小平均发送功率STM–1155.520Mbit/sI-112601360MLM/LED-8dBm-15dBmS–1.112611360MLM-8dBm-15dBm14301576MLM-8dBm-15dBmS–1.214301580SLM-8dBm-15dBmL–1.112801335MLM/SLM0dBm-5dBmL–1.214801580SLM0dBm-5dBmL–1.314341566MLM0dBm-5dBm15231577MLM0dBm-5dBm14801580SLM0dBm-5dBmSTM–4622.080Mbit/sI-412611360MLM/LED-8dBm-15dBmS–4.112931334MLM-8dBm-15dBm12741356MLM-8dBm-15dBmS–4.214301580SLM-8dBm-15dBmL–4.113001325MLM2dBm-3dBm12961330MLM2dBm-3dBm12801335SLM2dBm-3dBmL–4.214801580SLM2dBm-3dBmL–4.314801580SLM2dBm-3dBmSTM–162488.320Mbit/sI-1612661360MLM-3dBm-10dBmS–16.112601360SLM0dBm-5dBmS–16.214301580SLM0dBm-5dBmL–16.112801335SLM3dBm-2dBmL–16.215001580SLM3dBm-2dBmL–16.315001580SLM3dBm-2dBm表1:SDH光接口平均发送光功率指标B、基本测试框图:C、测试步骤:1、按照图1进行配置连接;2、SDH测试设备发送规定传输比特率、码型和长度的伪随机信号;3、用标准测试光纤软线将待测光端机的发送端输出活动连接器与光功率计输入活动连接器相连,在光功率计上读得的光功率数值就是要测的平均发送光功率。注:该项指标的测试尽管简单,但测量准确度却往往并不太理想,常可能超过0.5dB,因此,必须对光源、检测器(光功率计)、校准程序及环境条件按规定进行严格的要求,以控制测试偏差。此外,采用标准测试光纤软线进行测试也是减小测试误差的重要手段。二、眼图模板A、指标要求:在高比特率光通信系统中,发送光脉冲的形状不易控制,常常可能有上升沿、下降沿过冲、下冲和振铃现象。这些都可能导致接收机灵敏度的劣化,需要严加限制。为此,ITU-TG.957规定了一个发送眼图的模板,如图2,模板参数列于表2中。采用眼图模板法比较简便,而且可能捕捉到一些观察单个孤立脉冲所不易发现的现象。但测试结果与所选择的测试参考接收机(光示波器)密切相关,因此其低通滤波器必须标准化。STM-1STM-4STM-16x1/x40.15/0.850.25/0.75/x2/x30.35/0.650.40/0.60/y1/y20.20/0.800.20/0.800.25/0.75x3–x2//0.2表2:眼图模板参数B、基本测试框图:使用专用光示波器进行发送机眼图模板的测试,使测试变得很简单。测试配置如下图:C、测试步骤:1、按图3所示进行配置连接;2、用测试光纤将光发射机的输出端接至光示波器的输入端;3、在光示波器内内置有各级STM-N信号眼图模板,将眼图信号套入模板后进行观察及分析,看眼图波形是否完全落入模板的规定范围内。三、接收灵敏度A、指标要求:接收机的灵敏度定义为接收参考点(R参考点)处为达到110-10(长途为110-11)的BER(误码率)值所需要的平均接收功率的最差可接受值。接收灵敏度表示了接收机接收微弱光信号的能力,是系统再生中继段设计的重要依据,往往代表了设备的质量水准。ITU-TG.957规定的SDH设备接收灵敏度见表3:SDH复用结构应用代码分类工作波长范围(nm)光源类型最差灵敏度最小过载点STM–1155.520Mbit/sI-112601360MLM/LED-23dBm-8dBmS–1.112611360MLM-28dBm-8dBm14301576MLM-28dBm-8dBmS–1.214301580SLM-28dBm-8dBmL–1.112801335MLM/SLM-34dBm-10dBmL–1.214801580SLM-34dBm-10dBmL–1.314341566MLM-34dBm-10dBm15231577MLM-34dBm-10dBm14801580SLM-34dBm-10dBmSTM–4622.080Mbit/sI-412611360MLM/LED-23dBm-8dBmS–4.112931334MLM-28dBm-8dBm12741356MLM-28dBm-8dBmS–4.214301580SLM-28dBm-8dBmL–4.113001325MLM-28dBm-8dBm12961330MLM-28dBm-8dBm12801335SLM-28dBm-8dBmL–4.214801580SLM-28dBm-8dBmL–4.314801580SLM-28dBm-8dBmSTM–162488.320Mbit/sI-1612661360MLM-18dBm-3dBmS–16.112601360SLM-18dBm0dBmS–16.214301580SLM-18dBm0dBmL–16.112801335SLM-27dBm-9dBmL–16.215001580SLM-28dBm-9dBmL–16.315001580SLM-27dBm-9dBm表3...

1、当您付费下载文档后,您只拥有了使用权限,并不意味着购买了版权,文档只能用于自身使用,不得用于其他商业用途(如 [转卖]进行直接盈利或[编辑后售卖]进行间接盈利)。
2、本站所有内容均由合作方或网友上传,本站不对文档的完整性、权威性及其观点立场正确性做任何保证或承诺!文档内容仅供研究参考,付费前请自行鉴别。
3、如文档内容存在违规,或者侵犯商业秘密、侵犯著作权等,请点击“违规举报”。

碎片内容

SDH光接口参数测试总结

确认删除?
VIP
微信客服
  • 扫码咨询
会员Q群
  • 会员专属群点击这里加入QQ群
客服邮箱
回到顶部