电脑桌面
添加小米粒文库到电脑桌面
安装后可以在桌面快捷访问

音叉开关安装使用说明VIP免费

音叉开关安装使用说明_第1页
1/3
音叉开关安装使用说明_第2页
2/3
音叉开关安装使用说明_第3页
3/3
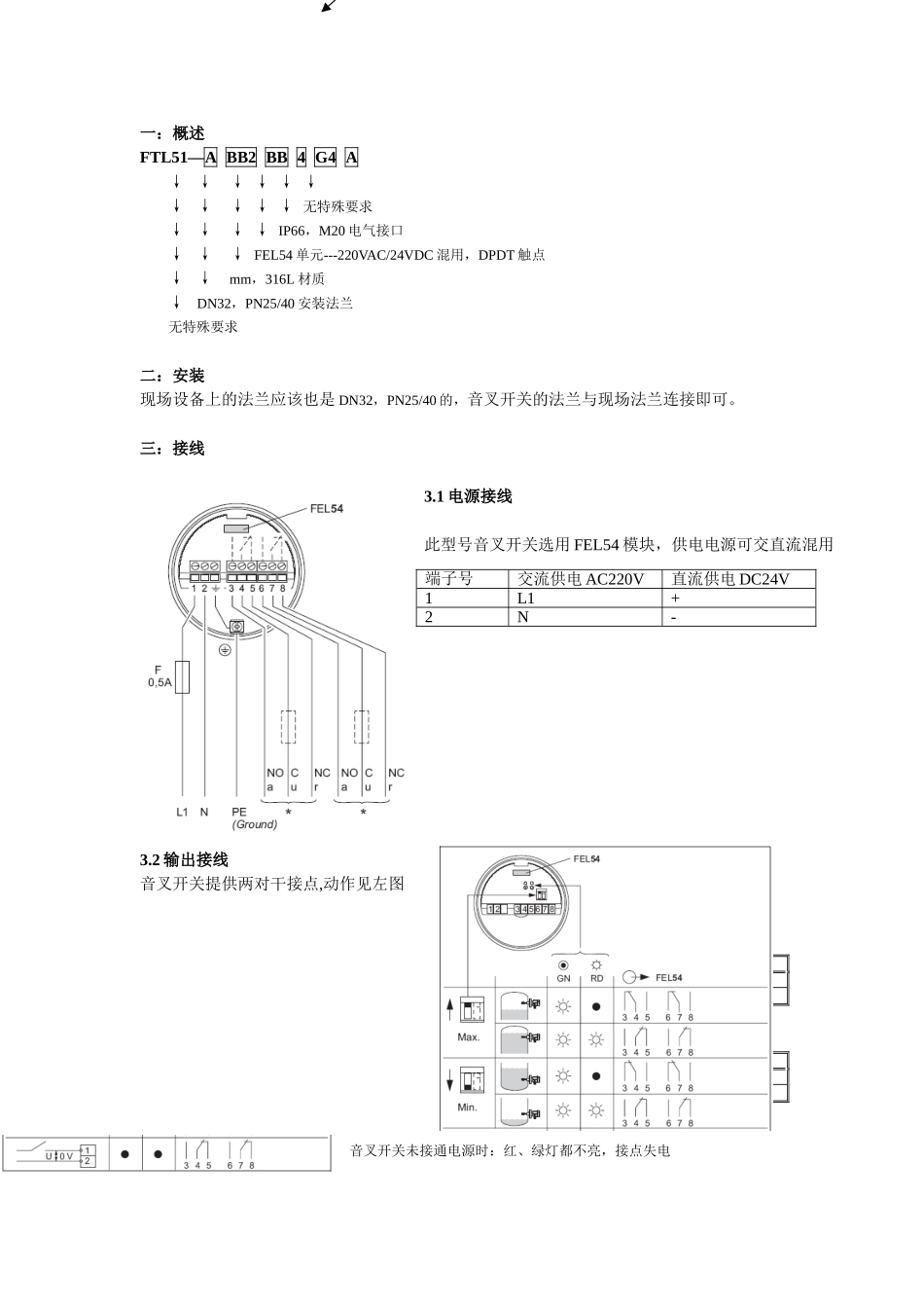
FGD现场仪表安装使用说明系列之一北京天一世纪科技有限公司LiquiphantMFTL51C音叉开关安装使用说明一:概述FTL51—ABB2BB4G4A↓↓↓↓↓↓↓↓↓↓↓无特殊要求↓↓↓↓IP66,M20电气接口↓↓↓FEL54单元---220VAC/24VDC混用,DPDT触点↓↓mm,316L材质↓DN32,PN25/40安装法兰无特殊要求二:安装现场设备上的法兰应该也是DN32,PN25/40的,音叉开关的法兰与现场法兰连接即可。三:接线3.1电源接线此型号音叉开关选用FEL54模块,供电电源可交直流混用3.2输出接线音叉开关提供两对干接点,动作见左图音叉开关未接通电源时:红、绿灯都不亮,接点失电端子号交流供电AC220V直流供电DC24V1L1+2N-高报开关MAX料位绿灯红灯接点正常亮灭得电超高限亮亮失电低报开关MIN料位绿灯红灯接点正常亮灭得电超低限亮亮失电举例:用音叉开关作为料仓高位报警开关首先,将选择开关向上拨到MAX,将3,4端子作为报警输出端接出导线未上电时,3,4端断开,红、绿灯都不亮上电后,料位没有超过上限时,3,4端闭合,绿灯亮、红灯灭上电后,料位超过上限时,3,4端断开,绿灯亮、红灯亮

1、当您付费下载文档后,您只拥有了使用权限,并不意味着购买了版权,文档只能用于自身使用,不得用于其他商业用途(如 [转卖]进行直接盈利或[编辑后售卖]进行间接盈利)。
2、本站所有内容均由合作方或网友上传,本站不对文档的完整性、权威性及其观点立场正确性做任何保证或承诺!文档内容仅供研究参考,付费前请自行鉴别。
3、如文档内容存在违规,或者侵犯商业秘密、侵犯著作权等,请点击“违规举报”。

碎片内容

音叉开关安装使用说明

您可能关注的文档

确认删除?
VIP
微信客服
  • 扫码咨询
会员Q群
  • 会员专属群点击这里加入QQ群
客服邮箱
回到顶部