电脑桌面
添加小米粒文库到电脑桌面
安装后可以在桌面快捷访问

冷轧废水处置方案VIP免费

冷轧废水处置方案_第1页
1/7
冷轧废水处置方案_第2页
2/7
冷轧废水处置方案_第3页
3/7
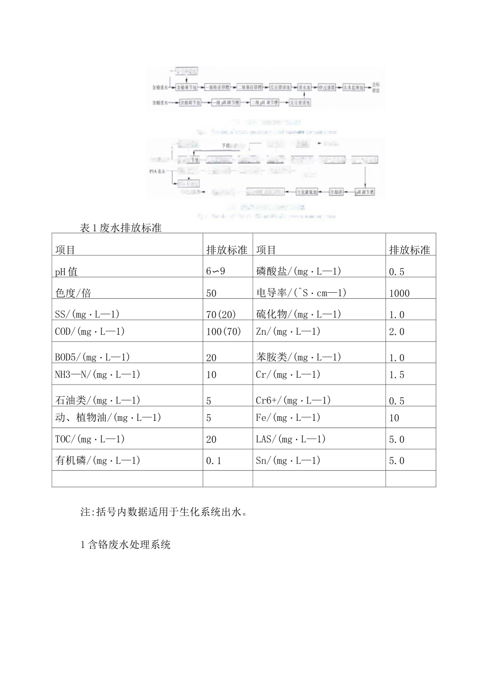
、基本情况在冶金工业产生的工业废水中,冷轧工艺所排除的工业废水成分复杂,有主工艺组排除的含稀油及乳化液废水;有来自热镀锌机组和彩涂机组排除的含铬废水,且有毒有害;有酸洗,漂洗和酸再生的酸碱废水。在水处理中冷轧废水处理难度较大,一是成分复杂,二是水质波动大,目前在国内运行效果较好的并不多,达标难度大,超标现象时有发生。2、处理方式(一)含铬废水处理系统(二)酸性废水处理系统(三)浓含油及乳化液废水处理系统(四)PSA及平(光)整液废水处理系统(五)稀含油碱性废水处理系统(六)污泥处理系统三、存在问题(一)每个冷轧厂生产品种不同,废水的水质、水量就不同(二)选用的工艺不同,废水的水质、水量也不同(三)冷轧废水排除的酸、碱、油及大量的表面活性剂、乳化液、消泡剂、添加剂、钝化液、脱脂液等,其组成成分有变化,处理方法也不同。附:冷轧废水处理工程实例一、项目概况某钢厂是集烧结、焦化、炼铁、炼钢、轧钢为一体的钢铁联合企业。为实现产品向深加工、高附加值方向的转化,新建冷轧厂的产品定位为包装材和高档建筑用涂镀板材系列,主要为镀锡板和镀锡基板、热镀锌和热镀铝锌。钢产量规模为85X104t/a,其中镀锡板为20X104t、镀锡基板为20X104t、冷轧热镀锌为20X104t、冷轧热镀铝锌产品为25X1041。工艺生产机组包括:1条酸轧联合机组、一条酸洗机组、1条热镀锌机组、1条热镀铝锌机组、1条镀锡板连退机组、1条电镀锡机组、1条重卷机组和1条横切机组,2座盐酸再生站、1座磨辊、1座乳化液处理间等工艺辅助生产机组,并预留1条镀锡板连退机组、1条热镀锌机组。为配合上述各冷轧机组的建设,新建废水处理站1座,总设计处理能力为420m3/h,用于处理各生产机组和辅助机组等生产过程中排出的各类废水,根据其类别可分为浓含油及乳化液废水、稀含油碱性废水、苯酚磺酸废水(PSA)、含铬废水、酸性废水。二、工艺设计冷轧废水因其组成复杂,水质、水量变化大,处理难度较大,为了能够经济、有效地将废水处理达标,设计将上述几种废水分别预处理后合并为两个系统:含铬废水和酸性废水因含较高浓度的总溶解性固体(TDS),不利于回用,故考虑在污染物处理达标后排放;含油和PSA废水主要污染物为有机物和金属,处理达标后可排放或回用。含铬/含酸废水处理工艺流程见图1。浓油/PSA/稀油废水处理工艺流程见图2。废水排放标准见表1。PSA卩沁广|耆用?展辽si含詮'鈿氏来it踐工艺道Fil存||中1盯・值艸■i*广莎璋画皆书世主ITI礬卜一*^囲—MiitffitiflrlSL咚】Z赠肿nH监畔41丄丫卜也跡,卜咽日计昭4窗吒辛单丘再画▼匡垂七亜IHi豆眄匸S?涙曲Ip兽丿期迪U水it捏工卜雇?FlowcKirlNllmk“il.Ifkut\diaalva^i-v.ilr-rIrrdmiii卩n町衍*IfBAN用_區產匝k—|1'1:働1月豪田8«1表1废水排放标准项目排放标准项目排放标准pH值6〜9磷酸盐/(mg・L—1)0.5色度/倍50电导率/(^S・cm—1)1000SS/(mg・L—1)70(20)硫化物/(mg・L—1)1.0COD/(mg・L—1)100(70)Zn/(mg・L—1)2.0BOD5/(mg・L—1)20苯胺类/(mg・L—1)1.0NH3—N/(mg・L—1)10Cr/(mg・L—1)1.5石油类/(mg・L—1)5Cr6+/(mg・L—1)0.5动、植物油/(mg・L—1)5Fe/(mg・L—1)10TOC/(mg・L—1)20LAS/(mg・L—1)5.0有机磷/(mg・L—1)0.1Sn/(mg・L—1)5.0注:括号内数据适用于生化系统出水。1含铬废水处理系统设计处理水量为15m3/h,pH值为2〜3,Cr6+为180mg/L,温度为50°C(最高)。、主要处理单元:①事故池。钢混结构,尺寸为5mX3mX3m,用以暂时储存事故排放的含铬废水及废液,再以小流量泵入含铬废水调节池,避免对系统造成冲击。②调节池。钢混结构,尺寸为15mX3mX6m,用于对废水进行均质均量。③一级铬还原槽。玻璃钢材质,槽体尺寸为2.5mX3m(带搅拌器),投加酸碱调节pH值,同时投加NaHSO3将Cr6+还原为Cr3+。④二级铬还原槽。玻璃钢材质,槽体尺寸为2.5mX3m(带搅拌器),投加NaHSO3确保Cr6+的含量V0.5mg/L。⑤反应澄清池。该单元集合了pH调节、混合、金属沉淀、混凝、絮凝、固液分离等多项功能。钢混结构,内衬环氧树脂防腐,尺寸为6mX4m,絮凝室内壁直径为3m,设计表面负荷0.53m3/...

1、当您付费下载文档后,您只拥有了使用权限,并不意味着购买了版权,文档只能用于自身使用,不得用于其他商业用途(如 [转卖]进行直接盈利或[编辑后售卖]进行间接盈利)。
2、本站所有内容均由合作方或网友上传,本站不对文档的完整性、权威性及其观点立场正确性做任何保证或承诺!文档内容仅供研究参考,付费前请自行鉴别。
3、如文档内容存在违规,或者侵犯商业秘密、侵犯著作权等,请点击“违规举报”。

碎片内容

冷轧废水处置方案

您可能关注的文档

确认删除?
VIP
微信客服
  • 扫码咨询
会员Q群
  • 会员专属群点击这里加入QQ群
客服邮箱
回到顶部