电脑桌面
添加小米粒文库到电脑桌面
安装后可以在桌面快捷访问

各单位人防工程质量验收报告VIP免费

各单位人防工程质量验收报告_第1页
1/9
各单位人防工程质量验收报告_第2页
2/9
各单位人防工程质量验收报告_第3页
3/9
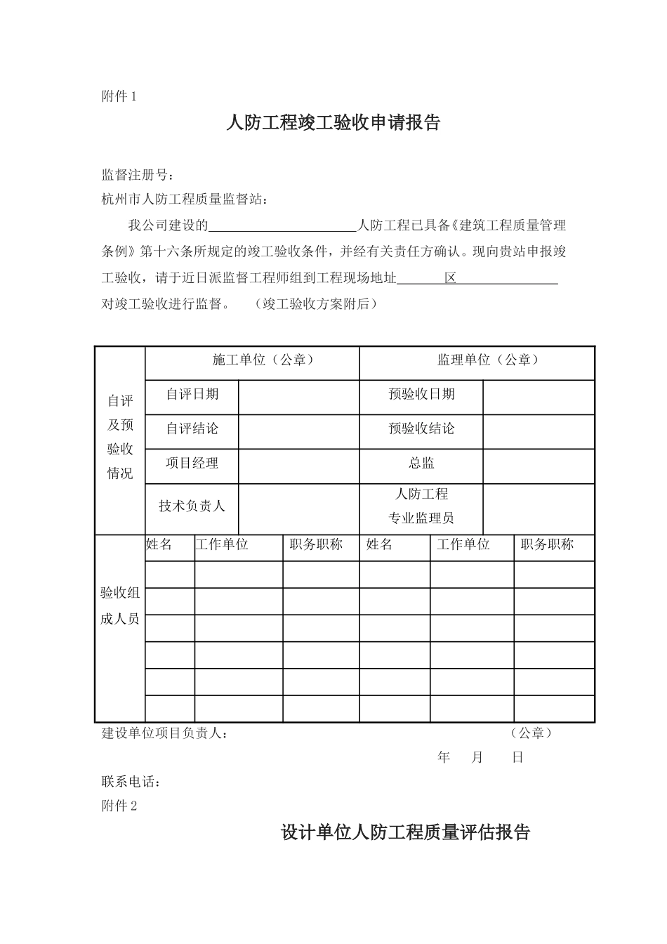
附件1人防工程竣工验收申请报告监督注册号:杭州市人防工程质量监督站:我公司建设的人防工程已具备《建筑工程质量管理条例》第十六条所规定的竣工验收条件,并经有关责任方确认。现向贵站申报竣工验收,请于近日派监督工程师组到工程现场地址区对竣工验收进行监督。(竣工验收方案附后)自评及预验收情况施工单位(公章)监理单位(公章)自评日期预验收日期自评结论预验收结论项目经理总监技术负责人人防工程专业监理员验收组成人员姓名工作单位职务职称姓名工作单位职务职称建设单位项目负责人:(公章)年月日联系电话:附件2设计单位人防工程质量评估报告单位工程名称设计单位名称设计单位地址邮编人防建筑/掩蔽面积/(m2)联系电话设计合理使用年限防护等级设计允许最终沉降量战时用途质量验收意见填写要求:1.通过现场全面检查,确认工程质量是否满足设计要求,充分体现了设计意图,是否认可施工单位的自评意见.2.本工程依法进行设计、执行有关部门的批文及根据勘察成果文件进行设计的情况;3.本工程是否按强制性标准和强制性条文进行工程设计;4.在施工过程中,设计单位签发的设计文件(包括设计变更通知单和技术核定单等)是否符合国家规范、强制性标准要求,实物质量与设计文件是否相符;5.施工过程中,是否发现结构性的质量缺陷,(如沉降超标、倾斜、裂缝等)并提出设计处理方案,施工单位是否按设计处理方案处理.6.本工程是否已完成工程设计文件要求的各项内容.项目负责人:年月日设计单位公章注册建筑师:年月日注册结构师:年月日单位法人代表:年月日附件3施工单位人防工程质量验收报告单位工程名称瓯北商务中心1号地块人防建筑/掩蔽面积9111.2/6910(㎡)结构类型、层数框剪、一层施工单位名称浙江新邦建设股份有限公司施工单位地址鞋都三期温州鹿城总部经济园b06幢施工单位邮编325000联系电话88801228质量验收意见填写要求:1.施工单位质量责任行为履行情况(如是否依法承揽工程、分包工程签订书面合同、资质相符;是否建立工程质量保证体系,是否建立各级质量责任制及质量控制程序);2.本工程是否已按要求完成工程设计和合同约定的各项内容;3.在施工过程中,执行强制性标准和强制性条文的情况;4.施工过程中对监理和监督机构提出的要求整改的质量问题是否已闭合;5.人防部分完工后,企业自查,是否确认工程达到竣工标准工程质量达到合格质量等级满足结构安全、人防战时和平时的使用功能要求;6.工程质量保证资料(包括检测报告的功能试验资料)基本齐全且已按要求装订成册;7.建筑物沉降观察成果和倾斜率情况;8.其他需说明的情况。项目经理:年月日施工企业公章企业质量负责人:年月日企业技术负责人:年月日企业法人代表:年月日附件4监理单位人防工程质量评估报告单位工程名称监理单位名称监理单位地址联系电话人防监理资质等级资质证书编号质量验收意见填写要求:1.监理单位质量责任行为的履行情况(如是否依法承揽工程、签订书面合同且资质相符;建立以总监为中心的现场工程质量保证体系,制定专业人员岗位责任制,对隐蔽工程、检验批、分项、分部工程及时进行验收签证等情况);2.监理单位执行监理工程规范的情况;3.在施工过程中,执行国家有关法律、法规、强制性标准、强制性条文和设计文件的情况;(如是否严格执行工程质量报验制度,建筑材料进场检验制度,见证取样制度等)4.施工过程中签发的“监理工程师通知单”、“监理工程师通知回复单”以及监督机构签发的“质量问题整改通知单”是否监督施工单位按要求按时限落实整改,并组织复查;5.工程质量核查是否满足设计及规范;6.对工程遗留质量缺陷的处理意见;7.执行旁站、巡视、平行检验监理形式的情况;8.其他需说明的情况。总监理工程师:年月日监理单位公章企业技术负责人:年月日企业法人代表:年月日附件5人防工程竣工验收方案工程名称验收单位建设单位设计单位监理单位施工单位人防设备厂组长:组员:验收小组成员副组长:验收标准1、根据国家及地方法律、法规要求及现行工程建设强制性标准;2、施工图设计文件及设计变更文件要求;3、工程合同要求。竣工验收内容1、建设、勘察、设计、施工、监理等单位汇...

1、当您付费下载文档后,您只拥有了使用权限,并不意味着购买了版权,文档只能用于自身使用,不得用于其他商业用途(如 [转卖]进行直接盈利或[编辑后售卖]进行间接盈利)。
2、本站所有内容均由合作方或网友上传,本站不对文档的完整性、权威性及其观点立场正确性做任何保证或承诺!文档内容仅供研究参考,付费前请自行鉴别。
3、如文档内容存在违规,或者侵犯商业秘密、侵犯著作权等,请点击“违规举报”。

碎片内容

各单位人防工程质量验收报告

您可能关注的文档

确认删除?
VIP
微信客服
  • 扫码咨询
会员Q群
  • 会员专属群点击这里加入QQ群
客服邮箱
回到顶部