电脑桌面
添加小米粒文库到电脑桌面
安装后可以在桌面快捷访问

高二物理 第二章第6节 变压器导学案 教科版VIP免费

高二物理 第二章第6节 变压器导学案 教科版_第1页
1/6
高二物理 第二章第6节 变压器导学案 教科版_第2页
2/6
高二物理 第二章第6节 变压器导学案 教科版_第3页
3/6
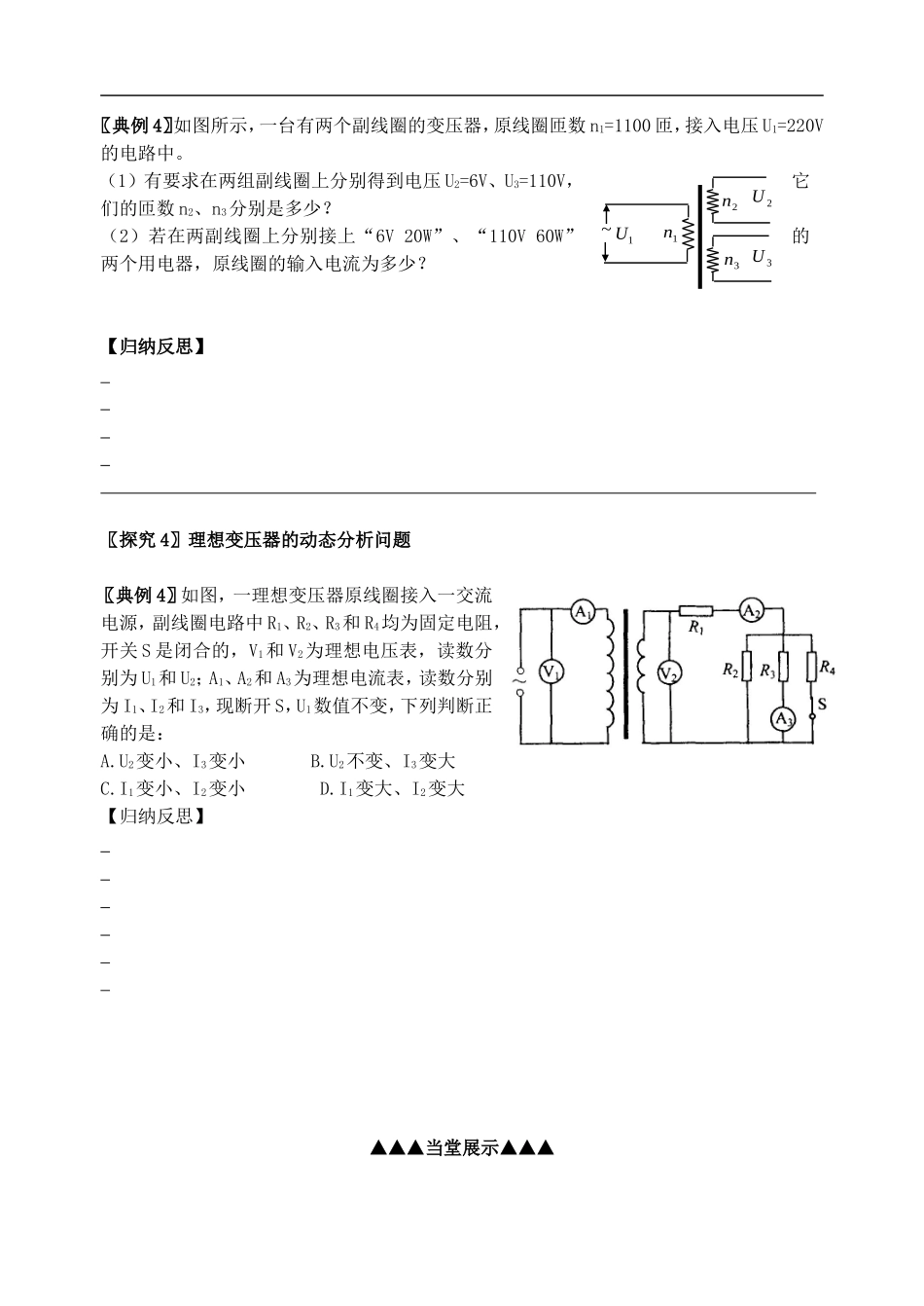
学校班级姓名日期第二章交变电流第6节变压器●●●目标导航●●●(1)知道变压器的构造(2)理解互感现象,理解变压器的工作原理。(3)理解理想变压器原、副线圈中电压与匝数的关系,能应用它分析解决有关问题。(4)理解理想变压器原、副线圈中电流与匝数的关系,能应用它分析解决有关问题。(5)知道课本中介绍的几种常见的变压器。◆◆◆课前预习◆◆◆〖自主学习〗1.在交流电的传输过程中,必须有升高或降低电压的设备来满足各种不同的需要,这种设备称为。2.变压器主要由闭合的和绕在上的两个或两个以上的组成,其中与相连的线圈叫做原线圈或初级线圈,与相连的线圈叫做副线圈或次级线圈。3.变压器的工作原理是根据,当原线圈两端加上交变电压时,就有交变电流通过线圈,并在铁芯中产生交变的磁场,铁芯中就有变化的磁通量。由于副线圈也绕在铁芯上,这个变化的磁通量同样穿过副线圈,所以在副线圈中能够产生感应电动势,从而副线圈两端有电压输出。4.理想变压器指的是在变压过程中没有能量损失的变压器,其基本特点为:,原副线圈电压比为;如果只有一个副线圈,原副线圈电流比为(设原、副线圈匝数分别为n1、n2)。4.常见的变压器有、、三相变压器等。〖问题发现〗★★★课堂突破★★★〖探究1〗变压器的原理探究变压器的原理;了解变压器的铁芯起什么作用?〖典例1〗下列关于理想变压器的说法中,正确的是:()编写人:卜玉林审核人:审定人:A.理想变压器的输入功率等于输出功率B.输送的电能经变压器先转化为磁场能,再转化为电能C.输送的电能经变压器先转化为电厂能,再转化为电能D.输送的电能经变压器的铁芯直接传输过去【归纳反思】〖探究2〗变压器基本规律的应用1、探究变压器线圈两端的电压与匝数的关系:2、推导理想变压器的变压比公式3、变压器的功率关系、电流关系〖典例2〗如图,理想变压器原副线圈的匝数比为4:1,原线圈接入一电压为U=U0sinωt的交流电源,副线圈接一个R=27.5Ω的负载电阻。若V,Hz,则下述结论正确的:A.副线圈中电压表的读数为55VB.副线圈中输出交流电的周期为sC.原线圈中电流表的读书为0.5AD.原线圈中输入功率为【归纳反思】〖探究3〗原线圈中接有负载的问题及多个副线圈问题-2-AVR〖典例4〗如图所示,一台有两个副线圈的变压器,原线圈匝数n1=1100匝,接入电压U1=220V的电路中。(1)有要求在两组副线圈上分别得到电压U2=6V、U3=110V,它们的匝数n2、n3分别是多少?(2)若在两副线圈上分别接上“6V20W”、“110V60W”的两个用电器,原线圈的输入电流为多少?【归纳反思】〖探究4〗理想变压器的动态分析问题〖典例4〗如图,一理想变压器原线圈接入一交流电源,副线圈电路中R1、R2、R3和R4均为固定电阻,开关S是闭合的,V1和V2为理想电压表,读数分别为U1和U2;A1、A2和A3为理想电流表,读数分别为I1、I2和I3,现断开S,U1数值不变,下列判断正确的是:A.U2变小、I3变小B.U2不变、I3变大C.I1变小、I2变小D.I1变大、I2变大【归纳反思】▲▲▲当堂展示▲▲▲~1n2n3n1U2U3U编写人:卜玉林审核人:审定人:1利用如图所示的电流互感器可以测量被测电路中的电流,若互感器原副线圈的匝数比n1:n2=1:100,交流电流表A的示数是50mA,则:A.被测电路的电流有效值为0.5AB.被测电路的电流平均值为0.5AC.被测电路的电流的最大值为AD.原副线圈中的电流同时达到最大值2如图所示,一理想变压器原、副线圈匝数比为3:1,副线圈接三个相同的灯泡,均能正常发光,若在原线圈所在的电路上再串联一个相同的灯泡L,则(设电源的有效值不变):()A.灯L与三灯亮度相同B.灯L比三灯都暗C.灯L将会被烧坏D.无法判断3、如图所示电路中的变压器为理想变压器,S为单刀双掷开关,P是滑动变阻器R的滑动触头,U1为加在原线圈两端的交变电压,I1、I2分别为原线圈和副线圈中的电流。下列说法中正确的是:()A.保持P的位置及U1不变,S由b切换到a,则R上消耗的功率减小B.保持P的位置及U1不变,S由a切换到b,则I2减小C.保持P的位置及U1不变,S由b切换到a,则I1增大D.保持U1不变,S接在b端,将P向上滑动,则I1减小第5节变压器班级姓名评价-4-原线圈被测电路副线圈AL1Uab...

1、当您付费下载文档后,您只拥有了使用权限,并不意味着购买了版权,文档只能用于自身使用,不得用于其他商业用途(如 [转卖]进行直接盈利或[编辑后售卖]进行间接盈利)。
2、本站所有内容均由合作方或网友上传,本站不对文档的完整性、权威性及其观点立场正确性做任何保证或承诺!文档内容仅供研究参考,付费前请自行鉴别。
3、如文档内容存在违规,或者侵犯商业秘密、侵犯著作权等,请点击“违规举报”。

碎片内容

高二物理 第二章第6节 变压器导学案 教科版

您可能关注的文档

雨丝书吧+ 关注
实名认证
内容提供者

乐于和他人分享知识,从事历史教学,热爱教育,高度负责。

相关文档

确认删除?
VIP
微信客服
  • 扫码咨询
会员Q群
  • 会员专属群点击这里加入QQ群
客服邮箱
回到顶部