电脑桌面
添加小米粒文库到电脑桌面
安装后可以在桌面快捷访问

单元工程项目划分原则VIP免费

单元工程项目划分原则_第1页
1/19
单元工程项目划分原则_第2页
2/19
单元工程项目划分原则_第3页
3/19
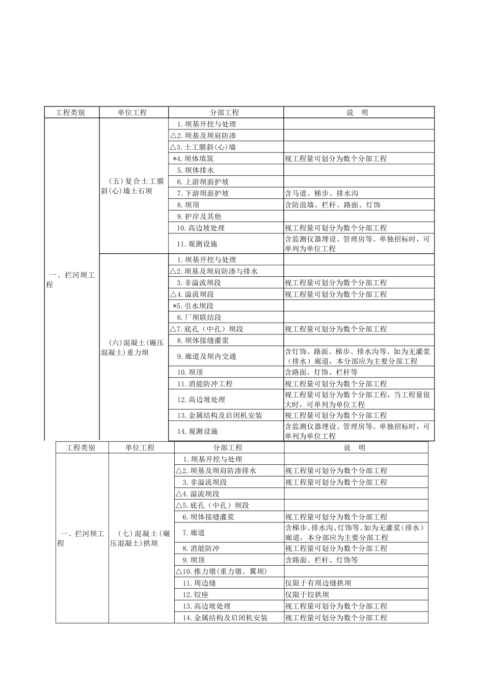
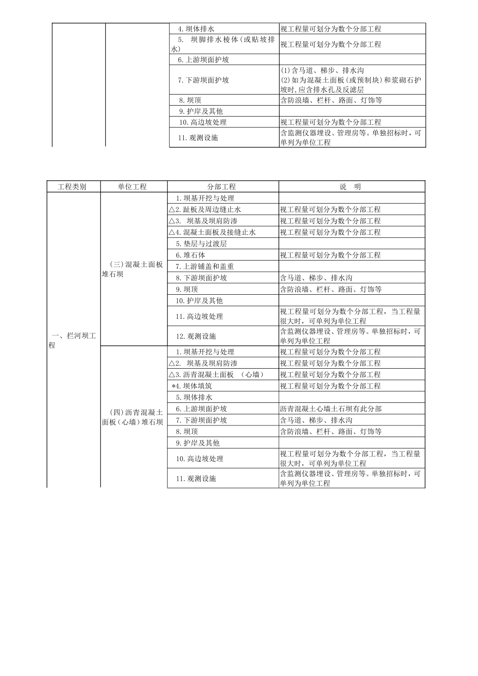
项目划分原则1.1.1水利水电工程质量检验与评定应进行项目划分。项目按级划分为单位工程、分部工程、单元(工序)工程等三级。1.1.2工程中永久性房屋(管理设施用房)、专用公路、专用铁路等工程项目,可按相关行业标准划分和确定项目名称。1.2项目划分原则1.2.1水利水电工程项目划分应结合工程结构特点、施工部署及施工合同要求进行,划分结果应有利于保证施工质量以及施工质量管理。是进行项目划分的基本原则。设计结构特点指建筑物的结构特点,如混凝土重力坝,可按坝段进行项目划分,土石坝则应按防渗体、坝壳及排水堆石体等进行项目划分。施工部署指施工组织设计中对各建筑物施工时期的安排。同时,还应遵守有利于施工质量管理的原则。1.2.2单位工程项目划分应按下列原则确定:1枢纽工程,一般以每座独立的建筑物为一个单位工程。当工程规模大时,可将一个建筑物中具有独立施工条件的一部分划分为一个单位工程。2堤防工程,按招标标段或工程结构划分单位工程。规模较大的交叉联结建筑物及管理设施以每座独立的建筑物为一个单位工程。3引水(渠道)工程,按招标标段或工程结构划分单位工程。大、中型引水(渠道)建筑物以每座独立的建筑物为一个单位工程。4除险加固工程,按招标标段或加固内容,并结合工程量划分单位工程。1.2.2单位工程项目划分,对枢纽工程、堤防工程、引水(渠道)工程的单位工程项目划分原则做了规定。引水(渠道)工程级别按《灌溉与排水工程设计规范》GB50288—99规定执行。除险加固工程因险情不同,其除险加固内容和工程量也相差很大,应按实际情况进行项目划分。加固工程量大时,以同一招标标段中的每座独立建筑物的加固项目为一个单位工程,当加固工程量不大时,也可将一个施工单位承担完成的几个建筑物的加固项目划分为一个单位工程。1.2.3分部工程项目划分应按下列原则确定:1枢纽工程,土建部分按设计的主要组成部分划分;金属结构及启闭机安装工程和机电设备安装工程按组合功能划分。2堤防工程,按长度或功能划分。3引水(渠道)工程中的河(渠)道按施工部署或长度划分。大、中型建筑物按设计主要组成部分划分。4除险加固工程,按加固内容或部位划分。5同一单位工程中,各个分部工程的工程量(或投资)不宜相差太大,每个单位工程中的分部工程数目,不宜少于5个。条文中的“工程量不宜相差太大”指同种类分部工程(如几个混凝土分部工程)的工程量差值不超过50%,“投资不相差太大”指不同种类分部工程(如混凝土分部工程、砌石分部工程、闸门及启闭机安装分部工程……等)的投资差值不宜超过1倍。对除险加固工程可根据整治内容,按本条规定的原则进行分部工程的划分。表1水利水电枢纽工程项目划分表工程类别单位工程分部工程说明一、拦河坝工程(一)土质心(斜)墙土石坝1.坝基开挖与处理△2.坝基及坝肩防渗视工程量可划分为数个分部工程△3..防渗心(斜)墙视工程量可划分为数个分部工程*4.坝体填筑视工程量可划分为数个分部工程5.坝体排水视工程量可划分为数个分部工程6.坝脚排水棱体(或贴坡排水)视工程量可划分为数个分部工程7.上游坝面护坡8.下游坝面护坡(1)含马道、梯步、排水沟(2)如为混凝土面板(或预制块)和浆砌石护坡时,应含排水孔及反滤层9.坝顶含防浪墙、栏杆、路面、灯饰等10.护岸及其他11.高边坡处理视工程量可划分为数个分部工程,当工程量很大时,可单列为单位工程12.观测设施含监测仪器埋设、管理房等。单独招标时,可单列为单位工程(二)均质土坝1.坝基开挖与处理△2.坝基及坝肩防渗视工程量可划分为数个分部工程*3.坝体填筑视工程量可划分为数个分部工程4.坝体排水视工程量可划分为数个分部工程5.坝脚排水棱体(或贴坡排水)视工程量可划分为数个分部工程6.上游坝面护坡7.下游坝面护坡(1)含马道、梯步、排水沟(2)如为混凝土面板(或预制块)和浆砌石护坡时,应含排水孔及反滤层8.坝顶含防浪墙、栏杆、路面、灯饰等9.护岸及其他10.高边坡处理视工程量可划分为数个分部工程11.观测设施含监测仪器埋设、管理房等。单独招标时,可单列为单位工程工程类别单位工程分部工程说明一、拦河坝工程(三)混凝土面板堆石坝1.坝基开挖与处理△2.趾板及周边缝...

1、当您付费下载文档后,您只拥有了使用权限,并不意味着购买了版权,文档只能用于自身使用,不得用于其他商业用途(如 [转卖]进行直接盈利或[编辑后售卖]进行间接盈利)。
2、本站所有内容均由合作方或网友上传,本站不对文档的完整性、权威性及其观点立场正确性做任何保证或承诺!文档内容仅供研究参考,付费前请自行鉴别。
3、如文档内容存在违规,或者侵犯商业秘密、侵犯著作权等,请点击“违规举报”。

碎片内容

单元工程项目划分原则

文章天下+ 关注
实名认证
内容提供者

各种文档应有尽有

相关文档

确认删除?
VIP
微信客服
  • 扫码咨询
会员Q群
  • 会员专属群点击这里加入QQ群
客服邮箱
回到顶部