电脑桌面
添加小米粒文库到电脑桌面
安装后可以在桌面快捷访问

各种施工工序流程图VIP免费

各种施工工序流程图_第1页
1/6
各种施工工序流程图_第2页
2/6
各种施工工序流程图_第3页
3/6
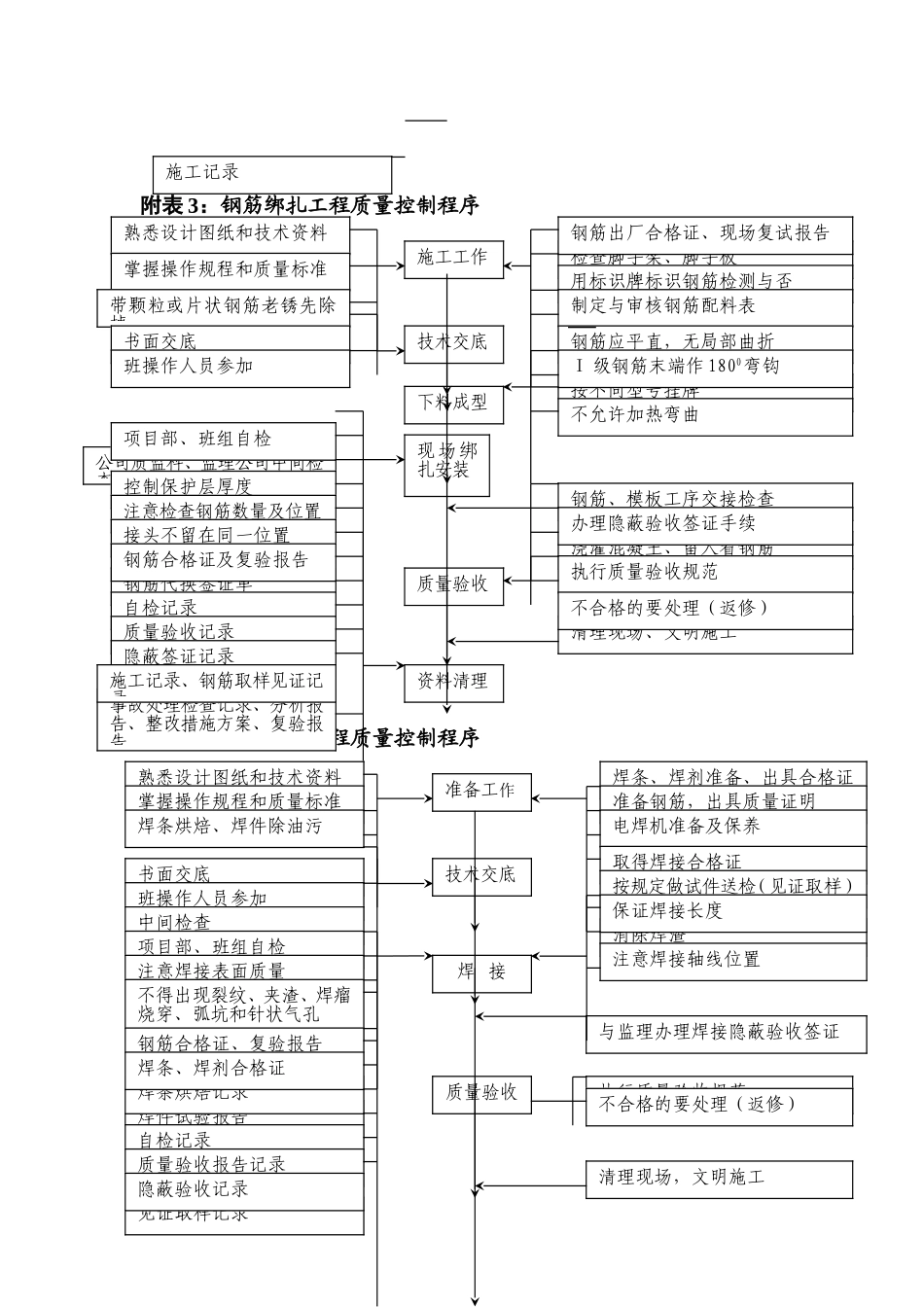
工程施工主要工序质量控制图附表1:独立钢筋砼基础施工工艺流程附表2:模板工程质量控制程序施工的准备工作测基础中心浇注垫层挖基础土方定基础位置混凝土配比现场实验室独立柱钢筋(网片筋)制安基础梁混凝土浇注熟悉设计图纸和技术资料掌握操作规程和质量标准底板抄平放线书面交底班组操作人员参加底部标高、中心线、断面、尺寸放线注意预埋件的位置和尺寸按现场预留拆模试块压报告情况,结合强度曲线确定拆模时间预埋件隐蔽记录质量验收记录自检记录修补模板、分类堆放注意保护棱角模板选择平整钢模板模板涂隔离剂与钢筋工序交接钢模板孔洞堵补项目部、班组自检公司质监科中间抽查执行质量验收规范注意二次支模接缝要有足够风度、防止胀模与钢筋、混凝土工序交接检查浇灌混凝土时、留人看模梁、板底部按规定起拱清理现场,文明施工施工准备技术交底支模拆模质量验收资料整理试块取样试块养护试块试验模板制安建筑独立基础砼养护拆模回填土基础梁钢筋架模板附表3:钢筋绑扎工程质量控制程序附表4:钢筋焊接工程质量控制程序熟悉设计图纸和技术资料公司质监科、监理公司中间检查检查脚手架、脚手板钢筋出厂合格证、现场复试报告掌握操作规程和质量标准项目部、班组自检带颗粒或片状钢筋老锈先除掉书面交底班操作人员参加钢筋代换签证单用标识牌标识钢筋检测与否制定与审核钢筋配料表钢筋应平直,无局部曲折按不同型号挂牌Ⅰ级钢筋末端作1800弯钩钢筋、模板工序交接检查不允许加热弯曲浇灌混凝土、留人看钢筋办理隐蔽验收签证手续施工工作技术交底下料成型控制保护层厚度注意检查钢筋数量及位置接头不留在同一位置钢筋合格证及复验报告自检记录质量验收记录隐蔽签证记录事故处理检查记录、分析报告、整改措施方案、复验报告施工记录、钢筋取样见证记录执行质量验收规范清理现场、文明施工不合格的要处理(返修)现场绑扎安装质量验收资料清理施工记录熟悉设计图纸和技术资料掌握操作规程和质量标准书面交底班操作人员参加焊条烘焙、焊件除油污中间检查项目部、班组自检注意焊接表面质量不得出现裂纹、夹渣、焊瘤烧穿、弧坑和针状气孔钢筋合格证、复验报告见证取样记录焊件试验报告焊条烘焙记录焊条、焊剂合格证自检记录质量验收报告记录隐蔽验收记录焊条、焊剂准备、出具合格证准备工作准备钢筋,出具质量证明电焊机准备及保养取得焊接合格证按规定做试件送检(见证取样)消除焊渣保证焊接长度技术交底焊接质量验收注意焊接轴线位置与监理办理焊接隐蔽验收签证执行质量验收规范不合格的要处理(返修)清理现场,文明施工附表5:混凝土工程质量控制程序附表6:砌体工程质量控制程序X光探伤记录事故处理检查记录、分析报告、整改措施方案、复验报告资料整理学习图纸和技术资料学习操作规程和质量标准书面交底操作人员参加预埋件、预留孔按图施工准备工作技术交底平面尺寸、标高测量放线材料和外加剂准备、出具合格证对土建工序进行交接检查严格执行重量比,搅拌均匀墙面平整垂直、砂浆饱满接槎合理清水浇砖,防止干砖上墙按规定预留、养护砂浆试压块第一楼层(基础按一个楼层计)每一工作班或250m3砌体至少应制一组试块(每组6块)材料合格证试块强度报告单自检记录水平、垂直、运输工具准备脚手架、马道准备按图立架杆申请砂浆配合比克服上道工序弊病的补救措施基底测量放线砌体质量验收公司质监科、项目部中间检查项目部、班组自检执行质量验收规范不合格的处理(返工)熟悉设计图纸和技术资料每个工作班不少于1组,每拌制100立方米砼不少于1组,现浇楼层每不少于1组。办理钢筋隐蔽签证手续按规定预留、养护砼试块掌握操作规程和质量标准制定混凝土质量保证措施书面交底班组操作人员参加克服上道工序弊病的补救措施专业会签注意管道和电缆穿现浇板部位注意混凝土接槎部位截面尺寸准确、砼捣固密实工程技术保证资料隐蔽工程记录混凝土试块试验报告自检记录事故处理检查记录、分析报告、整改措施方案、复验报告混凝土灌令岗位分工,操作挂牌木工,钢筋工跟班作业确保质量质量验收记录材料准备,出具材料质保局或合格证以及材料现场取样试验报告准备工作申请防水混凝土配合比准备试模...

1、当您付费下载文档后,您只拥有了使用权限,并不意味着购买了版权,文档只能用于自身使用,不得用于其他商业用途(如 [转卖]进行直接盈利或[编辑后售卖]进行间接盈利)。
2、本站所有内容均由合作方或网友上传,本站不对文档的完整性、权威性及其观点立场正确性做任何保证或承诺!文档内容仅供研究参考,付费前请自行鉴别。
3、如文档内容存在违规,或者侵犯商业秘密、侵犯著作权等,请点击“违规举报”。

碎片内容

各种施工工序流程图

您可能关注的文档

确认删除?
VIP
微信客服
  • 扫码咨询
会员Q群
  • 会员专属群点击这里加入QQ群
客服邮箱
回到顶部