电脑桌面
添加小米粒文库到电脑桌面
安装后可以在桌面快捷访问

含有电流截止负反馈的转速负反馈直流调速系统设计要点VIP免费

含有电流截止负反馈的转速负反馈直流调速系统设计要点_第1页
1/15
含有电流截止负反馈的转速负反馈直流调速系统设计要点_第2页
2/15
含有电流截止负反馈的转速负反馈直流调速系统设计要点_第3页
3/15
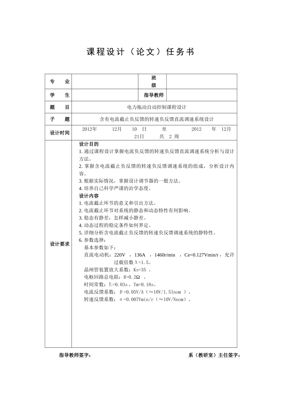
课程设计(论文)任务书专业班级学生指导教师题目电力拖动自动控制课程设计子题含有电流截止负反馈的转速负反馈直流调速系统设计设计时间2012年12月10日至2012年12月21日共2周设计要求设计目的1.通过课程设计掌握电流负反馈的转速负反馈直流调速系统分析与设计方法。2.掌握含电流截止负反馈的转速负反馈调速系统的组成,分析设计内容。3.根据实际情况,掌握设计调节器的一般方法。4.培养自己科学严谨的治学态度。设计内容1.电流截止环节的意义和引出方法。2.电流截止环节对系统的静态和动态特性有何影响。3.稳态有静差,怎样减小静差。4.动态过程的稳定条件如何界定。5.详细分析含电流截止负反馈的转速负反馈调速系统的静特性。6.参数选择:基本参数如下:直流电动机:220V,136A,1460r/min,Ce=0.127Vmin/r,允许过载倍数λ=1.5。晶闸管装置放大系数:Ks=35。电枢回路总电阻:R=0.2Ω。时间常数:Tl=0.03s,Tm=0.18s。电流反馈系数:β=0.05V/A(≈10V/1.5Inom)。转速反馈系数:α=0.007Vmin/r(≈10V/Nnom)。指导教师签字:系(教研室)主任签字:1总体方案设计带电流截止负反馈的转速负反馈的设计方案本文主要分别从介绍电流截止负反馈和转速负反馈的调节器的设计出发,将各自的特点结合再通过数字式绘图进行原理结构的设计,其总的数字式实现结构有以下部分:1、变压器部分此部分是将电网电压引入,再将其设计为三种方式的输出,分别是为电流互感器部分提供电压的变压器1,为稳压模块提供电压的变压器3,和为控制信号产生部分提供电压的变压器2.2、主电路部分此部分理所当然是整个设计的核心部分,其当中有控制对象——电机,还有我们主要需要设计出的控制晶闸管的开断信号,当然其中的转速反馈电压也是从此部分输出。3、电流互感器部分此部分为电流截止负反馈部分提供反馈电流信号的核心部分,反馈电流信号将从这里引出通过晶闸管从而进入主控电路。4、ASR和电流截止部分真个调速系统的主控部分,这个调速系统的调速性质就由这个部分决定,其中包括了电流截止负反馈电路和转速负反馈电路。5、稳压模块为控制信号模块和一些其他需要供电的集成模块器件供电。6控制信号产生部分此部分主要是产生控制前面主电路部分的晶闸管开通与关断的,以有效地控制电机的转动。7、控制信号的放大驱动部分辅助控制信号产生部分,使其产生更精确,更稳定的控制信号,以使电机更好的运行。2带电流截止负反馈的转速负反馈的分析与设计2.1电流截止负反馈的分析与设计问题的提出:(1)起动的冲击电流---直流电动机全电压起动时,如果没有限流措施,会产生很大的冲击电流,这不仅对电机换向不利,对过载能力低的电力电子器件来说,更是不能允许的。(2)闭环调速系统突加给定起动的冲击电流---采用转速负反馈的闭环调速系统突然加上给定电压时,由于惯性,转速不可能立即建立起来,反馈电压仍为零,相当于偏差电压,差不多是其稳态工作值的1+K倍。这时,由于放大器和变换器的惯性都很小,电枢电压一下子就达到它的最高值,对电动机来说,相当于全压起动,当然是不允许的。(3)堵转电流---有些生产机械的电动机可能会遇到堵转的情况。例如,由于故障,机械轴被卡住,或挖土机运行时碰到坚硬的石块等等。由于闭环系统的静特性很硬,若无限流环节,硬干下去,电流将远远超过允许值。如果只依靠过流继电器或熔断器保护,一过载就跳闸,也会给正常工作带来不便。为了解决反馈闭环调速系统的起动和堵转时电流过大的问题,系统中必须有自动限制电枢电流的环节。根据反馈控制原理,要维持哪一个物理量基本不变,就应该引入那个物理量的负反馈。那么,引入电流负反馈,应该能够保持电流基本不变,使它不超过允许值。通过对电流负反馈和转速负反馈的分析。考虑到,限流作用只需在起动和堵转时起作用,正常运行时应让电流自由地随着负载增减,采用电流截止负反馈的方法,则当电流大到一定程度时才接入电流负反馈以限制电流,而电流正常时仅有转速负反馈起作用控制转速。电流截止负反馈环节如下图:.(a)利用独立直流电源作比较电压(b)利用稳压管产生比较电压(c)封锁运算放大器的电流截止负反馈环节图1...

1、当您付费下载文档后,您只拥有了使用权限,并不意味着购买了版权,文档只能用于自身使用,不得用于其他商业用途(如 [转卖]进行直接盈利或[编辑后售卖]进行间接盈利)。
2、本站所有内容均由合作方或网友上传,本站不对文档的完整性、权威性及其观点立场正确性做任何保证或承诺!文档内容仅供研究参考,付费前请自行鉴别。
3、如文档内容存在违规,或者侵犯商业秘密、侵犯著作权等,请点击“违规举报”。

碎片内容

含有电流截止负反馈的转速负反馈直流调速系统设计要点

您可能关注的文档

文章天下+ 关注
实名认证
内容提供者

各种文档应有尽有

确认删除?
VIP
微信客服
  • 扫码咨询
会员Q群
  • 会员专属群点击这里加入QQ群
客服邮箱
回到顶部