电脑桌面
添加小米粒文库到电脑桌面
安装后可以在桌面快捷访问

辽宁省普兰店二十七中九年级物理《第十三章力和机械》复习学案VIP免费

辽宁省普兰店二十七中九年级物理《第十三章力和机械》复习学案_第1页
1/8
辽宁省普兰店二十七中九年级物理《第十三章力和机械》复习学案_第2页
2/8
辽宁省普兰店二十七中九年级物理《第十三章力和机械》复习学案_第3页
3/8
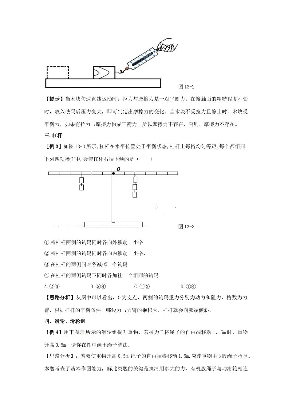
2011—2012学年上学期初三物理第13章学案第十三章力和机械学习目标:1.通过回顾重力、弹力、摩擦力、杠杆、滑轮、滑轮组等知识点,找出各知识点之间的内在联系,建构知识体系2.通过对杠杆平衡条件、定滑轮、动滑轮、滑轮组的特点加深理解及其应用和练习巩固、拓展延伸来找出规律,培养分析概括能力和熟练解决问题的能力。重点:构建知识体系;灵活运用力和机械知识解答生活中相关问题重点:运用力、杠杆及平衡原理、定滑轮动滑轮滑轮组特点和实质、较熟练地分析解决与其相关的实际问题物复习过程(一)构建知识网络弹力:1定义________,2弹簧测力计的原理_____定义:由于地球_____________而受到的力大小:与___成正比关系式:______重力三要素方向:______________________力的种类作用点:_________密度均匀形状规则物体的重心在______定义:阻碍物体___________运动的力摩擦力:种类:滚动摩擦力、___摩擦力、_______摩擦力摩擦力影响因素:1.______;2.________增大________增大摩擦力的方法:增加________定义:能绕固定点转动的硬棒一点:支点五要素二力:动力、阻力,符号分别为______和_______杠杆二臂:动力臂和阻力臂,符号分别为___和__平衡原理:_×_=_×_即:___=___简单机械省力杠杆:L1_L2F1_F2如____;分类费力杠杆:L1_L2F1_F2,如____;等臂杠杆:L1_L2F1_F2,如____。优点:___________________定滑轮实质:___________________滑轮优点:____________________动滑轮实质:____________________优点:___________________不足:__________力滑轮组省力规律:有几段绳子与__动轮连接,所用的拉力就等于物体与动滑轮总重力的_______(二)典型例题透析一.重力【例1】如图13-1所示,质量为1kg的小球用细线悬挂在天花板上,用力的示意图法在图中画出它所受的重力G(g=10N/kg)。图13-1【提示】先求出小球的重力,然后再根据要求画出重力的示意图即可。二.摩擦力【例2】如图13-2所示,是小芳在做“探究影响滑动摩擦力大小因素”实验时的情景。(1)操作的错误是____________________。(2)纠正错误后,应拉动弹簧测力计使木块作运动,这样做的目的是___________。(3)若在木块上再放一个砝码,则木块运动时受到的滑动摩擦力将(选填“变大”、“变小”或“不变”).(4)当木块在水平上静止,不再受弹簧测力计的拉力时,木块与水平面间____(填“有”或“无”)摩擦力。图13-2【提示】当木块匀速直线运动时,拉力与摩擦力是一对平衡力。在接触面的粗糙程度不变时,放入砝码后压力变大,即可判定出摩擦力的变化。当木块不受拉力且静止时,木块受平衡力,如果有拉力与摩擦力构成平衡力,所以摩擦力不存在,否则,摩擦力不存在。三.杠杆[例3]如图13-3所示,杠杆在水平位置处于平衡状态,杠杆上每格均匀等距,每个都相同.下列四项操作中,会使杠杆右端下倾的是()图13-3①将杠杆两侧的钩码同时各向外移动一小格②将杠杆两侧的钩码同时各向内移动一小格、③在杠杆的两侧同时各减掉一个钩码④在杠杆的两侧钩码下同时各加挂一个相同的钩码A.②③B.②④C.①③D.①④【思路分析】从图中可以看出,O为支点,两侧的钩码重力分别为动力和阻力,格数为力臂,根据杠杆的平衡条件,哪边力与力臂的乘积大,杠杆就会向哪端倾斜。四.滑轮、滑轮组【例4】用下图示所示的滑轮组提升重物,若拉力F将绳子的自由端移动1.5m时,重物升高0.5m,请你在图中画出绳子绕法。【思路分析】:若要使重物升高0.5m,绳子的自由端将移动1.5m,应使重物由3股绳子承担。本题考查了基本作图能力,解此类题的关键是搞清用多大的力,有机股绳子与动滑轮相连接,体现了新课标中应用知识分析问题的能力。图13-4图13-5【例5】如右图所示,用滑轮分别将重量相同的甲、乙两物体匀速提升相同高度。不计绳重与摩擦,且动滑轮重G重小于物重G,所用拉力分别为F甲、F乙,则F甲----F乙(填”>”、“=”或“<”)【分析】定滑轮的特点是不省力,但能改变力的方向,因此F甲=G;动滑轮可省一半力,则F乙=0.5G。本题主要考查定滑轮和动滑轮特点的掌握情况。(三)复习小结本节课我的收获有:我还有这些疑惑:(四)...

1、当您付费下载文档后,您只拥有了使用权限,并不意味着购买了版权,文档只能用于自身使用,不得用于其他商业用途(如 [转卖]进行直接盈利或[编辑后售卖]进行间接盈利)。
2、本站所有内容均由合作方或网友上传,本站不对文档的完整性、权威性及其观点立场正确性做任何保证或承诺!文档内容仅供研究参考,付费前请自行鉴别。
3、如文档内容存在违规,或者侵犯商业秘密、侵犯著作权等,请点击“违规举报”。

碎片内容

辽宁省普兰店二十七中九年级物理《第十三章力和机械》复习学案

您可能关注的文档

海博书城+ 关注
实名认证
内容提供者

从事历史教学,热爱教育,高度负责。

相关文档

确认删除?
VIP
微信客服
  • 扫码咨询
会员Q群
  • 会员专属群点击这里加入QQ群
客服邮箱
回到顶部