电脑桌面
添加小米粒文库到电脑桌面
安装后可以在桌面快捷访问

高中物理 5-1 发电原理规范训练 教科版选修1-1VIP专享VIP免费

高中物理 5-1 发电原理规范训练 教科版选修1-1_第1页
1/5
高中物理 5-1 发电原理规范训练 教科版选修1-1_第2页
2/5
高中物理 5-1 发电原理规范训练 教科版选修1-1_第3页
3/5
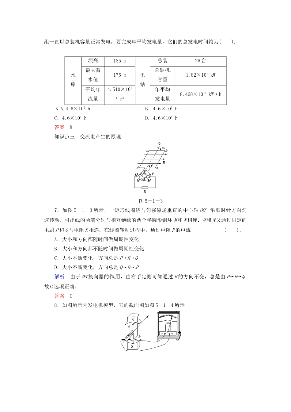
【创新设计】-学年高中物理5-1发电原理规范训练教科版选修1-1(时间:60分钟)知识点一交流电的概念1.下列各图中表示交变电流的是().解析根据交变电流的定义,A、C、D图中电流的大小和方向都随时间作周期性变化,是交变电流.B图中电流的大小随时间作周期性变化,但方向始终不变,是脉动直流,而不是交变电流.故正确答案选A、C、D.答案ACD2.交变电流的周期和频率都是描述交变电流________的物理量.交变电流的周期是指交变电流完成一次周期性变化所需要的时间.交变电流的频率是指交变电流在单位时间内完成周期性变化的次数.在我国,日常生活中所用的交变电流的周期是________s,频率是________Hz.答案变化快慢0.0250知识点二发动机的构造和原理3.把其他形式的能量转化为电能称为________,发电机利用了________的原理.答案发电电磁感应4.交流发电机由磁体、________、转轴、________、电刷等组成.答案线圈滑环5.发电的主要方式有:火力发电、________发电,________发电、太阳能发电、磁流体发电、__________发电、热电子发射发电等.答案水力核能化学电池6.三峡工程是一座具有防洪、发电、航运及养殖和供水等综合利用价值的特大型水利水电工程,其主要设计数据如下表.由表可知,发电机组全部建成发电后,假设发电机组一直以总装机容量正常发电,要完成年平均发电量,它们的总发电时间约为().水库坝高185m电站总装26台最大蓄水位175m总装机容量1.82×107kW平均年流量4.510×1011m3年平均发电量8.468×1010kW·hKA.4.6×102hB.4.6×103hC.4.6×104hD.4.6×105h答案B知识点三交流电产生的原理图5-1-37.如图5-1-3所示,一矩形线圈绕与匀强磁场垂直的中心轴OO′沿顺时针方向匀速转动,引出线的两端分别与相互绝缘的两个半圆形铜环M和N相连.M和N又通过固定的电刷P和Q与电阻R相连.在线圈转动过程中,通过电阻R的电流().A.大小和方向都随时间做周期性变化B.大小和方向都不随时间做周期性变化C.大小不断变化,方向总是P→R→QD.大小不断变化,方向总是Q→R→P解析由于MN换向器的作用,由右手定则可知通过R的方向不变,总是由P→R→Q.故C选项正确.答案C8.如图所示为发电机模型,它的截面图如图5-1-4所示图5-1-4(1)当线圈由图中位置①转到位置②的过程中,穿过线圈的磁通量________(“”填变大“”或变小),磁通量变化越来越________(“”“”填快或慢),感应电流越来越________(填“”“”大或小).(2)当线圈由图中位置②转到位置③的过程中,穿过线圈的磁通量________(“”填变大“”或变小),磁通量变化越来越________(“”“”填快或慢),感应电流越来越________(“”填大“”或小).(3)当线圈由图中位置③转到位置④的过程中,穿过线圈的磁通量________(“”填变大“”或变小),磁通量变化越来越________(“”“”填快或慢),感应电流越来越________(填“”“”大或小).(4)当线圈由图中位置④转到位置⑤的过程中,穿过线圈的磁通量________(“”填变大“”或变小),磁通量变化越来越________(“”“”填快或慢),感应电流越来越________(“”填大“”或小).答案(1)变小快大(2)变大慢小(3)变小快大(4)变大慢小知识点四发电过程中的能量转化9.“”火力发电厂吃的是煤“,”发的是电,在整个发电过程中能量转化的情况如下.请你在方框中填入相应的能量形式:――→――→――→答案化学内机械电10.如图5-1-5为核电站发电流程图.在核电站发电过程中,能量转化的先后顺序是()图5-1-5A.核能,化学能,机械能,电能B.核能,机械能,内能,电能C.核能,内能,机械能,电能D.核能,内能,化学能,电能解析由图可知核能发电是利用核能放出的热量带动发电机转动发电的,所以能量转化顺序是核能、内能、机械能、电能.答案C11.垃圾发电过程中能量转化是________.答案→→→化学能内能机械能电能12.修建水电站,要选择合适的地方筑坝蓄水,水从高处向下泄落,冲击水轮机的叶轮,带动发电机发电.在这个过程中,能量的转化顺序为()A.——势能电能动能B.——势能动能电能C.——电能动能势能D.——动能势能电能答案B13.目前世界各国城市垃圾的处...

1、当您付费下载文档后,您只拥有了使用权限,并不意味着购买了版权,文档只能用于自身使用,不得用于其他商业用途(如 [转卖]进行直接盈利或[编辑后售卖]进行间接盈利)。
2、本站所有内容均由合作方或网友上传,本站不对文档的完整性、权威性及其观点立场正确性做任何保证或承诺!文档内容仅供研究参考,付费前请自行鉴别。
3、如文档内容存在违规,或者侵犯商业秘密、侵犯著作权等,请点击“违规举报”。

碎片内容

高中物理 5-1 发电原理规范训练 教科版选修1-1

您可能关注的文档

文章天下+ 关注
实名认证
内容提供者

各种文档应有尽有

确认删除?
VIP
微信客服
  • 扫码咨询
会员Q群
  • 会员专属群点击这里加入QQ群
客服邮箱
回到顶部