电脑桌面
添加小米粒文库到电脑桌面
安装后可以在桌面快捷访问

一级技术交底-桥梁工程VIP免费

一级技术交底-桥梁工程_第1页
1/31
一级技术交底-桥梁工程_第2页
2/31
一级技术交底-桥梁工程_第3页
3/31
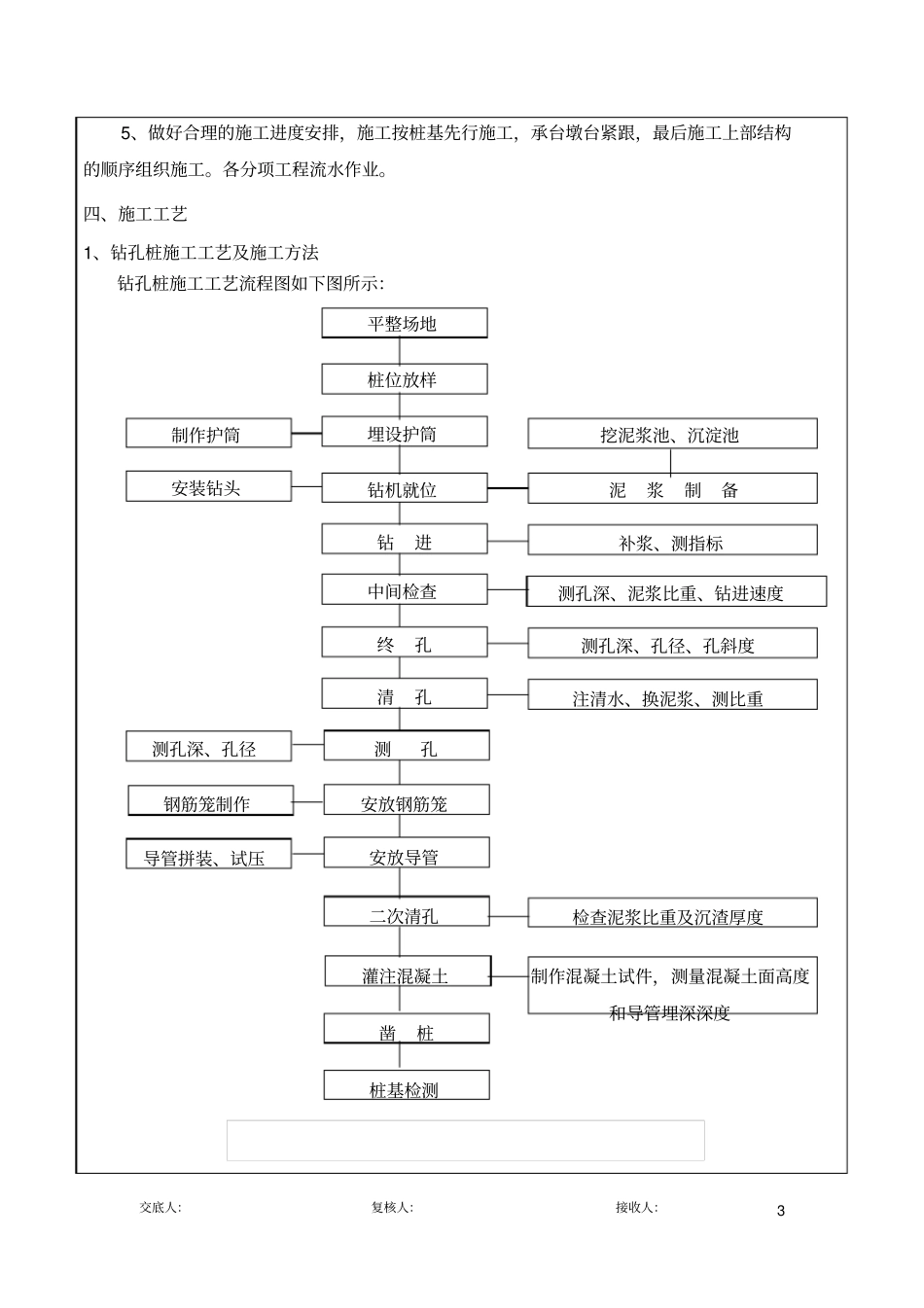
交底人:复核人:接收人:1技术交底书(1311)技术交底书表格编号1311项目名称中铁四局黔张常铁路项目经理部第1页共31页交底编号工程名称新建黔张常铁路站前工程QZCZQ-7标设计文件图号大中桥设计图(第一册)、改线段桥涵设计图、黔张常(施)桥096、黔张常(施)桥106施工部位交底日期一、技术交底范围本交底为新建黔张常铁路站前工程QZCZQ-7标DK167+925~DK205+373.59桥梁工程施工技术交底,包括桩基、承台、墩身、连续梁支架现浇、连续梁挂篮现浇施工。二、设计情况本标段共有桥梁15座,总长7028.7米,其中特大桥4座4830.68m,大桥6座1812.58m,中桥5座385.44m。桥梁工程一览表序号中心里程桥名采用样式孔跨桥长备注1DK168+012唐坊中桥简支T梁424110.13预制架设2DK172+078桐木溪大桥简支T梁424306.25预制架设简支T梁6323DK172+340桑张中桥简支T梁22460.65预制架设4DK173+707双岗村特大桥简支T梁1241408.59预制架设现浇双线连续箱梁132+48+32悬灌现浇现浇双线连续箱梁140+64+405DK175+362桥头村特大桥简支T梁3241786.5预制架设简支T梁52326DK176+590高峰村中桥简支T梁32485.31预制架设7DK177+315高峰村大桥简支T梁732353.5预制架设现浇双线连续箱梁132+48+328DK181+950茅溪河特大桥简支T梁224959.05预制架设简支T梁1732现浇双线连续箱梁16×32支架现浇现浇双线连续箱梁140+64+40悬灌现浇交底人:复核人:接收人:29DK182+858教字垭大桥简支T梁(四线)224387.6预制架设简支T梁(四线)103210DK187+528禹溪大桥简支T梁224224.13预制架设简支T梁53211DK188+797庙边河中桥简支T梁22460.65预制架设12DK194+384郝坪沟中桥简支T梁12468.7预制架设简支T梁13213DK199+249汨水溪大桥简支T梁124262.005预制架设简支T梁132现浇双线连续箱梁16×32支架现浇14DK202+057沙堤溪特大桥现浇三线连续箱梁16×32674.7支架现浇简支T梁124预制架设简支T梁1032现浇双线连续箱梁132+48+32悬灌现浇现浇单线连续箱梁132+48+3215DK205+234黄沙泉大桥简支T梁124279.1预制架设简支T梁232现浇双线连续箱梁148+80+48悬灌现浇本标段共有钻孔桩2189根,单根桩长12-41米,累计桩长44322m,桩径分为φ1.00m、φ1.25m、φ1.50m三种,其中φ1.00m钻孔桩1272根、计25524m,φ1.25m钻孔桩800根、计14815m,φ1.50m钻孔桩117根、计3983m。根据设计图纸,桩穿过的地质覆盖层主要为粉质黏土、细角砾土、页岩等,各土层地基承载力为160KPa~1000KPa,桩类型设计为摩擦桩和柱桩两种。桥梁承台共计225个,总方量为69024.12m3。本标段内共计桥墩234个,高度范围2m~39.1m,其中圆端型空心墩78个,桥台56个。桥梁上部结构主要以32m、24m简支箱梁作为常用跨度梁型。全线预制架设382单线孔T梁,现浇预应力连续箱梁10联。三、开始施工的条件及施工准备工作1、熟悉图纸,做好图纸会审工作,收集地形、地质、水文资料,核对现场施工情况。2、进行场地踏勘,对既有架空电线、地下电缆、给排水管道等设施,如果妨碍施工或对安全操作有影响,应采取清楚、改移、保护等措施妥善处理。3、架设电力线路。配备合适的变压器或柴油机。依据施工进度计划,合理配置机具设备,提前准备各种施工材料,严把材料质量关,防止不合格产品进入施工现场,认真做好各种施工材料的试、化验工作,混凝土圬工骨料应进行理化实验,不应采用含石膏和有机矿物质成份的骨料;拌合用水应进行水质化验,应采用无侵蚀性水。4、规划整理出合理的施工便道及施工场所,便于施工物资机械的顺利进场。交底人:复核人:接收人:35、做好合理的施工进度安排,施工按桩基先行施工,承台墩台紧跟,最后施工上部结构的顺序组织施工。各分项工程流水作业。四、施工工艺1、钻孔桩施工工艺及施工方法钻孔桩施工工艺流程图如下图所示:平整场地凿桩桩位放样埋设护筒钻机就位钻进制作护筒安装钻头中间检查终孔清孔测孔安放钢筋笼安放导管二次清孔灌注混凝土挖泥浆池、沉淀池泥浆制备补浆、测指标测孔深、泥浆比重、钻进速度测孔深、孔径、孔斜度注清水、换泥浆、测比重检查泥浆比重及沉渣厚度制作混凝土试件,测量混凝土面高度和导管埋深深度导管拼装、试压测孔深、孔径钢筋笼制作桩基检测交...

1、当您付费下载文档后,您只拥有了使用权限,并不意味着购买了版权,文档只能用于自身使用,不得用于其他商业用途(如 [转卖]进行直接盈利或[编辑后售卖]进行间接盈利)。
2、本站所有内容均由合作方或网友上传,本站不对文档的完整性、权威性及其观点立场正确性做任何保证或承诺!文档内容仅供研究参考,付费前请自行鉴别。
3、如文档内容存在违规,或者侵犯商业秘密、侵犯著作权等,请点击“违规举报”。

碎片内容

一级技术交底-桥梁工程

您可能关注的文档

爱的疯狂+ 关注
实名认证
内容提供者

该用户很懒,什么也没介绍

确认删除?
VIP
微信客服
  • 扫码咨询
会员Q群
  • 会员专属群点击这里加入QQ群
客服邮箱
回到顶部