电脑桌面
添加小米粒文库到电脑桌面
安装后可以在桌面快捷访问

三年高考2020_2020高考物理试题分项版解析专题18电学试验含解析4VIP免费

三年高考2020_2020高考物理试题分项版解析专题18电学试验含解析4_第1页
1/26
三年高考2020_2020高考物理试题分项版解析专题18电学试验含解析4_第2页
2/26
三年高考2020_2020高考物理试题分项版解析专题18电学试验含解析4_第3页
3/26
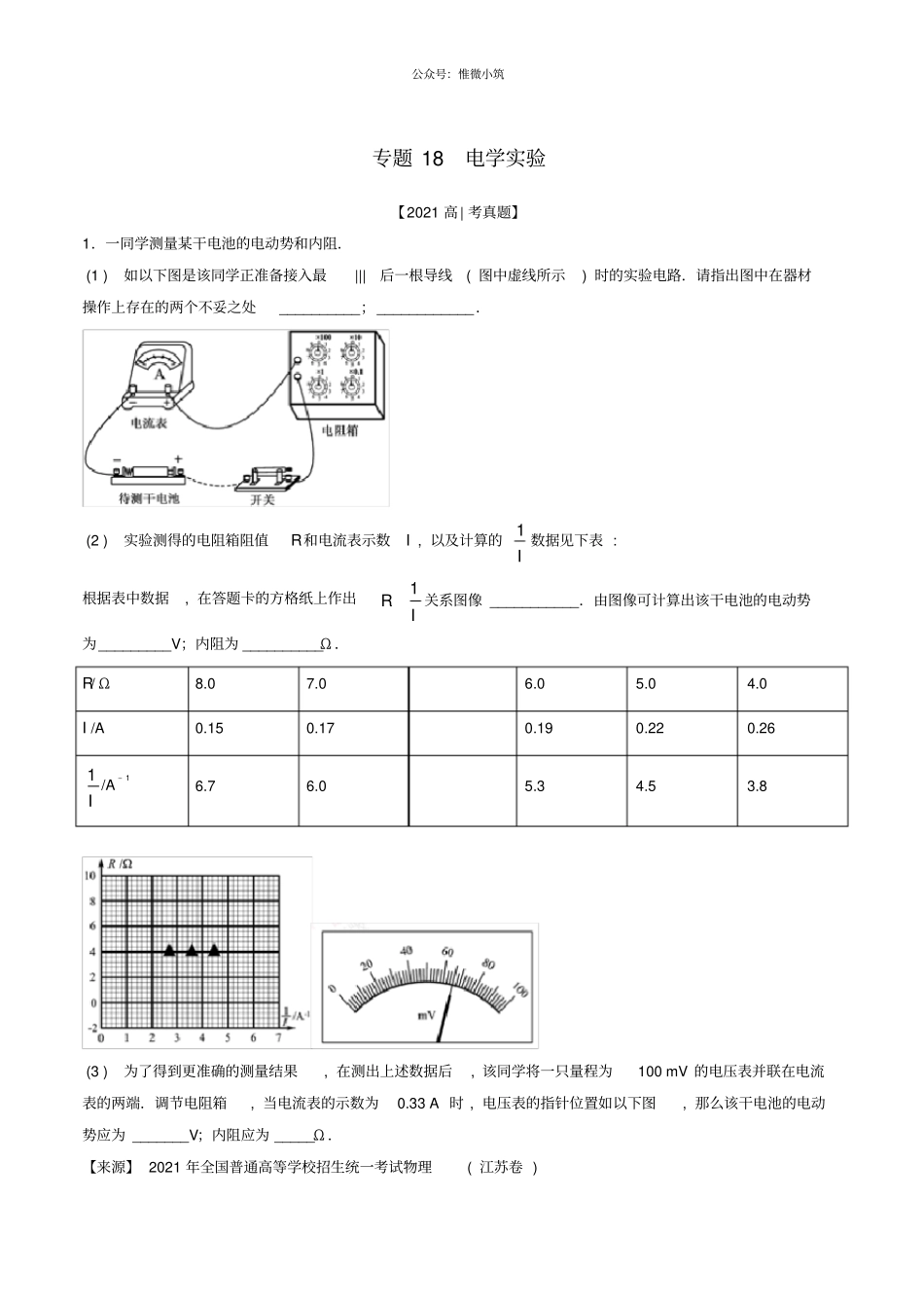
公众号:惟微小筑专题18电学实验【2021高|考真题】1.一同学测量某干电池的电动势和内阻.(1)如以下图是该同学正准备接入最|||后一根导线(图中虚线所示)时的实验电路.请指出图中在器材操作上存在的两个不妥之处__________;____________.(2)实验测得的电阻箱阻值R和电流表示数I,以及计算的1I数据见下表:根据表中数据,在答题卡的方格纸上作出1RI关系图像___________.由图像可计算出该干电池的电动势为_________V;内阻为__________Ω.R/Ω8.07.06.05.04.0I/A0.150.170.190.220.261I/A–16.76.05.34.53.8(3)为了得到更准确的测量结果,在测出上述数据后,该同学将一只量程为100mV的电压表并联在电流表的两端.调节电阻箱,当电流表的示数为0.33A时,电压表的指针位置如以下图,那么该干电池的电动势应为_______V;内阻应为_____Ω.【来源】2021年全国普通高等学校招生统一考试物理(江苏卷)公众号:惟微小筑【答案】(1)①开关未断开②电阻箱阻值为零(2)图像如以下图:1.4(1.30~1.44都算对)1.2(1.0~1.4都算对)(3)1.4(结果与(2)问第|一个空格一致)1.0(结果比(2)问第二个空格小0.2)表并联,可测得电流表的内阻3366.0100.203310VAAURI,考虑电表内阻对实验的影响,那么E=I(R+RA+r),得1ARERrI,所以图线的斜率仍表示电动势,电动势的准确值为1.37V,图线的截距表示(RA+r),所以内阻精确值为r=(1.20-0.20)Ω=1.00Ω.点睛:此题考查应用电流表和电阻箱测量电源电动势和内电阻实验,此题创新之处在于用一个电压表并联在电流表的两端测出电流表的电阻,从而提高测量电源内阻的精确度.2.某同学组装一个多用电表.可用的器材有:微安表头(量程100内阻900);电阻箱R1(阻值范围0999.9);电阻箱R2(阻值范围099999.9);导线假设干.要求利用所给器材先组装一个量程为1mA的直流电流表,在此根底上再将它改装成量程为3V的直流电压表.组装好的多用电表有电流1mA和电压3V两挡.答复以下问题:(1)在虚线框内画出电路图并标出R1和R2,其中*为公共接线柱,a和b分别是电流挡和电压挡的接线柱___________.公众号:惟微小筑(2)电阻箱的阻值_____________;R2=____________(保存到个位)【来源】2021年普通高等学校招生全国统一考试物理(全国II卷)【答案】(1)如以下图(2)1002910【解析】(1)R1的电阻比拟小,所以R1与表头并联构成大量程的的电流表,R2的阻值比拟大,与改装后的电流表串联可充当大量程的电压表,设计电路图如以下图;此题答案是:(1)如以下图(2)1002910点睛:利用串并联的关系求解改装电表时需要串联的电阻或者并联的电阻大小.3.某同学用伏安法测定待测电阻Rx的阻值(约为10kΩ),除了Rx,开关S、导线外,还有以下器材供选用:A.电压表(量程0~1V,内阻约为10kΩ)公众号:惟微小筑B.电压表(量程0~10V,内阻约为100kΩ)C.电流表(0~1mA内阻约为30Ω)D.电流表(0~0.6A,内阻约为0.05Ω)E.电源(电动势1.5V,额定电流0.5A,内阻不计)F.电源(电动势12V,额定电流2A,内阻不计)G.滑动变阻器R0(阻值范围0~10Ω,额定电流2A)①为使测量尽量准确,电压表选用_________,电流表选用______________,电源选用______________.(均填器材的字母代号);②画出测量Rx阻值的实验电路图____________.③该同学选择器材、连接电路和操作均正确,从实验原理上看,待测电阻测量值会______________其真实值(填"大于〞"小于〞或"等于〞),原因是____________________________.【来源】2021年全国普通高等学校招生同一考试理科综合物理试题(天津卷)【答案】BCF大于电压表的读数大于待测电阻两端实际电压(其他正确表述也可)②因为给的滑动变阻器的最|||大阻值只有10Ω,假设采用限流接法,那么电路中电流和电压变化不明显,故采用滑动变阻器的分压接法,由于,所以采用电流表内接法,电路图如以下图,③由于电流表的分压,导致电压测量值偏大,而电流准确,根据可知测量值偏大;公众号:惟微小筑【点睛】滑动变阻器的分压和限流接法的区别和选用原那么:区别:(1)限流接法线路结构简单,耗能少;(2)分压接法电压调整范围大,可以从0到路端电压之间连续调节;选用原那么:(1)优先限流接法,因为它电路结构简单,耗能较少;(2)以下情况之一者,须采用分压接法:①当测量电路的电阻...

1、当您付费下载文档后,您只拥有了使用权限,并不意味着购买了版权,文档只能用于自身使用,不得用于其他商业用途(如 [转卖]进行直接盈利或[编辑后售卖]进行间接盈利)。
2、本站所有内容均由合作方或网友上传,本站不对文档的完整性、权威性及其观点立场正确性做任何保证或承诺!文档内容仅供研究参考,付费前请自行鉴别。
3、如文档内容存在违规,或者侵犯商业秘密、侵犯著作权等,请点击“违规举报”。

碎片内容

三年高考2020_2020高考物理试题分项版解析专题18电学试验含解析4

您可能关注的文档

确认删除?
VIP
微信客服
  • 扫码咨询
会员Q群
  • 会员专属群点击这里加入QQ群
客服邮箱
回到顶部