电脑桌面
添加小米粒文库到电脑桌面
安装后可以在桌面快捷访问

上海工程技术大学机械设计试题A资料VIP免费

上海工程技术大学机械设计试题A资料_第1页
1/10
上海工程技术大学机械设计试题A资料_第2页
2/10
上海工程技术大学机械设计试题A资料_第3页
3/10
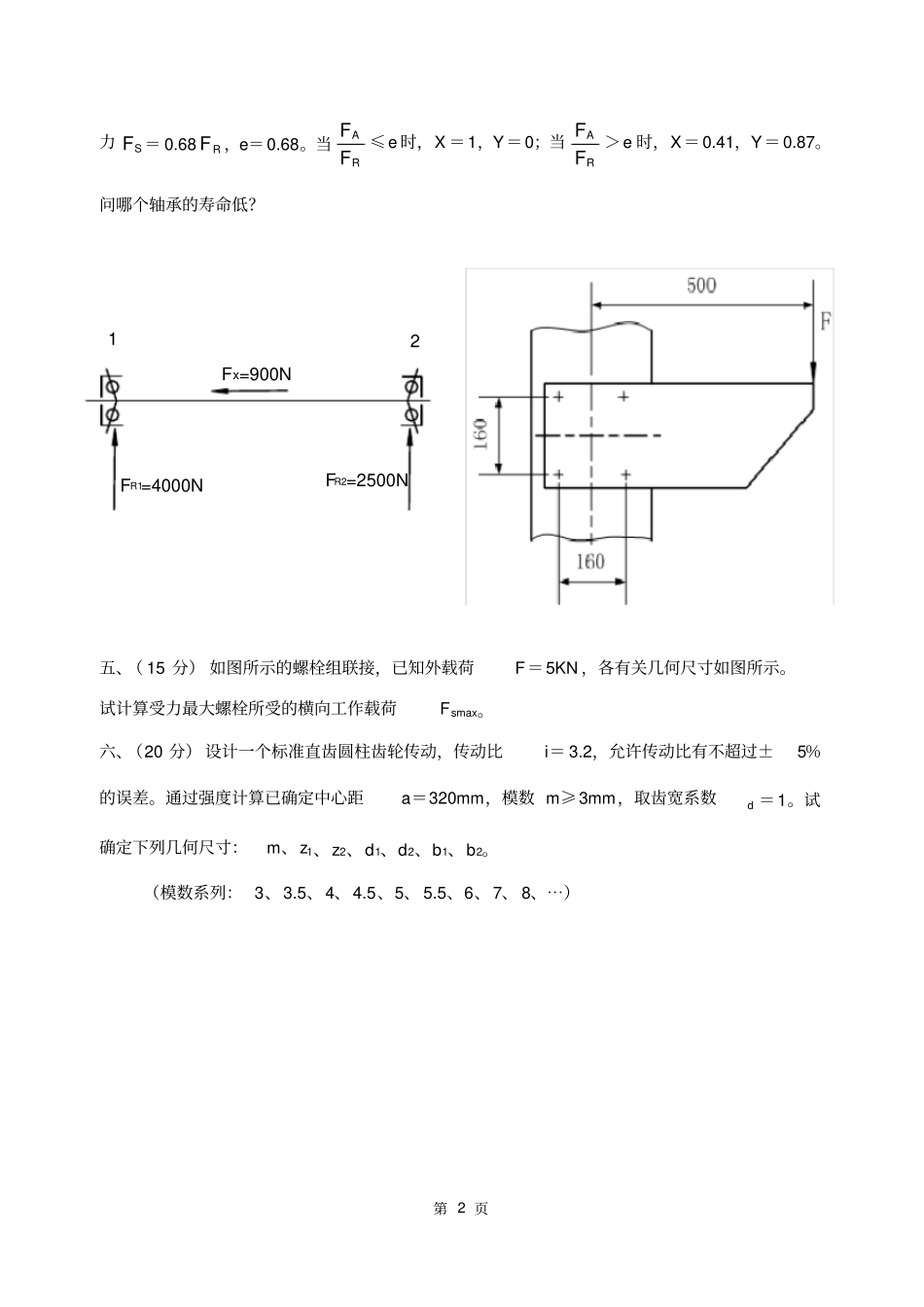
第页1《机械设计》试题A一、填空(每空1分,共20分)1.在疲劳曲线上,以循环基数N0为界分为两个区:当N≥N0时,为()区;当N<N0时,为()区。2.刚度是指机械零件在载荷作用下抵抗()的能力。零件材料的弹性模量越小,其刚度就越()。3.润滑油的()性越好,则其产生边界膜的能力就越强;()越大,则其内摩擦阻力就越大。4.为改善润滑油在某些方面的性能,在润滑油中加入的各种具有独特性能的化学合成物即为()。5.正是由于()现象,使带传动的传动比不准确。带传动的主要失效形式为()和()。6.蜗杆传动的主要缺点是齿面间的()很大,因此导致传动的()较低、温升较高。7.链传动水平布置时,最好()边在上,()在下。8.设计中,应根据被联接轴的转速、()和()选择联轴器的型号。9.径向滑动轴承的半径间隙与轴颈半径之比称为();而()与()之比称为偏心率。10.对于普通平键,考虑到载荷分布的不均匀性,双键联接的强度按()个键计算。二、判断题(每小题1分,共10分)(正确的划“√”,错误的划“×”)1.十字滑块联轴器中的所有元件都是刚性元件,因此属于刚性联轴器。()2.两摩擦表面的粗糙度值越小,则越容易实现液体动力润滑。()3.在计算转轴的强度时,安全系数法比当量弯矩法更精确。()4.相啮合的蜗杆和蜗轮的螺旋角必须大小相等,旋向相反。()5.闭式齿轮传动皆须首先按齿面接触强度进行设计计算,确定传动的几何尺寸,然后校核齿根弯曲疲劳强度。()6.由于链传动不需要张紧力,故作用在轴上的载荷较小。()7.正是由于过载时产生“弹性滑动”,故带传动对传动系统具有保护作用。()8.楔键只能用于单向传动,双向传动时,必须采用两个楔键。()9.性能等级为6.6级的螺栓,其屈服点=600MPa。()10.机械零件的计算分为设计计算和校核计算,两种计算的目的都是为了防止机械零件在正常使用期限内发生失效。()三、简答题(每小题5分,共20分)1.简述为什么开式齿轮传动一般不会出现点蚀现象?2.对于滚动轴承的轴系固定方式,请解释什么叫“两端固定支承”?3.简述形成稳定动压油膜的条件?4.解释名词:滚动轴承的寿命;滚动轴承的基本额定动载荷。四、(15分)某轴用一对同型号角接触球轴承支承,受力情况如图所示。已知:内部轴向第页2力SF=0.68RF,e=0.68。当RAFF≤e时,X=1,Y=0;当RAFF>e时,X=0.41,Y=0.87。问哪个轴承的寿命低?五、(15分)如图所示的螺栓组联接,已知外载荷F=5KN,各有关几何尺寸如图所示。试计算受力最大螺栓所受的横向工作载荷Fsmax。六、(20分)设计一个标准直齿圆柱齿轮传动,传动比i=3.2,允许传动比有不超过±5%的误差。通过强度计算已确定中心距a=320mm,模数m≥3mm,取齿宽系数d=1。试确定下列几何尺寸:m、z1、z2、d1、d2、b1、b2。(模数系列:3、3.5、4、4.5、5、5.5、6、7、8、⋯)Fx=900NFR1=4000NFR2=2500N12第页3《机械设计》试题B一、填空(每空1分,共20分)1.当所受轴向载荷通过()时,螺栓组中各螺栓承受的()相等。2.从结构上看,带轮由()、轮辐和()三部分组成。3.在直齿圆柱齿轮传动的接触疲劳强度计算中,以()为计算点,把一对轮齿的啮合简化为两个()相接触的模型。4.按键齿齿廓曲线的不同,花键分为()花键和()花键。5.请写出两种螺纹联接中常用的防松方法:()和()。6.疲劳曲线是在()一定时,表示疲劳极限与()之间关系的曲线。7.理论上为()接触或()接触的零件,在载荷作用下,接触处局部产生的应力称为接触应力。8.开式齿轮传动的主要失效形式是:()和()。9.径向滑动轴承的条件性计算主要是限制压强、()和()不超过许用值。10.在类型上,万向联轴器属于()联轴器,凸缘联轴器属于()联轴器。二、选择填空(每空1分,共10分)1.下列磨损中,不属于磨损基本类型的是();只在齿轮、滚动轴承等高副零件上经常出现的是()。(1)粘着磨损;(2)表面疲劳磨损;(3)磨合磨损;(4)磨粒磨损。2.在通过轴线的截面内,()的齿廓为直边梯形;在与基圆柱相切的截面内,()的齿廓一侧为直线,另一侧为曲线。(1...

1、当您付费下载文档后,您只拥有了使用权限,并不意味着购买了版权,文档只能用于自身使用,不得用于其他商业用途(如 [转卖]进行直接盈利或[编辑后售卖]进行间接盈利)。
2、本站所有内容均由合作方或网友上传,本站不对文档的完整性、权威性及其观点立场正确性做任何保证或承诺!文档内容仅供研究参考,付费前请自行鉴别。
3、如文档内容存在违规,或者侵犯商业秘密、侵犯著作权等,请点击“违规举报”。

碎片内容

上海工程技术大学机械设计试题A资料

文库当当响+ 关注
实名认证
内容提供者

该用户很懒,什么也没介绍

确认删除?
VIP
微信客服
  • 扫码咨询
会员Q群
  • 会员专属群点击这里加入QQ群
客服邮箱
回到顶部