电脑桌面
添加小米粒文库到电脑桌面
安装后可以在桌面快捷访问

丙类仓库建筑防火案例分析VIP免费

丙类仓库建筑防火案例分析_第1页
1/6
丙类仓库建筑防火案例分析_第2页
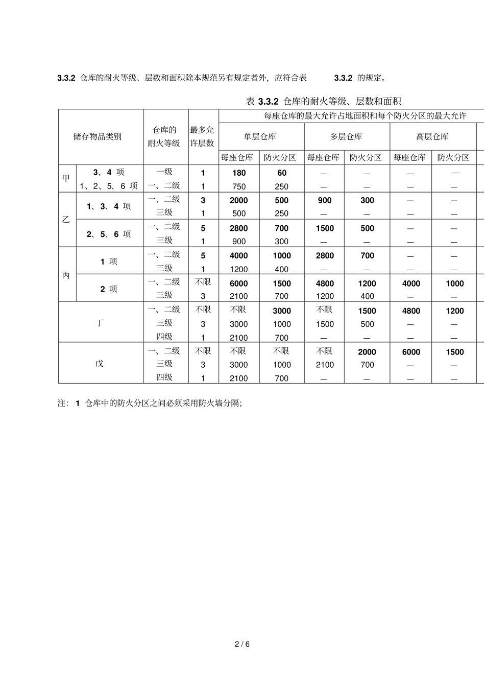
2/6
丙类仓库建筑防火案例分析_第3页
3/6
0/6案例2丙类仓库建筑防火案例分析一、情景描述某储存毛皮制品仓库,框架结构,地上3层,地下1层,占地面积9600㎡,总建筑面积30000㎡;地上建筑每层均划分四个防火分区,每个防火分区的建筑面积均为2400㎡;地下一层划分为两个防火分区,每个防火分区建筑面积均为600㎡;首层西北侧设有独立的办公、休息区,建筑面积300㎡,采用耐火极限2.50h的不燃烧体防火隔墙、1.00h的楼板和乙级防火门与库房隔开,并设有1个独立的安全出口(见图1-2-1)。该仓库按有关国家工程建设消防技术标准配置了室内外消火栓给水系统和自动喷水灭火系统等消防设施及器材。图1-2-1建筑总平面图1/6二、案例说明本案例涉主要分析下列内容:(一)分析毛皮制品仓库和周边厂房仓库的火灾危险性分类。(二)根据建筑高度对,对毛皮制品仓库和周边厂房仓库进行高度分类。(三)防火间距、消防车道、仓库的最大允许占地面积、每个防火分区的最大允许建筑面积、建筑层数,平面布置、构造防火、防火分区和安全疏散等。(四)丙类仓库内办公室、休息室布置。三、关键知识点及依据(一)仓库和厂房分类根据《建筑设计防火规范》的规定,情景描述中的各仓库和厂房的分类见表1-2-1。仓库和厂房分类表1-2-1仓库(厂房)名称建筑概况储存物品或生产的火灾危险性特征储存物品或生产的火灾危险性类别按建筑层数和高度分类毛皮制品仓库3/1层18m储存可燃固体丙类2项多层仓库甲醇合成厂房1层3.90m生产中产生闪点小于28℃的液体甲类单层厂房玻璃制品仓库7层28m储存不燃烧物品戊类高层仓库润滑油仓库5层20m储存闪点大于60℃的液体丙类1项多层仓库水泥刨花板仓库3层12m储存难燃烧烧物品丁类多层仓库(二)仓库的耐火等级和防火构造根据《建筑设计防火规范》的规定,丙类仓库的耐火等级不应低于三级,仓库中的防火分区之间必须采用防火墙分隔,其防火墙的耐火极限不应低于4.00h;一、二级耐火等级仓库的上人平屋顶,其屋顶板的耐火极限分别不应低于1.50h和1.00h。本建筑的耐火等级不应低于二级(三)仓库的最大允许占地面积和每个防火分区的最大允许建筑面积该毛皮制品仓库的最大允许占地面积不应大于4800㎡,地上部分每个防火分区的最大允许建筑面积不应大于1200㎡,地下室每个防火分区的最大允许建筑面积不应大于300㎡;仓库内设置自动灭火系统时,每座仓库最大允许占地面积和每个防火分区最大允许建筑面积可按本上述规定增加1.0倍。2/63.3.2仓库的耐火等级、层数和面积除本规范另有规定者外,应符合表3.3.2的规定。表3.3.2仓库的耐火等级、层数和面积储存物品类别仓库的耐火等级最多允许层数每座仓库的最大允许占地面积和每个防火分区的最大允许单层仓库多层仓库高层仓库每座仓库防火分区每座仓库防火分区每座仓库防火分区甲3、4项1、2、5、6项一级一、二级1118075060250——————─—乙1、3、4项一、二级三级312000500500250900—300—————2、5、6项一、二级三级5128009007003001500—500—————丙1项一、二级三级514000120010004002800—700—————2项一、二级三级不限36000210015007004800120012004004000—1000—丁一、二级三级四级不限31不限3000210030001000700不限1500—1500500—4800——1200——戊一、二级三级四级不限31不限30002100不限1000700不限2100—2000700—6000——1500——注:1仓库中的防火分区之间必须采用防火墙分隔;3/6(四)防火间距根据《建筑设计防火规范》的规定,该毛皮制品仓库与甲醇合成厂房(甲类厂房)、玻璃制品仓库(高层仓库)、润滑油仓库(丙类仓库)和水泥刨花板仓库(丁类仓库)之间的防火间距分别不应小于12m、13m、10m及12m。表3.5.2乙、丙、丁、戊类仓库之间及其与民用建筑之间的防火间距(m)建筑类型单层、多层乙、丙、丁、戊类仓库高层仓库甲类厂房单层、多层乙、丙、丁类仓库单层、多层戊类仓库单层、多层乙、丙、丁、戊类仓库耐火等级一、二级三级四级一、二级三级四级一、二级一、二级一、二级1012141012141312三级1214161214161514四级1416181416181716高层仓库一、二级1315171315171313民用建筑一、二级1012146791325三级121416781015四级1416189101217注:1单...

1、当您付费下载文档后,您只拥有了使用权限,并不意味着购买了版权,文档只能用于自身使用,不得用于其他商业用途(如 [转卖]进行直接盈利或[编辑后售卖]进行间接盈利)。
2、本站所有内容均由合作方或网友上传,本站不对文档的完整性、权威性及其观点立场正确性做任何保证或承诺!文档内容仅供研究参考,付费前请自行鉴别。
3、如文档内容存在违规,或者侵犯商业秘密、侵犯著作权等,请点击“违规举报”。

碎片内容

丙类仓库建筑防火案例分析

确认删除?
VIP
微信客服
  • 扫码咨询
会员Q群
  • 会员专属群点击这里加入QQ群
客服邮箱
回到顶部